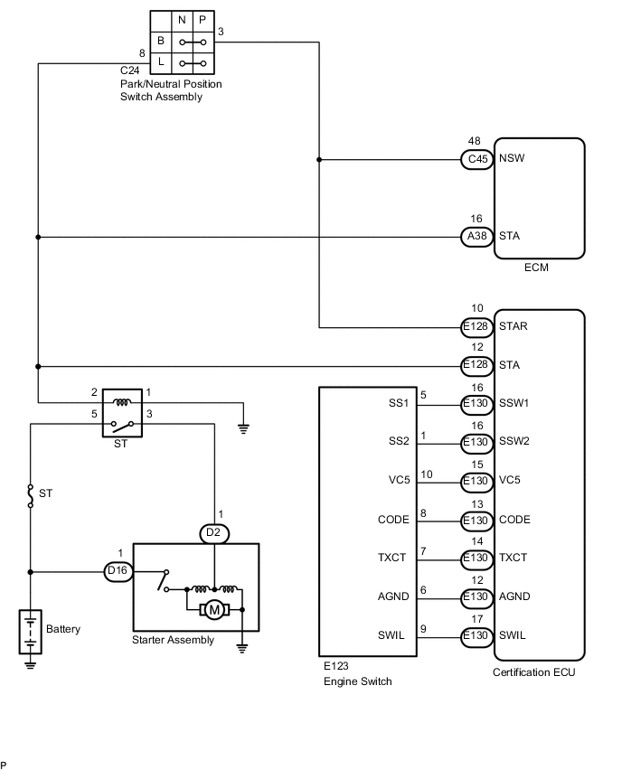
STARTING SYSTEM SYSTEM DIAGRAM

A01WZMUE01