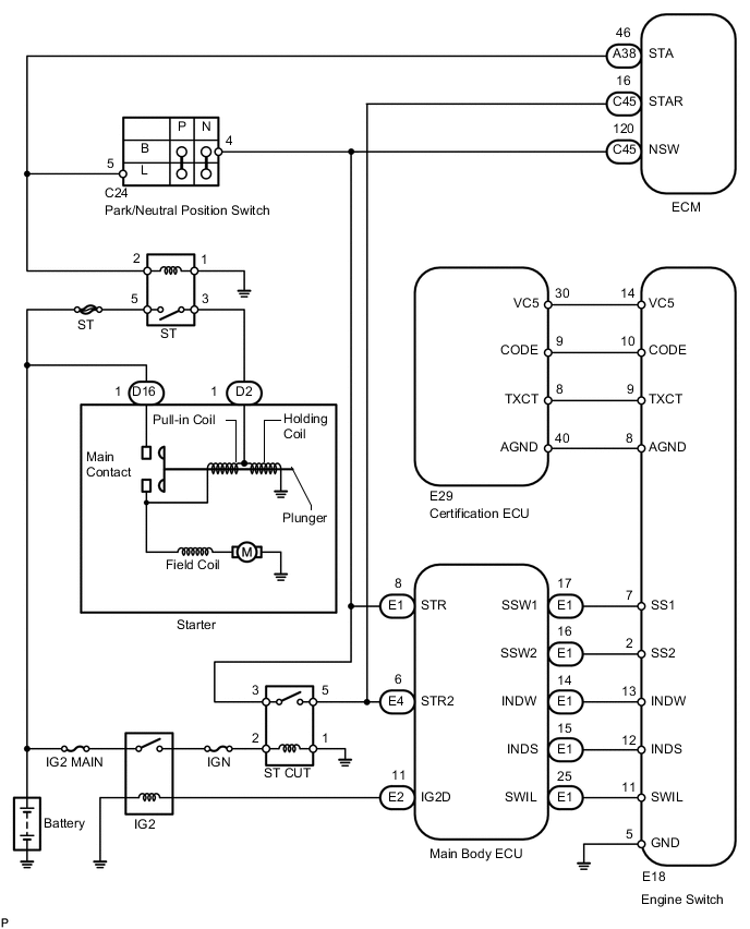
STARTING SYSTEM SYSTEM DIAGRAM

A01X38DE11