СИСТЕМА ОСВЕЩЕНИЯ Цепь фар дальнего света

ОПИСАНИЕ

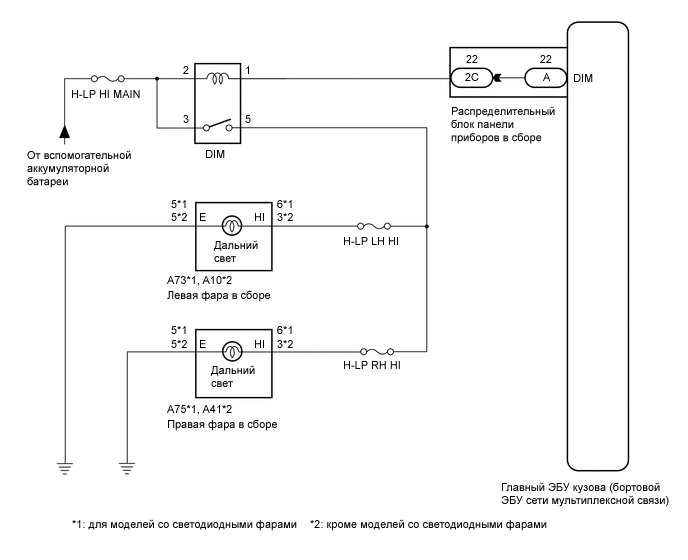
Главный ЭБУ кузова (бортовой ЭБУ сети мультиплексной связи) управляет дальним светом фар.

СХЕМА ЭЛЕКТРИЧЕСКИХ СОЕДИНЕНИЙ

A004VJ5E07

ПРЕДОСТЕРЕЖЕНИЕ / ПРИМЕЧАНИЕ / УКАЗАНИЕ

Note

Перед выполнением следующей процедуры проверки проверьте предохранители цепей, относящихся к данной системе.

ПОРЯДОК ВЫПОЛНЕНИЯ


  1. ПРОВЕРЬТЕ РАБОТУ ФАР (БЛИЖНИЙ СВЕТ ФАР)


    1. Проверьте работу фар ближнего света.

      OK
      Фары ближнего света работаю нормально.

    NG
    OK
  2. ВЫПОЛНИТЕ ДИАГНОСТИКУ В РЕЖИМЕ ACTIVE TEST С ПОМОЩЬЮ ПОРТАТИВНОГО ДИАГНОСТИЧЕСКОГО ПРИБОРА


    1. Подсоедините портативный диагностический прибор к DLC3.

    2. Включите питание (IG).

    3. Включите портативный диагностический прибор.

    4. Войдите в следующие меню: Body / Main Body / Active Test.

    5. Убедитесь, что фары ближнего света горят.

      Main Body (Кузов)
      Информация на дисплее прибора Испытываемое устройство Диапазон регулирования Замечание по диагностике
      Head Light Hi Фары дальнего света ON (ВКЛ) / OFF (ВЫКЛ) -
      OK
      Фары дальнего света горят.

    OK
    NG
  3. ПРОВЕРЬТЕ РЕЛЕ DIM


    1. A004VWKE02
      Обозначения на рисунке
      *a

      Устройство с неподсоединенным жгутом проводов

      (реле DIM)

      Извлеките реле DIM из блока реле моторного отсека.

    2. Измерьте сопротивление в соответствии со значениями, приведенными в таблице ниже.

      Номинальное сопротивление
      Подключение диагностического прибора Условие Заданные условия
      3 - 5 Напряжение не подается между контактами 1 и 2 10 кОм или более
      3 - 5 Напряжение подается между контактами 1 и 2 Менее 1 Ом

    NG
    OK
  4. ПРОВЕРЬТЕ ЖГУТ ПРОВОДОВ И РАЗЪЕМ (ПЛАВКИЙ ПРЕДОХРАНИТЕЛЬ H-LP HI MAIN – РЕЛЕ DIM)


    1. Измерьте напряжение в соответствии со значениями, приведенными в таблице.

      Номинальное напряжение
      Подключение диагностического прибора Условие Заданные условия
      Контакт 2 реле переключателя света фар - масса Питание выключено 11-14 В
      Контакт 3 реле переключателя света фар - масса Питание выключено 11-14 В

    NG
    OK
  5. ПРОВЕРЬТЕ ЖГУТ ПРОВОДОВ И РАЗЪЕМ (РЕЛЕ DIM – ФАРА В СБОРЕ)


    1. Отсоедините разъем A73 или А75 фары в сборе (для моделей со светодиодными фарами).

    2. Отсоедините разъем A10 или А41 фары в сборе (для моделей без светодиодных фар).

    3. Измерьте сопротивление в соответствии со значениями, приведенными в таблице ниже.

      Номинальное сопротивление
      для левой светодиодной фары
      Подключение диагностического прибора Условие Заданные условия
      Контакт 5 реле переключателя света фар - A73-6 (HI) Всегда Менее 1 Ом
      Контакт 5 реле переключателя света фар - масса Всегда 10 кОм или более
      A73-5 (E) - масса Всегда Менее 1 Ом
      для правой светодиодной фары
      Подключение диагностического прибора Условие Заданные условия
      Контакт 5 реле переключателя света фар - A75-6 (HI) Всегда Менее 1 Ом
      Контакт 5 реле переключателя света фар - масса Всегда 10 кОм или более
      A75-5 (E) - масса Всегда Менее 1 Ом
      для левой фары, отличной от светодиодной
      Подключение диагностического прибора Условие Заданные условия
      Контакт 5 реле переключателя света фар - A10-3 (HI) Всегда Менее 1 Ом
      Контакт 5 реле переключателя света фар - масса Всегда 10 кОм или более
      A10-5 (E) - масса Всегда Менее 1 Ом
      для правой фары, отличной от светодиодной
      Подключение диагностического прибора Условие Заданные условия
      Контакт 5 реле переключателя света фар - A41-3 (HI) Всегда Менее 1 Ом
      Контакт 5 реле переключателя света фар - масса Всегда 10 кОм или более
      A41-5 (E) - масса Всегда Менее 1 Ом

    NG
    OK
  6. ПРОВЕРЬТЕ ЖГУТ ПРОВОДОВ И РАЗЪЕМ (РЕЛЕ DIM – РАСПРЕДЕЛИТЕЛЬНЫЙ БЛОК ПАНЕЛИ ПРИБОРОВ)


    1. Отсоедините разъем 2С главного ЭБУ кузова (бортового ЭБУ сети мультиплексной связи).

    2. Измерьте сопротивление в соответствии со значениями, приведенными в таблице ниже.

      Номинальное сопротивление
      Подключение диагностического прибора Условие Заданные условия
      Контакт 1 реле переключателя света фар - 2C-22 Всегда Менее 1 Ом
      2C-22 - масса Всегда 10 кОм или более

    NG
    OK
  7. ПРОВЕРЬТЕ РАСПРЕДЕЛИТЕЛЬНЫЙ БЛОК ПАНЕЛИ ПРИБОРОВ В СБОРЕ


    1. Снимите распределительный блок панели приборов в сборе.

    2. Измерьте сопротивление в соответствии со значениями, приведенными в таблице ниже.

      Номинальное сопротивление
      Подключение диагностического прибора Условие Заданные условия
      2C-22 - A-22 (DIM) Всегда Менее 1 Ом

    OK
    NG