СИСТЕМА ЛЮКА, Diagnostic DTC:B2341, B2344

Код DTC Наименование DTC
B2341 Неисправность датчика (электродвигателя)
B2344 Отказ положения

ОПИСАНИЕ

В случае, если ЭБУ люка (приводной механизм люка в сборе) обнаруживает сбой в работе двигателя привода, и работа люка останавливается, выводится диагностический код неисправности DTC B2341.

В случае, если ЭБУ люка (приводной механизм люка в сборе) обнаруживает сбой в работе привода, и работа люка останавливается, выдается диагностический код неисправности DTC B2344.

№ DTC Условие обнаружения DTC Неисправный участок
B2341 Неисправность датчика (электродвигателя) (когда ЭБУ переходит в аварийный режим работы вследствие неисправности электродвигателя)
  • ЭБУ люка (приводной механизм люка)

  • Переключатель управления люком (лампа индивидуального освещения в сборе)

  • Жгут проводов или разъем

B2344 Сбой определения положения (когда ЭБУ переходит в аварийный режим работы вследствие сбоя определения положения приводного механизма)
  • ЭБУ люка (приводной механизм люка)

  • Переключатель управления люком (лампа индивидуального освещения в сборе)

  • Жгут проводов или разъем

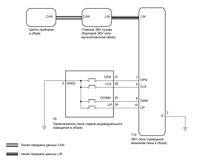
СХЕМА ЭЛЕКТРИЧЕСКИХ СОЕДИНЕНИЙ

B001M5TE03

ПРЕДОСТЕРЕЖЕНИЕ / ПРИМЕЧАНИЕ / УКАЗАНИЕ

Note


  • После замены или снятия/установки ЭБУ люка (приводного механизма люка в сборе) необходимо выполнить инициализацию (см. стр. Click here).

  • Для передачи данных система управления люком использует шины передачи данных CAN и LIN. Сначала убедитесь в отсутствии неисправностей на шинах передачи данных CAN и LIN. См. раздел "Процедура поиска неисправностей" (стр. Click here).

ПОРЯДОК ВЫПОЛНЕНИЯ


  1. ПРОВЕРЬТЕ РАБОТУ ЛЮКА


    1. Проверьте работу люка в автоматическом режиме (см. стр. Click here).

      OK
      Автоматический режим работает нормально.

    NG
    OK
  2. ПРОВЕРЬТЕ, ВЫВОДЯТСЯ ЛИ DTC


    1. Сбросьте коды DTC (см. стр. Click here).

    2. Еще раз проверьте DTC.

      OK
      Коды DTC B2341 и B2344 не выводятся.

    OK
    NG
  3. ИНИЦИАЛИЗИРУЙТЕ ЭБУ ЛЮКА (ПРИВОДНОЙ МЕХАНИЗМ ЛЮКА В СБОРЕ)


    1. Убедитесь, что ЭБУ люка (приводной механизм люка в сборе) может быть инициализирован (см. стр. Click here).

      OK
      ЭБУ люка (приводной механизм люка) может быть инициализирован.

    NG
    OK
  4. ПРОВЕРЬТЕ, ВЫВОДЯТСЯ ЛИ DTC


    1. Сбросьте коды DTC (см. стр. Click here).

    2. Еще раз проверьте DTC.

      OK
      Коды DTC B2341 и B2344 не выводятся.

    OK
    NG
  5. ПРОВЕРЬТЕ ЖГУТ ПРОВОДОВ И РАЗЪЕМ (ЭБУ ЛЮКА – ПЕРЕКЛЮЧАТЕЛЬ ЛЮКА И МАССА)


    1. Отсоедините разъем Т6 переключателя люка (лампы индивидуального освещения).

    2. Отсоедините разъем T10 ЭБУ люка (приводного механизма люка в сборе).

    3. Измерьте сопротивление в соответствии со значениями, приведенными в таблице ниже.

      Номинальное сопротивление
      Подключение диагностического прибора Условие Заданные условия
      T10-9 (CLS) - T6-28 (CLS) Всегда Менее 1 Ом
      T10-9 (CLS) - масса Всегда 10 кОм или более
      T10-7 (OPN) - T6-27 (OPN) Всегда Менее 1 Ом
      T10-7 (OPN) - масса Всегда 10 кОм или более
      T10-8 (DWN) - T6-25 (DOWN) Всегда Менее 1 Ом
      T10-8 (DWN) - масса Всегда 10 кОм или более
      T10-10 (UP) - T6-24 (UP) Всегда Менее 1 Ом
      T10-10 (UP) - масса Всегда 10 кОм или более
      T6-3 (GND3) - масса Всегда Менее 1 Ом
      T10-2 (E) - масса Всегда Менее 1 Ом

    NG
    OK
  6. ПРОВЕРЬТЕ ПЕРЕКЛЮЧАТЕЛЬ УПРАВЛЕНИЯ ЛЮКОМ (ЛАМПУ ИНДИВИДУАЛЬНОГО ОСВЕЩЕНИЯ В СБОРЕ)


    1. B001KG5E01
      Обозначения на рисунке
      *a

      Устройство с неподсоединенным жгутом проводов

      (Переключатель управления люком (лампа индивидуального освещения в сборе))

      Снимите переключатель управления люком (лампу индивидуального освещения в сборе) (см. стр. Click here).

    2. Измерьте сопротивление в соответствии со значениями, приведенными в таблице ниже.

      Номинальное сопротивление
      Подключение диагностического прибора Условие Заданные условия
      25 (DOWN) - 3 (GND3) Переключатель TILT DOWN (наклон вниз) нажат Менее 1 Ом
      25 (DOWN) - 3 (GND3) Переключатель TILT DOWN (наклон вниз) не нажат 10 кОм или более
      24 (UP) - 3 (GND3) Переключатель TILT UP (наклон вверх) нажат Менее 1 Ом
      24 (UP) - 3 (GND3) Переключатель TILT UP (наклон вверх) не нажат. 10 кОм или более
      28 (CLS) - 3 (GND3) Переключатель SLIDE CLOSE (закрывание сдвигом) нажат Менее 1 Ом
      28 (CLS) - 3 (GND3) Переключатель SLIDE CLOSE (закрывание сдвигом) не нажат 10 кОм или более
      27 (OPN) - 3 (GND3) Переключатель SLIDE OPEN (открывание сдвигом) нажат Менее 1 Ом
      27 (OPN) - 3 (GND3) Переключатель SLIDE OPEN (открывание сдвигом) не нажат 10 кОм или более

    OK
    NG