СИСТЕМА ПЕРЕДАЧИ ДАННЫХ CAN Проверьте шину CAN на короткое замыкание (для моделей с левосторонним рулевым управлением)

ОПИСАНИЕ

Между проводами главной шины V1 и/или вспомогательных шин CAN может быть короткое замыкание, если сопротивление между контактами 6 (CANH) и 14 (CANL) разъема DLC3 составляет менее 54 Ом.

Признак Неисправный участок
Сопротивление между контактами 6 (CANH) и 14 (CANL) разъема DLC3 менее 54 Ом
  • Короткое замыкание в главной шине CAN

  • Короткое замыкание во вспомогательной шине CAN

  • ЭБУ распределения питания

  • ECM

  • Главный ЭБУ кузова (бортовой ЭБУ сети мультиплексной связи)

  • Щиток приборов в сборе

  • ЭБУ системы противоскольжения (усилитель тормозной системы с главным тормозным цилиндром)

  • Датчик угла поворота рулевого колеса (витой кабель с датчиком в сборе)

  • Датчик замедления и рысканья

  • ЭБУ рулевого управления с усилителем

  • Блок управления системы SRS

  • ЭБУ трансмиссии

  • ЭБУ сертификации (ЭБУ электронного ключа зажигания в сборе)

  • Радиоприемник в сборе*1*2

  • DCM (приемопередатчик системы обработки и передачи информации)*3

  • Разъем распределительного блока шины CAN № 1

  • Разъем распределительного блока шины CAN № 2

  • Разъем распределительного блока шины CAN № 3

*1: для моделей с приемником системы навигации

*2: для моделей с радиоприемником с дисплеем

*3: для моделей с ручным выключателем (SOS)

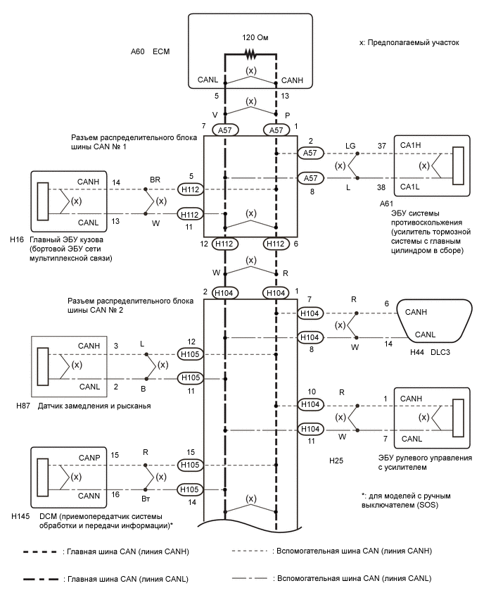
СХЕМА ЭЛЕКТРИЧЕСКИХ СОЕДИНЕНИЙ

A004WIME04
A004WY5E05

ПРЕДОСТЕРЕЖЕНИЕ / ПРИМЕЧАНИЕ / УКАЗАНИЕ

Note


  • Выключите питание перед измерением сопротивления между главными и вспомогательными шинами CAN.

  • Выключите питание перед проверкой короткого замыкания шины CAN на массу.

  • После выключения питания убедитесь, что система оповещения о ключе, оставленном в замке зажигания, и система оповещения о невыключенном освещении не активированы.

  • Перед измерением сопротивления оставьте автомобиль на 1 минуту "как он есть", не трогая выключатель питания, другие переключатели и двери. Если необходимо открыть какую-либо дверь для проверки разъемов, откройте двери и не закрывайте их.

Tech Tips


  • Управление выключателем питания, какими-либо выключателями или дверями приводит к обмену данными между ЭБУ и датчиками по шине CAN. При осуществлении обмена данными сопротивление изменяется.

  • Если DTC регистрируется при непродолжительном движении на автомобиле даже после удаления кодов DTC, неисправность может возникать вследствие вибрации автомобиля. В подобных случаях необходимо пошевелить разъемы ЭБУ или жгутов проводов во время проверки, чтобы установить причину неисправности.

ПОРЯДОК ВЫПОЛНЕНИЯ


  1. ПРОВЕРЬТЕ ШИНУ CAN НА КОРОТКОЕ ЗАМЫКАНИЕ (ECM)


    1. Отсоедините провод от отрицательного (-) вывода вспомогательной аккумуляторной батареи.

    2. A004W79E02
      Обозначения на рисунке
      *a

      Вид спереди разъема со стороны жгута проводов:

      (к ECM)

      Отсоедините разъем A60 модуля ECM.

    3. Измерьте сопротивление в соответствии со значениями, приведенными в таблице ниже.

      Номинальное сопротивление
      Подключение диагностического прибора Условие Заданные условия
      A60-13 (CANH) - A60-5 (CANL) Провод отсоединен от отрицательного (-) вывода вспомогательной аккумуляторной батареи 108 - 132 Ом
      Результат
      Результат Перейти к
      OK (для моделей с 2ZR-FXE) А
      OK (для моделей с 5ZR-FXE) B
      NG C

    А
    B
    C
  2. ПРОВЕРЬТЕ ШИНУ CAN НА КОРОТКОЕ ЗАМЫКАНИЕ (ЩИТОК ПРИБОРОВ)


    1. Повторно подсоедините разъем A60 ECM.

    2. A004XPNE01
      Обозначения на рисунке
      *a

      Вид спереди разъема со стороны жгута проводов:

      (к щитку приборов в сборе)

      Отсоедините разъем Н19 щитка приборов.

    3. Измерьте сопротивление в соответствии со значениями, приведенными в таблице ниже.

      Номинальное сопротивление
      Подключение диагностического прибора Условие Заданные условия
      H19-32 (CANH) - H19-31 (CANL) Провод отсоединен от отрицательного (-) вывода вспомогательной аккумуляторной батареи 108-132 Ом

    OK
    NG
  3. ПРОВЕРЬТЕ ШИНУ CAN НА КОРОТКОЕ ЗАМЫКАНИЕ (РАСПРЕДЕЛИТЕЛЬНЫЙ БЛОК ШИНЫ CAN № 2)


    1. Повторно подсоедините разъем Н19 щитка приборов.

    2. A004XKME02
      Обозначения на рисунке
      *a

      Вид спереди разъема со стороны жгута проводов:

      (к разъему распределительного блока шины CAN № 2)

      *b К разъему распределительного блока шины CAN № 1
      *c К разъему распределительного блока шины CAN № 3
      *d К DLC3

      Отсоедините разъем Н104 от задней стороны разъема распределительного блока шины CAN № 2.

    3. Измерьте сопротивление в соответствии со значениями, приведенными в таблице ниже.

      Номинальное сопротивление
      Подключение диагностического прибора Условие Заданные условия Куда подсоединить
      H104-1 (CANH) - H104-2 (CANL) Провод отсоединен от отрицательного (-) вывода вспомогательной аккумуляторной батареи 108 - 132 Ом Разъем распределительного блока шины CAN № 1
      H104-4 (CANH) - H104-5 (CANL) Провод отсоединен от отрицательного (-) вывода вспомогательной аккумуляторной батареи 108 - 132 Ом Разъем распределительного блока шины CAN № 3
      H104-7 (CANH) - H104-8 (CANL) Провод отсоединен от отрицательного (-) вывода вспомогательной аккумуляторной батареи 1 МОм или более DLC3
      Результат
      Результат Перейти к
      OK А
      NG (главная шина распределительного блока шины CAN № 1) B
      NG (главная шина распределительного блока шины CAN № 3) C
      NG (вспомогательная шина DLC3) D

    B
    C
    D
    А
  4. ПРОВЕРЬТЕ ШИНУ CAN НА КОРОТКОЕ ЗАМЫКАНИЕ (РАСПРЕДЕЛИТЕЛЬНЫЙ БЛОК ШИНЫ CAN № 2 - ЭБУ РУЛЕВОГО УПРАВЛЕНИЯ С УСИЛИТЕЛЕМ)


    1. Отсоедините разъем Н25 ЭБУ рулевого управления с усилителем.

    2. A004VXVE01
      Обозначения на рисунке
      *a

      Вид спереди разъема со стороны жгута проводов:

      (к разъему распределительного блока шины CAN № 2)

      *b к ЭБУ рулевого управления с усилителем в сборе

      Измерьте сопротивление в соответствии со значениями, приведенными в таблице ниже.

      Номинальное сопротивление
      Подключение диагностического прибора Условие Заданные условия
      H104-10 (CANH) - H104-11 (CANL) Провод отсоединен от отрицательного (-) вывода вспомогательной аккумуляторной батареи 1 МОм или более

    NG
    OK
  5. ПРОВЕРЬТЕ ЛИНИИ ШИНЫ CAN НА НАЛИЧИЕ КОРОТКОГО ЗАМЫКАНИЯ (РАЗЪЕМ РАСПРЕДЕЛИТЕЛЬНОГО БЛОКА ШИНЫ CAN № 2 – РАДИОПРИЕМНИК В СБОРЕ)

    Tech Tips

    Для моделей без приемника системы навигации перейдите к следующему шагу.


    1. Отсоедините разъем H147 радиоприемника.

    2. A004Y4UE01
      Обозначения на рисунке
      *a

      Вид спереди разъема со стороны жгута проводов:

      (к разъему распределительного блока шины CAN № 2)

      *b к блоку радиоприемника

      Измерьте сопротивление в соответствии со значениями, приведенными в таблице ниже.

      Номинальное сопротивление
      Подключение диагностического прибора Условие Заданные условия
      H104-13 (CANH) - H104-14 (CANL) Провод отсоединен от отрицательного (-) вывода вспомогательной аккумуляторной батареи 1 МОм или более

    NG
    OK
  6. ПРОВЕРЬТЕ ЛИНИИ ШИНЫ CAN НА НАЛИЧИЕ КОРОТКОГО ЗАМЫКАНИЯ (РАЗЪЕМ РАСПРЕДЕЛИТЕЛЬНОГО БЛОКА ШИНЫ CAN № 2 – РАДИОПРИЕМНИК В СБОРЕ)

    Tech Tips

    Для моделей без радиоприемника с дисплеем перейдите к следующему шагу.


    1. Отсоедините разъем H164 радиоприемника.

    2. A004Y4UE01
      Обозначения на рисунке
      *a

      Вид спереди разъема со стороны жгута проводов:

      (к разъему распределительного блока шины CAN № 2)

      *b к блоку радиоприемника

      Измерьте сопротивление в соответствии со значениями, приведенными в таблице ниже.

      Номинальное сопротивление
      Подключение диагностического прибора Условие Заданные условия
      H104-13 (CANH) - H104-14 (CANL) Провод отсоединен от отрицательного (-) вывода вспомогательной аккумуляторной батареи 1 МОм или более

    NG
    OK
  7. ПРОВЕРЬТЕ ШИНУ CAN НА КОРОТКОЕ ЗАМЫКАНИЕ (РАСПРЕДЕЛИТЕЛЬНЫЙ БЛОК ШИНЫ CAN № 2 - ДАТЧИК УСКОРЕНИЯ И РЫСКАНЬЯ)


    1. Отсоедините разъем Н105 от передней стороны разъема распределительного блока шины CAN № 2.

    2. Отсоедините разъем H87 датчика замедления и рысканья.

    3. A004ZF7E01
      Обозначения на рисунке
      *a

      Вид спереди разъема со стороны жгута проводов:

      (к разъему распределительного блока шины CAN № 2)

      *b к датчику замедления и рысканья

      Измерьте сопротивление в соответствии со значениями, приведенными в таблице ниже.

      Номинальное сопротивление
      Подключение диагностического прибора Условие Заданные условия
      H105-12 (CANH) - H105-11 (CANL) Провод отсоединен от отрицательного (-) вывода вспомогательной аккумуляторной батареи 1 МОм или более

    NG
    OK
  8. ПРОВЕРЬТЕ ШИНЫ CAN НА КОРОТКОЕ ЗАМЫКАНИЕ (РАЗЪЕМ РАСПРЕДЕЛИТЕЛЬНОГО БЛОКА ШИНЫ CAN № 2 - ДАТЧИК УГЛА ПОВОРОТА РУЛЕВОГО КОЛЕСА)


    1. Отсоедините разъем Н29 датчика угла поворота рулевого колеса (витого кабеля с датчиком в сборе).

    2. A004VC4E01
      Обозначения на рисунке
      *a

      Вид спереди разъема со стороны жгута проводов:

      (к разъему распределительного блока шины CAN № 2)

      *b к датчику угла поворота рулевого колеса (витому кабелю с датчиком в сборе)

      Измерьте сопротивление в соответствии со значениями, приведенными в таблице ниже.

      Номинальное сопротивление
      Подключение диагностического прибора Условие Заданные условия
      H105-3 (CANH) - H105-2 (CANL) Провод отсоединен от отрицательного (-) вывода вспомогательной аккумуляторной батареи 1 МОм или более

    NG
    OK
  9. ПРОВЕРЬТЕ ШИНУ CAN НА КОРОТКОЕ ЗАМЫКАНИЕ (РАСПРЕДЕЛИТЕЛЬНЫЙ БЛОК ШИНЫ CAN № 2 - ЦЕНТРАЛЬНЫЙ БЛОК УПРАВЛЕНИЯ СИСТЕМЫ SRS)


    1. Отсоедините разъем H84 блока управления системы SRS.

    2. A004W2TE01
      Обозначения на рисунке
      *a

      Вид спереди разъема со стороны жгута проводов:

      (к разъему распределительного блока шины CAN № 2)

      *b К центральному блоку управления системы SRS

      Измерьте сопротивление в соответствии со значениями, приведенными в таблице ниже.

      Номинальное сопротивление
      Подключение диагностического прибора Условие Заданные условия
      H105-9 (CANH) - H105-8 (CANL) Провод отсоединен от отрицательного (-) вывода вспомогательной аккумуляторной батареи 1 МОм или более

    NG
    OK
  10. ПРОВЕРЬТЕ ЛИНИИ ШИНЫ CAN НА НАЛИЧИЕ КОРОТКОГО ЗАМЫКАНИЯ (РАЗЪЕМ РАСПРЕДЕЛИТЕЛЬНОГО БЛОКА ШИНЫ CAN № 2 - ЭБУ СЕРТИФИКАЦИИ (ЭБУ ЭЛЕКТРОННОГО КЛЮЧА ЗАЖИГАНИЯ))


    1. Отсоедините разъем H1 ЭБУ сертификации (ЭБУ электронного ключа зажигания).

    2. A004WH7E01
      Обозначения на рисунке
      *a

      Вид спереди разъема со стороны жгута проводов:

      (к разъему распределительного блока шины CAN № 2)

      *b к ЭБУ сертификации (ЭБУ электронного ключа зажигания в сборе)

      Измерьте сопротивление в соответствии со значениями, приведенными в таблице ниже.

      Номинальное сопротивление
      Подключение диагностического прибора Условие Заданные условия
      H105-6 (CANH) - H105-5 (CANL) Провод отсоединен от отрицательного (-) вывода вспомогательной аккумуляторной батареи 1 МОм или более

    NG
    OK
  11. ПРОВЕРЬТЕ ЛИНИИ ШИНЫ CAN НА НАЛИЧИЕ КОРОТКОГО ЗАМЫКАНИЯ (РАЗЪЕМ РАСПРЕДЕЛИТЕЛЬНОГО БЛОКА ШИНЫ CAN № 2 – DCM (ПРИЕМОПЕРЕДАТЧИК СИСТЕМЫ ОБРАБОТКИ И ПЕРЕДАЧИ ИНФОРМАЦИИ))


    1. Отсоедините разъем Н145 DCM (приемопередатчика системы обработки и передачи информации).

    2. A004ZLZE01
      Обозначения на рисунке
      *a

      Вид спереди разъема со стороны жгута проводов:

      (к разъему распределительного блока шины CAN № 2)

      *b к DCM (приемопередатчику системы обработки и передачи информации)

      Измерьте сопротивление в соответствии со значениями, приведенными в таблице ниже.

      Номинальное сопротивление
      Подключение диагностического прибора Условие Заданные условия
      H105-15 (CANH) - H105-14 (CANL) Провод отсоединен от отрицательного (-) вывода вспомогательной аккумуляторной батареи 1 МОм или более

    NG
    OK
  12. ПРОВЕРЬТЕ ШИНУ CAN НА КОРОТКОЕ ЗАМЫКАНИЕ (РАСПРЕДЕЛИТЕЛЬНЫЙ БЛОК ШИНЫ CAN № 2)


    1. Повторно подсоедините разъемы Н104 и Н105 к передней и задней сторонам распределительного блока шины CAN № 2.

    2. A004Y9HE05
      Обозначения на рисунке
      *1 DLC3

      Измерьте сопротивление в соответствии со значениями, приведенными в таблице ниже.

      Номинальное сопротивление
      Подключение диагностического прибора Условие Заданные условия
      H44-6 (CANH) - H44-14 (CANL) Провод отсоединен от отрицательного (-) вывода вспомогательной аккумуляторной батареи 54-69 Ом

      Note


      • Сопротивление необходимо измерять после подсоединения ЭБУ (ECM и щитка приборов), соединенных главной шиной, и распределительных блоков шины CAN № 1, № 2 и № 3.

      • Сопротивление необходимо измерять после отсоединения всех датчиков и ЭБУ, соединенных вспомогательными шинами с разъемом распределительного блока шины CAN № 2.


    NG
    OK
  13. ПРОВЕРЬТЕ ПОДКЛЮЧЕННОЕ УСТРОЙСТВО НА КОРОТКОЕ ЗАМЫКАНИЕ (ЭБУ, ДАТЧИК)


    1. A004Y9HE05
      Обозначения на рисунке
      *1 DLC3

      Подсоедините щупы омметра к контактам 6 (CANH) и 14 (CANL) разъема DLC3.

    2. Измеряя сопротивление с помощью омметра, поочередно подсоединяйте разъемы ЭБУ и датчиков, пока сопротивление не станет ниже допустимого (менее 54 Ом).

      Tech Tips

      Если при подключении ЭБУ сопротивление уменьшается ниже допустимого, возможно короткое замыкание в ЭБУ.


    ДАЛЕЕ
  14. ПРОВЕРЬТЕ ШИНЫ CAN НА КОРОТКОЕ ЗАМЫКАНИЕ (РАЗЪЕМ РАСПРЕДЕЛИТЕЛЬНОГО БЛОКА ШИНЫ CAN № 2 - РАЗЪЕМ РАСПРЕДЕЛИТЕЛЬНОГО БЛОКА ШИНЫ CAN № 1)


    1. Повторно подсоедините разъем Н104 к задней стороне разъема распределительного блока шины CAN № 2.

    2. A004ZHUE02
      Обозначения на рисунке
      *a

      Вид спереди разъема со стороны жгута проводов:

      (к разъему распределительного блока шины CAN № 1)

      *b К разъему распределительного блока шины CAN № 2

      Отсоедините разъем Н112 от разъема распределительного блока шины CAN № 1.

    3. Измерьте сопротивление в соответствии со значениями, приведенными в таблице ниже.

      Номинальное сопротивление
      Подключение диагностического прибора Условие Заданные условия
      H112-6 (CANH) - H112-12 (CANL) Провод отсоединен от отрицательного (-) вывода вспомогательной аккумуляторной батареи 108-132 Ом

    NG
    OK
  15. ПРОВЕРЬТЕ ШИНЫ CAN НА КОРОТКОЕ ЗАМЫКАНИЕ (РАЗЪЕМ РАСПРЕДЕЛИТЕЛЬНОГО БЛОКА ШИНЫ CAN № 1 - ГЛАВНЫЙ ЭБУ КУЗОВА (БОРТОВОЙ ЭБУ СЕТИ МУЛЬТИПЛЕКСНОЙ СВЯЗИ))


    1. Отсоедините разъем H16 главного ЭБУ кузова (бортового ЭБУ сети мультиплексной связи).

    2. A004YJGE02
      Обозначения на рисунке
      *a

      Вид спереди разъема со стороны жгута проводов:

      (к разъему распределительного блока шины CAN № 1)

      *b К главному ЭБУ кузова (бортовому ЭБУ сети мультиплексной связи)

      Измерьте сопротивление в соответствии со значениями, приведенными в таблице ниже.

      Номинальное сопротивление
      Подключение диагностического прибора Условие Заданные условия
      H112-5 (CANH) - H112-11 (CANL) Провод отсоединен от отрицательного (-) вывода вспомогательной аккумуляторной батареи 1 МОм или более

    NG
    OK
  16. ПРОВЕРЬТЕ ШИНУ CAN НА КОРОТКОЕ ЗАМЫКАНИЕ (РАЗЪЕМ РАСПРЕДЕЛИТЕЛЬНОГО БЛОКА ШИНЫ CAN № 1 - ЭБУ СИСТЕМЫ ПРОТИВОСКОЛЬЖЕНИЯ)


    1. Отсоедините разъем А57 от разъема распределительного блока шины CAN № 1.

    2. Отсоедините разъем А61 ЭБУ системы противоскольжения (усилителя тормозной системы с главным тормозным цилиндром).

    3. A004VNWE02
      Обозначения на рисунке
      *a

      Вид спереди разъема со стороны жгута проводов:

      (к разъему распределительного блока шины CAN № 1)

      *b к ЭБУ системы противоскольжения (усилителю тормозной системы в сборе с главным цилиндром)

      Измерьте сопротивление в соответствии со значениями, приведенными в таблице ниже.

      Номинальное сопротивление
      Подключение диагностического прибора Условие Заданные условия
      A57-2 (CANH) - A57-8 (CANL) Провод отсоединен от отрицательного (-) вывода вспомогательной аккумуляторной батареи 1 МОм или более

    NG
    OK
  17. ПРОВЕРЬТЕ ШИНЫ CAN НА КОРОТКОЕ ЗАМЫКАНИЕ (РАЗЪЕМ РАСПРЕДЕЛИТЕЛЬНОГО БЛОКА ШИНЫ CAN № 1 - ECM)


    1. A004W9TE02
      Обозначения на рисунке
      *a

      Вид спереди разъема со стороны жгута проводов:

      (к разъему распределительного блока шины CAN № 1)

      *b К ECM

      Измерьте сопротивление в соответствии со значениями, приведенными в таблице ниже.

      Номинальное сопротивление
      Подключение диагностического прибора Положение переключателя Заданные условия
      A57-1 (CANH) - A57-7 (CANL) Провод отсоединен от отрицательного (-) вывода вспомогательной аккумуляторной батареи 108-132 Ом

    NG
    OK
  18. ПРОВЕРЬТЕ ШИНЫ CAN НА КОРОТКОЕ ЗАМЫКАНИЕ (РАЗЪЕМ РАСПРЕДЕЛИТЕЛЬНОГО БЛОКА ГЛАВНОЙ ШИНЫ CAN № 1)


    1. Повторно подсоедините разъемы А57 и Н112 к разъему распределительного блока шины CAN № 1.

    2. A004Y9HE05
      Обозначения на рисунке
      *1 DLC3

      Измерьте сопротивление в соответствии со значениями, приведенными в таблице ниже.

      Номинальное сопротивление
      Подключение диагностического прибора Условие Заданные условия
      H44-6 (CANH) - H44-14 (CANL) Провод отсоединен от отрицательного (-) вывода вспомогательной аккумуляторной батареи 54 - 69 Ом

      Note


      • Сопротивление необходимо измерять после подсоединения ЭБУ (ECM и щитка приборов), соединенных главной шиной, и распределительных блоков шины CAN № 1, № 2 и № 3.

      • Сопротивление необходимо измерять после отсоединения всех ЭБУ, соединенных вспомогательными шинами с распределительным блоком шины CAN № 1.


    NG
    OK
  19. ПРОВЕРЬТЕ ПОДКЛЮЧЕННОЕ УСТРОЙСТВО НА КОРОТКОЕ ЗАМЫКАНИЕ (ЭБУ, ДАТЧИК)


    1. A004Y9HE05
      Обозначения на рисунке
      *1 DLC3

      Подсоедините щупы омметра к контактам 6 (CANH) и 14 (CANL) разъема DLC3.

    2. Измеряя сопротивление с помощью омметра, поочередно подсоединяйте разъемы ЭБУ и датчиков, пока сопротивление не станет ниже допустимого (менее 54 Ом).

      Tech Tips

      Если при подключении ЭБУ сопротивление уменьшается ниже допустимого, возможно короткое замыкание в ЭБУ.


    ДАЛЕЕ
  20. ПРОВЕРЬТЕ ШИНЫ CAN НА КОРОТКОЕ ЗАМЫКАНИЕ (РАЗЪЕМ РАСПРЕДЕЛИТЕЛЬНОГО БЛОКА ШИНЫ CAN № 3 - РАЗЪЕМ РАСПРЕДЕЛИТЕЛЬНОГО БЛОКА ШИНЫ CAN № 2)


    1. Повторно подсоедините разъем Н104 к задней стороне разъема распределительного блока шины CAN № 2.

    2. A004WGBE02
      Обозначения на рисунке
      *a

      Вид спереди разъема со стороны жгута проводов:

      (к разъему распределительного блока шины CAN № 3)

      *b К разъему распределительного блока шины CAN № 2

      Отсоедините разъем Н113 от разъема распределительного блока шины CAN № 3.

    3. Измерьте сопротивление в соответствии со значениями, приведенными в таблице ниже.

      Номинальное сопротивление
      Подключение диагностического прибора Условие Заданные условия Куда подсоединить
      H113-5 (CANH) - H113-11 (CANL) Провод отсоединен от отрицательного (-) вывода вспомогательной аккумуляторной батареи 108 - 132 Ом Разъем распределительного блока шины CAN № 2

    NG
    OK
  21. ПРОВЕРЬТЕ ШИНУ CAN НА КОРОТКОЕ ЗАМЫКАНИЕ (РАСПРЕДЕЛИТЕЛЬНЫЙ БЛОК ШИНЫ CAN № 3 - ЭБУ ЩИТКА ПРИБОРОВ)


    1. A004XEEE02
      Обозначения на рисунке
      *a

      Вид спереди разъема со стороны жгута проводов:

      (к разъему распределительного блока шины CAN № 3)

      *b К щитку приборов в сборе

      Измерьте сопротивление в соответствии со значениями, приведенными в таблице ниже.

      Номинальное сопротивление
      Подключение диагностического прибора Условие Заданные условия Куда подсоединить
      H113-6 (CANH) - H113-12 (CANL) Провод отсоединен от отрицательного (-) вывода вспомогательной аккумуляторной батареи 108 - 132 Ом Щиток приборов в сборе

    NG
    OK
  22. ПРОВЕРЬТЕ ШИНЫ CAN НА КОРОТКОЕ ЗАМЫКАНИЕ (РАЗЪЕМ РАСПРЕДЕЛИТЕЛЬНОГО БЛОКА № 3 - ЭБУ РАСПРЕДЕЛЕНИЯ ПИТАНИЯ)


    1. Отсоедините разъем H4 ЭБУ распределения питания.

    2. A004XW9E02
      Обозначения на рисунке
      *a

      Вид спереди разъема со стороны жгута проводов:

      (к разъему распределительного блока шины CAN № 3)

      *b к ЭБУ распределения питания

      Измерьте сопротивление в соответствии со значениями, приведенными в таблице ниже.

      Номинальное сопротивление
      Подключение диагностического прибора Условие Заданные условия
      H113-4 (CANH) - H113-10 (CANL) Провод отсоединен от отрицательного (-) вывода вспомогательной аккумуляторной батареи 1 МОм или более

    NG
    OK
  23. ПРОВЕРЬТЕ ШИНУ CAN НА КОРОТКОЕ ЗАМЫКАНИЕ (РАСПРЕДЕЛИТЕЛЬНЫЙ БЛОК ШИНЫ CAN № 3 - ЭБУ ТРАНСМИССИИ)


    1. Отсоедините разъем А22 ЭБУ трансмиссии.

    2. A004YI3E02
      Обозначения на рисунке
      *a

      Вид спереди разъема со стороны жгута проводов:

      (к разъему распределительного блока шины CAN № 3)

      *b к ЭБУ трансмиссии в сборе

      Отсоедините разъем А58 от разъема распределительного блока шины CAN № 3.

    3. Измерьте сопротивление в соответствии со значениями, приведенными в таблице ниже.

      Номинальное сопротивление
      Подключение диагностического прибора Условие Заданные условия
      A58-1 (CANH) - A58-7 (CANL) Провод отсоединен от отрицательного (-) вывода вспомогательной аккумуляторной батареи 1 МОм или более

    NG
    OK
  24. ПРОВЕРЬТЕ ШИНУ CAN НА КОРОТКОЕ ЗАМЫКАНИЕ (РАЗЪЕМ РАСПРЕДЕЛИТЕЛЬНОГО БЛОКА ШИНЫ CAN № 3)


    1. Повторно подсоедините разъемы А58 и Н113 к разъему распределительного блока шины CAN № 3.

    2. A004Y9HE05
      Обозначения на рисунке
      *1 DLC3

      Измерьте сопротивление в соответствии со значениями, приведенными в таблице ниже.

      Номинальное сопротивление
      Подключение диагностического прибора Условие Заданные условия
      H44-6 (CANH) - H44-14 (CANL) Провод отсоединен от отрицательного (-) вывода вспомогательной аккумуляторной батареи 54 - 69 Ом

      Note


      • Сопротивление необходимо измерять после подсоединения ЭБУ (ECM и щитка приборов), соединенных главной шиной, и распределительных блоков шины CAN № 1, № 2 и № 3.

      • Сопротивление необходимо измерять после отсоединения всех ЭБУ, соединенных вспомогательными шинами с распределительным блоком шины CAN № 3.


    NG
    OK
  25. ПРОВЕРЬТЕ ПОДКЛЮЧЕННОЕ УСТРОЙСТВО НА КОРОТКОЕ ЗАМЫКАНИЕ (ЭБУ, ДАТЧИК)


    1. A004Y9HE05
      Обозначения на рисунке
      *1 DLC3

      Подсоедините щупы омметра к контактам 6 (CANH) и 14 (CANL) разъема DLC3.

    2. Измеряя сопротивление с помощью омметра, поочередно подсоединяйте разъемы ЭБУ и датчиков, пока сопротивление не станет ниже допустимого (менее 54 Ом).

      Tech Tips

      Если при подключении ЭБУ сопротивление уменьшается ниже допустимого, возможно короткое замыкание в ЭБУ.


    ДАЛЕЕ