СИСТЕМА ПЕРЕДАЧИ ДАННЫХ CAN Прекращение обмена данными с ЭБУ предупреждения о недопустимой дистанции

ОПИСАНИЕ

Неисправность Признак Неисправный участок
Прекращение обмена данными с ЭБУ предупреждения о недопустимой дистанции

Выполняется любое из следующих условий:


  • На экране "Communication Bus Check" (проверка шины передачи данных) GTS для параметра "Clearance Warning (Clearance Sonar)" отображается прекращение обмена данными.

  • Выводимые коды DTC системы передачи данных (начинающиеся на U) соответствуют "Режиму прекращения обмена данными с ЭБУ предупреждения о недопустимой дистанции" в "Таблице комбинаций кодов DTC".


  • Вспомогательная шина или разъем ЭБУ предупреждения о недопустимой дистанции

  • Цепь питания ЭБУ предупреждения о недопустимой дистанции в сборе

  • Цепь массы ЭБУ предупреждения о недопустимой дистанции

  • ЭБУ предупреждения о недопустимой дистанции

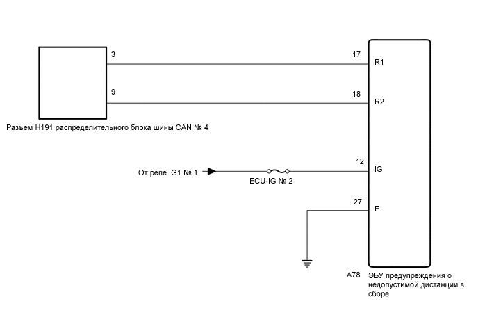
СХЕМА ЭЛЕКТРИЧЕСКИХ СОЕДИНЕНИЙ

B001MMTE46

ПРЕДОСТЕРЕЖЕНИЕ / ПРИМЕЧАНИЕ / УКАЗАНИЕ

Note


  • Так как порядок проведения диагностики важен для получения корректных результатов, начните поиск неисправностей с раздела "Порядок поиска неисправностей", если выводятся коды DTC, связанные с системой передачей данных CAN.

    Нажмите здесь Click here

  • Перед измерением сопротивления шины CAN, выключите питание и оставьте автомобиль в покое на 1 минуту или более, не приводя в действие ключ, любые другие переключатели и не открывая/закрывая двери. После этого отсоедините провод от отрицательного (-) вывода вспомогательной аккумуляторной батареи и перед измерением сопротивления оставьте автомобиль в покое на 1 минуту или более.

  • После выключения питания следует подождать некоторое время, прежде чем отсоединять провод от отрицательного (-) вывода вспомогательной аккумуляторной батареи. Поэтому, прежде чем приступать к этой работе, обязательно ознакомьтесь с примечанием относительно отсоединения провода от отрицательного (-) вывода вспомогательной аккумуляторной батареи.

    Нажмите здесь Click here

  • После ремонта выполните проверку шины CAN и убедитесь, что все ЭБУ и датчики, подсоединенные к системе передачи данных CAN, отображаются как нормальные.

    Нажмите здесь Click here

  • Перед выполнением последующей процедуры проверки проверьте плавкие предохранители цепей, относящихся к данной системе.

Tech Tips


  • Перед отсоединением связанных компонентов для проверки нажмите на корпус каждого разъема, чтобы убедиться, что разъем не ослаблен и не отсоединен.

  • Если разъем отсоединен, убедитесь, что контакты и корпус разъема не имеют трещин, не деформированы и не подверглись коррозии.

ПОРЯДОК ВЫПОЛНЕНИЯ


  1. ПРОВЕРЬТЕ ЛИНИИ ШИНЫ CAN НА ОБРЫВ (ВСПОМОГАТЕЛЬНАЯ ШИНА ЭБУ ПРЕДУПРЕЖДЕНИЯ О НЕДОПУСТИМОЙ ДИСТАНЦИИ)


    1. Отсоедините провод от отрицательного (-) вывода вспомогательной аккумуляторной батареи.

    2. Отсоедините разъем А78 ЭБУ предупреждения о недопустимой дистанции.

    3. B001M3ZC25
      *a

      Вид спереди разъема со стороны жгута проводов:

      (к ЭБУ предупреждения о недопустимой дистанции)

      Измерьте сопротивление в соответствии со значениями, приведенными в таблице ниже.

      Номинальное сопротивление
      Подключение диагностического прибора Условие Заданные условия
      A78-17 (R1) - A78-18 (R2) Провод отсоединен от отрицательного (-) вывода вспомогательной аккумуляторной батареи 54 - 69 Ом
      Результат
      Результат
      OK
      NG

    NG
    OK
  2. ПРОВЕРЬТЕ ЖГУТ ПРОВОДОВ И РАЗЪЕМ (ЦЕПЬ ПИТАНИЯ)


    1. B001M3ZC26
      *a

      Вид спереди разъема со стороны жгута проводов:

      (к ЭБУ предупреждения о недопустимой дистанции)

      Измерьте сопротивление в соответствии со значениями, приведенными в таблице ниже.

      Номинальное сопротивление
      Подключение диагностического прибора Значение Заданные условия
      A78-27 (E) - масса Провод отсоединен от отрицательного (-) вывода вспомогательной аккумуляторной батареи Менее 1 Ом
    2. Подсоедините провод к отрицательному (-) выводу вспомогательной аккумуляторной батареи.

    3. Измерьте напряжение в соответствии со значениями, приведенными в таблице.

      Номинальное напряжение
      Подключение диагностического прибора Значение Заданные условия
      A78-12 (IG) - масса Питание включено (IG) 11 - 14 В
      Результат
      Результат
      OK
      NG

    OK
    NG