СИСТЕМА ПЕРЕДАЧИ ДАННЫХ CAN, Diagnostic DTC:U1002

Код DTC Наименование DTC
U1002 Нарушение обмена данными с блоком сетевого шлюза (Power Management1)

ОПИСАНИЕ


№ DTC Условие обнаружения DTC Неисправный участок
U1002 ЭБУ распределения питания не получает сигналы от всех ЭБУ, которые были сохранены в памяти как блоки, подключенные к шине V2.
  • Обрыв или короткое замыкание в главной шине V2 или разъеме

  • Обрыв или короткое замыкание во вспомогательной шине V2 или разъеме

  • ЭБУ распределения питания

  • ЭБУ помощи при движении в сборе*1

  • ЭБУ ремней безопасности*1

  • ЭБУ предупреждения о недопустимой дистанции*2

  • Задняя телекамера в сборе*3

  • Разъем распределительного блока шины CAN № 4

*1: для моделей с предаварийной системой безопасности

*2: для моделей с сенсорной системой помощи при парковке LEXUS

*3: для моделей с системой помощи при парковке (для моделей без функции помощи при параллельной парковке)

Tech Tips

Данный порядок выполнения диагностики предназначен для случаев, когда ЭБУ распределения питания выводит код DTC U1002 (на экране GTS отображается: PM1 Gateway).

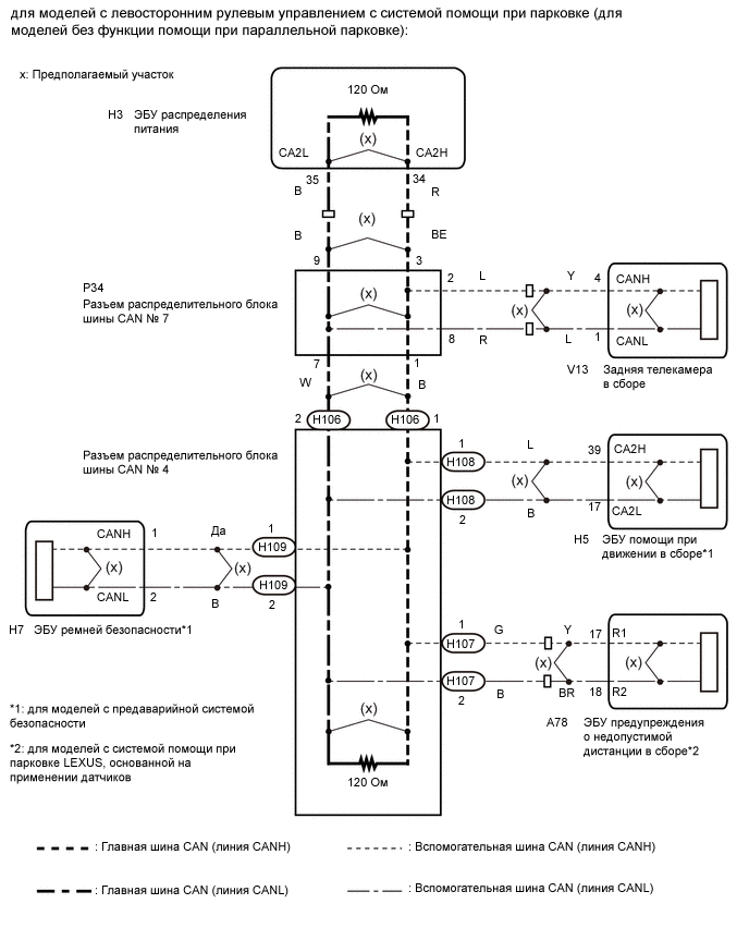
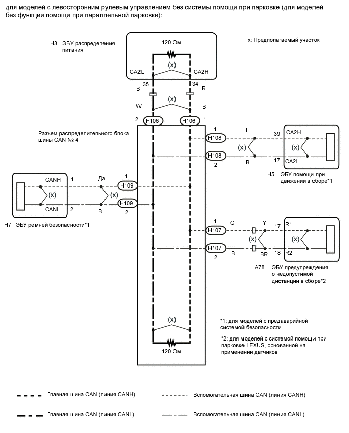
СХЕМА ЭЛЕКТРИЧЕСКИХ СОЕДИНЕНИЙ

A004YPUE08
A004XLAE06
A004YPUE09

ПРЕДОСТЕРЕЖЕНИЕ / ПРИМЕЧАНИЕ / УКАЗАНИЕ

Note


  • После выключения питания следует подождать некоторое время, прежде чем отсоединять провод от отрицательного (-) вывода вспомогательной аккумуляторной батареи. Поэтому, прежде чем приступать к этой работе, обязательно ознакомьтесь с примечаниями относительно отсоединения провода от отрицательного (-) вывода вспомогательной аккумуляторной батареи (см. стр. Click here).

  • Выключите питание перед измерением сопротивления между главными и вспомогательными шинами CAN.

  • Выключите питание перед проверкой короткого замыкания шины CAN на массу.

  • После выключения питания убедитесь, что система оповещения о ключе, оставленном в замке зажигания, и система оповещения о невыключенном освещении не активированы.

  • Перед измерением сопротивления оставьте автомобиль на 1 минуту "как он есть", не трогая выключатель питания, другие переключатели и двери. Если необходимо открыть какую-либо дверь для проверки разъемов, откройте двери и не закрывайте их.

Tech Tips


  • Управление выключателем питания, какими-либо выключателями или дверями приводит к обмену данными между ЭБУ и датчиками по шине CAN. При осуществлении обмена данными сопротивление изменяется.

  • Если DTC регистрируется при непродолжительном движении на автомобиле даже после удаления кодов DTC, неисправность может возникать вследствие вибрации автомобиля. В подобных случаях необходимо пошевелить разъемы ЭБУ или жгутов проводов во время проверки, чтобы установить причину неисправности.

ПОРЯДОК ВЫПОЛНЕНИЯ


  1. ПРОВЕРЬТЕ ТИП АВТОМОБИЛЯ


    1. Проверьте тип автомобиля.

      Результат
      Результат Перейти к
      для моделей с системой помощи при парковке (для моделей без функции помощи при параллельной парковке) А
      для моделей без системы помощи при парковке (для моделей без функции помощи при параллельной парковке) B

    B
    А
  2. ПРОВЕРЬТЕ ШИНУ V2


    1. Отсоедините провод от отрицательного (-) вывода вспомогательной аккумуляторной батареи.

    2. A004XPYE02
      Обозначения на рисунке
      *a

      Устройство с подсоединенным жгутом проводов

      (ЭБУ распределения питания)

      Измерьте сопротивление в соответствии со значениями, приведенными в таблице ниже.

      Номинальное сопротивление
      Подключение диагностического прибора Условие Заданные условия Результат
      H3-34 (CA2H) - H3-35 (CA2L) Провод отсоединен от отрицательного (-) вывода вспомогательной аккумуляторной батареи 54 - 69 Ом

      Менее 54 Ом:

      Короткое замыкание между шинами

      70 Ом или более:

      Обрыв в главной шине

      H3-34 (CA2H) - H3-6 (E1) Провод отсоединен от отрицательного (-) вывода вспомогательной аккумуляторной батареи 200 Ом или более

      Менее 200 Ом:

      Короткое замыкание CANH на массу

      H3-35 (CA2L) - H3-6 (E1) Провод отсоединен от отрицательного (-) вывода вспомогательной аккумуляторной батареи 200 Ом или более

      Менее 200 Ом:

      Короткое замыкание CANL на массу

      H3-34 (CA2H) - H3-1 (AM22) Провод отсоединен от отрицательного (-) вывода вспомогательной аккумуляторной батареи 6 кОм или более

      Менее 6 кОм:

      Короткое замыкание CANH на +B

      H3-35 (CA2L) - H3-1 (AM22) Провод отсоединен от отрицательного (-) вывода вспомогательной аккумуляторной батареи 6 кОм или более

      Менее 6 кОм:

      Короткое замыкание CANL на +B

      Результат
      Результат Перейти к
      OK А
      Обрыв в главной шине CAN B
      Короткое замыкание между шинами C

      • Короткое замыкание на массу

      • Замыкание на +B

      D

    B
    C
    D
    А
  3. ПРОВЕРЬТЕ, ВЫВОДЯТСЯ ЛИ DTC


    1. Подсоедините провод к отрицательному (-) выводу вспомогательной аккумуляторной батареи.

    2. Подключите GTS к DLC3.

    3. Включите зажигание (IG).

    4. Включите GTS.

    5. Удалите коды DTC.

    6. Выключите питание.

    7. Включите питание (IG) и проверьте наличие кодов DTC.

      Результат
      Результат Перейти к

      ЭБУ распределения питания выводит код U1002

      (дисплей GTS: PM1 Gateway)

      А
      Выводится другой DTC B

    А
    B
  4. ПРОВЕРЬТЕ ГЛАВНЫЕ ЛИНИИ ШИНЫ V2 НА НАЛИЧИЕ РАЗРЫВА (ЭБУ РАСПРЕДЕЛЕНИЯ ПИТАНИЯ)


    1. A004X19E02
      Обозначения на рисунке
      *a

      Вид сзади разъема со стороны жгута проводов

      (к ЭБУ распределения питания)

      Отсоедините разъем Н3 ЭБУ распределения питания.

    2. Измерьте сопротивление в соответствии со значениями, приведенными в таблице ниже.

      Номинальное сопротивление
      Подключение диагностического прибора Условие Заданные условия
      H3-34 (CA2H) - H3-35 (CA2L) Провод отсоединен от отрицательного (-) вывода вспомогательной аккумуляторной батареи 108 - 132 Ом

    OK
    NG
  5. ПРОВЕРЬТЕ ГЛАВНЫЕ ЛИНИИ ШИНЫ V2 НА НАЛИЧИЕ РАЗРЫВА (РАСПРЕДЕЛИТЕЛЬНЫЙ БЛОК ШИНЫ CAN № 7)


    1. Повторно подсоедините разъем H3 ЭБУ распределения питания.

    2. Отсоедините разъем Р34 от разъема распределительного блока шины CAN № 7.

    3. A0050BDE02
      Обозначения на рисунке
      *a

      Вид спереди разъема со стороны жгута проводов:

      (к разъему распределительного блока шины CAN № 7)

      *b К разъему распределительного блока шины CAN № 4
      *c к ЭБУ распределения питания

      Измерьте сопротивление в соответствии со значениями, приведенными в таблице ниже.

      Номинальное сопротивление
      Подключение диагностического прибора Условие Заданные условия Куда подсоединить
      P34-1 (CANH) - P34-7 (CANL) Провод отсоединен от отрицательного (-) вывода вспомогательной аккумуляторной батареи 108 - 132 Ом Разъем распределительного блока шины CAN № 4
      P34-3 (CANH) - P34-9 (CANL) Провод отсоединен от отрицательного (-) вывода вспомогательной аккумуляторной батареи 108 - 132 Ом ЭБУ распределения питания
      Результат
      Результат Перейти к
      OK А
      NG (главная линия ЭБУ распределения питания) B
      NG (главная линия разъема распределительного блока шины CAN № 4) C

    А
    B
    C
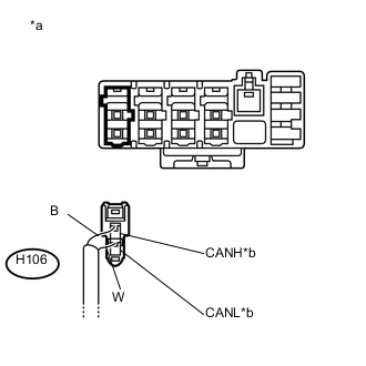
  6. ПРОВЕРЬТЕ ГЛАВНЫЕ ЛИНИИ ШИНЫ V2 НА НАЛИЧИЕ ОБРЫВА (РАЗЪЕМ РАСПРЕДЕЛИТЕЛЬНОГО БЛОКА ШИНЫ CAN № 4 - РАЗЪЕМ РАСПРЕДЕЛИТЕЛЬНОГО БЛОКА ШИНЫ CAN № 7)


    1. Повторно подсоедините разъем Р34 к разъему распределительного блока шины CAN № 7.

    2. A00506IE02
      Обозначения на рисунке
      *a

      Вид сзади разъема со стороны жгута проводов

      (к разъему распределительного блока шины CAN № 4)

      *b К разъему распределительного блока шины CAN № 7

      Отсоедините разъем Н106 от разъема распределительного блока шины CAN № 4.

    3. Измерьте сопротивление в соответствии со значениями, приведенными в таблице ниже.

      Номинальное сопротивление
      Подключение диагностического прибора Условие Заданные условия Куда подсоединить
      H106-1 (CANH) - H106-2 (CANL) Провод отсоединен от отрицательного (-) вывода вспомогательной аккумуляторной батареи 108-132 Ом Разъем распределительного блока шины CAN № 7

    OK
    NG
  7. ПРОВЕРЬТЕ ЛИНИИ ШИНЫ V2 НА НАЛИЧИЕ КОРОТКОГО ЗАМЫКАНИЯ (ЭБУ РАСПРЕДЕЛЕНИЯ ПИТАНИЯ)


    1. A004X19E02
      Обозначения на рисунке
      *a

      Вид сзади разъема со стороны жгута проводов

      (к ЭБУ распределения питания)

      Отсоедините разъем Н3 ЭБУ распределения питания.

    2. Измерьте сопротивление в соответствии со значениями, приведенными в таблице ниже.

      Номинальное сопротивление
      Подключение диагностического прибора Условие Заданные условия
      H3-34 (CA2H) - H3-35 (CA2L) Провод отсоединен от отрицательного (-) вывода вспомогательной аккумуляторной батареи 108 - 132 Ом

    OK
    NG
  8. ПРОВЕРЬТЕ ЛИНИИ ШИНЫ V2 НА НАЛИЧИЕ КОРОТКОГО ЗАМЫКАНИЯ (РАЗЪЕМ РАСПРЕДЕЛИТЕЛЬНОГО БЛОКА ШИНЫ CAN № 7)


    1. Повторно подсоедините разъем H3 ЭБУ распределения питания.

    2. Отсоедините разъем Р34 от разъема распределительного блока шины CAN № 7.

    3. A004ZJUE02
      Обозначения на рисунке
      *a

      Вид спереди разъема со стороны жгута проводов:

      (к разъему распределительного блока шины CAN № 7)

      *b К разъему распределительного блока шины CAN № 4
      *c к задней телекамере в сборе
      *d к ЭБУ распределения питания

      Измерьте сопротивление в соответствии со значениями, приведенными в таблице ниже.

      Номинальное сопротивление
      Подключение диагностического прибора Условие Заданные условия Куда подсоединить
      P34-1 (CANH) - P34-7 (CANL) Провод отсоединен от отрицательного (-) вывода вспомогательной аккумуляторной батареи 108-132 Ом Разъем распределительного блока шины CAN № 4
      P34-2 (CANH) - P34-8 (CANL) Провод отсоединен от отрицательного (-) вывода вспомогательной аккумуляторной батареи 200 Ом или более Задняя телекамера в сборе
      P34-3 (CANH) - P34-9 (CANL) Провод отсоединен от отрицательного (-) вывода вспомогательной аккумуляторной батареи 108-132 Ом ЭБУ распределения питания
      Результат
      Результат Следующий шаг
      OK А
      NG (главная линия ЭБУ распределения питания) B
      NG (Задняя телекамера в сборе) C
      NG (главная шина распределительного блока шины CAN № 4) D

    А
    B
    D
    C
  9. ПРОВЕРЬТЕ ЛИНИИ ШИНЫ V2 НА НАЛИЧИЕ КОРОТКОГО ЗАМЫКАНИЯ (ЗАДНЯЯ ТЕЛЕКАМЕРА В СБОРЕ)


    1. Повторно подсоедините разъем Р34 к разъему распределительного блока шины CAN № 7.

    2. Отсоедините разъем V13 задней телекамеры в сборе.

    3. A004WCTE02
      Обозначения на рисунке
      *a

      Устройство с подсоединенным жгутом проводов

      (ЭБУ распределения питания)

      Измерьте сопротивление в соответствии со значениями, приведенными в таблице ниже.

      Номинальное сопротивление
      Подключение диагностического прибора Условие Заданные условия
      H3-34 (CA2H) - H3-35 (CA2L) Провод отсоединен от отрицательного (-) вывода вспомогательной аккумуляторной батареи 54 - 69 Ом

      Tech Tips

      Если при отсоединении разъема от задней телекамеры в сборе сопротивление стало нормальным (54–69 Ом), возможно наличие короткого замыкания в задней телекамере в сборе.


    OK
    NG
  10. ПРОВЕРЬТЕ ЛИНИИ ШИНЫ V2 НА НАЛИЧИЕ КОРОТКОГО ЗАМЫКАНИЯ (РАЗЪЕМ РАСПРЕДЕЛИТЕЛЬНОГО БЛОКА ШИНЫ CAN № 4 - РАЗЪЕМ РАСПРЕДЕЛИТЕЛЬНОГО БЛОКА ШИНЫ CAN № 7)


    1. Повторно подсоедините разъем Р34 к разъему распределительного блока шины CAN № 7.

    2. A004YOSE01
      Обозначения на рисунке
      *a

      Вид сзади разъема со стороны жгута проводов

      (к разъему распределительного блока шины CAN № 4)

      *b К разъему распределительного блока шины CAN № 7

      Отсоедините разъем Н106 от разъема распределительного блока шины CAN № 4.

    3. Измерьте сопротивление в соответствии со значениями, приведенными в таблице ниже.

      Номинальное сопротивление
      Подключение диагностического прибора Условие Заданные условия Куда подсоединить
      H106-1 (CANH) - H106-2 (CANL) Провод отсоединен от отрицательного (-) вывода вспомогательной аккумуляторной батареи 108 - 132 Ом Разъем распределительного блока шины CAN № 7

    NG
    OK
  11. ПРОВЕРЬТЕ ШИНУ V2 НА КОРОТКОЕ ЗАМЫКАНИЕ (РАСПРЕДЕЛИТЕЛЬНЫЙ БЛОК ШИНЫ CAN № 4)


    1. Повторно подсоедините разъем Н106 к разъему распределительного блока шины CAN № 4.

    2. A004WCTE02
      Обозначения на рисунке
      *a

      Устройство с подсоединенным жгутом проводов

      (ЭБУ распределения питания)

      Подсоедините щупы омметра к контактам 34 (CA2H) и 35 (CA2L) разъема Н3 ЭБУ распределения питания.

    3. Измеряя сопротивление с помощью омметра, отсоединяйте разъемы вспомогательной шины (кроме H106) от разъема распределительного блока шины CAN № 4, пока сопротивление не будет находиться в пределах номинального диапазона (54 - 69 Ом).

      A004YFQE02
      Обозначения на рисунке
      *1 Разъем распределительного блока шины CAN № 4 - -
      *a Со стороны разъема распределительного блока B *b Со стороны разъема распределительного блока A
      *c Вывод соединения с массой *d

      Вид спереди разъема со стороны жгута проводов:

      (к разъему распределительного блока шины CAN № 4)

      Со стороны разъема распределительного блока A
      Номера контактов (обозначения) Цвет проводки Куда подсоединить
      H111-1 (GND) W-B Масса
      H106-1 (CANH) B Разъем распределительного блока шины CAN № 7
      H106-2 (CANL) W
      H107-1 (CANH) G ЭБУ предупреждения о недопустимой дистанции
      H107-2 (CANL) B
      H108-1 (CANH) L ЭБУ помощи при движении в сборе
      H108-2 (CANL) B
      H109-1 (CANH) Y ЭБУ ремней безопасности
      H109-2 (CANL) B

      Tech Tips


      • Разъемы, подключенные к распределительному блоку шины CAN, можно различать по цвету шин.

      • Подсоединение разъемов к ненадлежащим местам распределительного блока шины CAN не влияет на работу системы.

        Результат
        Результат Перейти к

        Когда все указанные разъемы отсоединены, сопротивление по-прежнему составляет менее 54 Ом.

        (Короткие замыкания во вспомогательных шинах отсутствуют.)

        A

        Когда разъем отсоединен, сопротивление становится нормальным (54–69 Ом).

        (Короткое замыкание в одной или нескольких вспомогательных шинах.)

        B

    А
    B
  12. ПРОВЕРЬТЕ ЛИНИИ ШИНЫ V2 НА НАЛИЧИЕ КОРОТКОГО ЗАМЫКАНИЯ (ЭБУ РАСПРЕДЕЛЕНИЯ ПИТАНИЯ)


    1. A004Z73E02
      Обозначения на рисунке
      *a

      Вид сзади разъема со стороны жгута проводов

      (к ЭБУ распределения питания)

      Отсоедините разъем Н3 ЭБУ распределения питания.

    2. Измерьте сопротивление в соответствии со значениями, приведенными в таблице ниже.

      Номинальное сопротивление
      Подключение диагностического прибора Условие Заданные условия Назначение
      H3-34 (CA2H) - H3-6 (E1) Провод отсоединен от отрицательного (-) вывода вспомогательной аккумуляторной батареи 200 Ом или более Проверка CANH на короткое замыкание на массу
      H3-35 (CA2L) - H3-6 (E1) Провод отсоединен от отрицательного (-) вывода вспомогательной аккумуляторной батареи 200 Ом или более Проверка CANL на короткое замыкание на массу
      H3-34 (CA2H) - H3-1 (AM22) Провод отсоединен от отрицательного (-) вывода вспомогательной аккумуляторной батареи 6 кОм или более Проверка CANH на короткое замыкание на +B
      H3-35 (CA2L) - H3-1 (AM22) Провод отсоединен от отрицательного (-) вывода вспомогательной аккумуляторной батареи 6 кОм или более Проверка CANL на короткое замыкание на +B

      Tech Tips

      Для достижения результата (короткое замыкание), полученного при проверке шины V2, необходимо лишь выполнить проверку, указанную в приведенной выше таблице.

      Найдите в столбце "Назначение" необходимую проверку, которая соответствует результату в столбце "Результат" для проверки шины V2.


    OK
    NG
  13. ПРОВЕРЬТЕ ЛИНИИ ШИНЫ V2 НА НАЛИЧИЕ КОРОТКОГО ЗАМЫКАНИЯ (РАЗЪЕМ РАСПРЕДЕЛИТЕЛЬНОГО БЛОКА ШИНЫ CAN № 7)


    1. Отсоедините разъем Р34 от разъема распределительного блока шины CAN № 7.

    2. Измерьте сопротивление в соответствии со значениями, приведенными в таблице ниже.

      A004XHHE02
      Обозначения на рисунке
      *1 DLC3 - -
      *a

      Вид спереди разъема со стороны жгута проводов:

      (к разъему распределительного блока шины CAN № 7)

      *b К разъему распределительного блока шины CAN № 4
      *c к задней телекамере в сборе *d к ЭБУ распределения питания
      Номинальное сопротивление
      Подключение диагностического прибора Условие Заданные условия Назначение Куда подсоединить
      P34-1 (CANH) - H44-4 (CG) Провод отсоединен от отрицательного (-) вывода вспомогательной аккумуляторной батареи 200 Ом или более Проверка CANH на короткое замыкание на массу Разъем распределительного блока шины CAN № 4
      P34-7 (CANL) - H44-4 (CG) Провод отсоединен от отрицательного (-) вывода вспомогательной аккумуляторной батареи 200 Ом или более Проверка CANL на короткое замыкание на массу
      P34-2 (CANH) - H44-4 (CG) Провод отсоединен от отрицательного (-) вывода вспомогательной аккумуляторной батареи 200 Ом или более Проверка CANH на короткое замыкание на массу Задняя телекамера в сборе
      P34-8 (CANL) - H44-4 (CG) Провод отсоединен от отрицательного (-) вывода вспомогательной аккумуляторной батареи 200 Ом или более Проверка CANL на короткое замыкание на массу
      P34-3 (CANH) - H44-4 (CG) Провод отсоединен от отрицательного (-) вывода вспомогательной аккумуляторной батареи 200 Ом или более Проверка CANH на короткое замыкание на массу ЭБУ распределения питания
      P34-9 (CANL) - H44-4 (CG) Провод отсоединен от отрицательного (-) вывода вспомогательной аккумуляторной батареи 200 Ом или более Проверка CANL на короткое замыкание на массу
      P34-1 (CANH) - H44-16 (BAT) Провод отсоединен от отрицательного (-) вывода вспомогательной аккумуляторной батареи 6 кОм или более Проверка CANH на короткое замыкание на +B Разъем распределительного блока шины CAN № 4
      P34-7 (CANL) - H44-16 (BAT) Провод отсоединен от отрицательного (-) вывода вспомогательной аккумуляторной батареи 6 кОм или более Проверка CANL на короткое замыкание на +B
      P34-2 (CANH) - H44-16 (BAT) Провод отсоединен от отрицательного (-) вывода вспомогательной аккумуляторной батареи 6 кОм или более Проверка CANH на короткое замыкание на +B Задняя телекамера в сборе
      P34-8 (CANL) - H44-16 (BAT) Провод отсоединен от отрицательного (-) вывода вспомогательной аккумуляторной батареи 6 кОм или более Проверка CANL на короткое замыкание на +B
      P34-3 (CANH) - H44-16 (BAT) Провод отсоединен от отрицательного (-) вывода вспомогательной аккумуляторной батареи 6 кОм или более Проверка CANH на короткое замыкание на +B ЭБУ распределения питания
      P34-9 (CANL) - H44-16 (BAT) Провод отсоединен от отрицательного (-) вывода вспомогательной аккумуляторной батареи 6 кОм или более Проверка CANL на короткое замыкание на +B
      Результат Следующий шаг
      OK А
      NG (главная линия ЭБУ распределения питания) B
      NG (задняя телекамера в сборе) C
      NG (главная линия разъема распределительного блока шины CAN № 4) D

    А
    B
    D
    C
  14. ПРОВЕРЬТЕ ЛИНИИ ШИНЫ V2 НА НАЛИЧИЕ КОРОТКОГО ЗАМЫКАНИЯ (ЗАДНЯЯ ТЕЛЕКАМЕРА В СБОРЕ)


    1. Повторно подсоедините разъем Р34 к разъему распределительного блока шины CAN № 7.

    2. Отсоедините разъем V13 задней телекамеры в сборе.

    3. A004Z73E02
      Обозначения на рисунке
      *a

      Вид сзади разъема со стороны жгута проводов

      (к ЭБУ распределения питания)

      Измерьте сопротивление в соответствии со значениями, приведенными в таблице ниже.

      Номинальное сопротивление
      Подключение диагностического прибора Условие Заданные условия Назначение
      H3-34 (CA2H) - H3-6 (E1) Провод отсоединен от отрицательного (-) вывода вспомогательной аккумуляторной батареи 200 Ом или более Проверка CANH на короткое замыкание на массу
      H3-35 (CA2L) - H3-6 (E1) Провод отсоединен от отрицательного (-) вывода вспомогательной аккумуляторной батареи 200 Ом или более Проверка CANL на короткое замыкание на массу
      H3-34 (CA2H) - H3-1 (AM22) Провод отсоединен от отрицательного (-) вывода вспомогательной аккумуляторной батареи 6 кОм или более Проверка CANH на короткое замыкание на +B
      H3-35 (CA2L) - H3-1 (AM22) Провод отсоединен от отрицательного (-) вывода вспомогательной аккумуляторной батареи 6 кОм или более Проверка CANL на короткое замыкание на +B

      Tech Tips


      • Для достижения результата (короткое замыкание), полученного при проверке шины V2, необходимо лишь выполнить проверку, указанную в приведенной выше таблице.

        Найдите в столбце "Назначение" необходимую проверку, которая соответствует результату в столбце "Результат" для проверки шины V2.

      • Если при отсоединении разъема от задней телекамеры в сборе сопротивление стало нормальным, возможно наличие короткого замыкания в задней телекамере в сборе.


    OK
    NG
  15. ПРОВЕРЬТЕ ЛИНИИ ШИНЫ V2 НА НАЛИЧИЕ КОРОТКОГО ЗАМЫКАНИЯ (РАЗЪЕМ РАСПРЕДЕЛИТЕЛЬНОГО БЛОКА ШИНЫ CAN № 4 - РАЗЪЕМ РАСПРЕДЕЛИТЕЛЬНОГО БЛОКА ШИНЫ CAN № 7)


    1. Повторно подсоедините разъем Р34 к разъему распределительного блока шины CAN № 7.

    2. A004YOSE01
      Обозначения на рисунке
      *a

      Вид сзади разъема со стороны жгута проводов

      (к разъему распределительного блока шины CAN № 4)

      *b К разъему распределительного блока шины CAN № 7

      Отсоедините разъем Н106 от разъема распределительного блока шины CAN № 4.

    3. A004Z73E02
      Обозначения на рисунке
      *a

      Вид сзади разъема со стороны жгута проводов

      (к ЭБУ распределения питания)

      Измерьте сопротивление в соответствии со значениями, приведенными в таблице ниже.

      Номинальное сопротивление
      Подключение диагностического прибора Условие Заданные условия Назначение
      H3-34 (CA2H) - H3-6 (E1) Провод отсоединен от отрицательного (-) вывода вспомогательной аккумуляторной батареи 200 Ом или более Проверка CANH на короткое замыкание на массу
      H3-35 (CA2L) - H3-6 (E1) Провод отсоединен от отрицательного (-) вывода вспомогательной аккумуляторной батареи 200 Ом или более Проверка CANL на короткое замыкание на массу
      H3-34 (CA2H) - H3-1 (AM22) Провод отсоединен от отрицательного (-) вывода вспомогательной аккумуляторной батареи 6 кОм или более Проверка CANH на короткое замыкание на +B
      H3-35 (CA2L) - H3-1 (AM22) Провод отсоединен от отрицательного (-) вывода вспомогательной аккумуляторной батареи 6 кОм или более Проверка CANL на короткое замыкание на +B

      Tech Tips

      Для достижения результата (короткое замыкание), полученного при проверке шины V2, необходимо лишь выполнить проверку, указанную в приведенной выше таблице.

      Найдите в столбце "Назначение" необходимую проверку, которая соответствует результату в столбце "Результат" для проверки шины V2.


    NG
    OK
  16. ПРОВЕРЬТЕ ШИНУ V2 НА КОРОТКОЕ ЗАМЫКАНИЕ (РАСПРЕДЕЛИТЕЛЬНЫЙ БЛОК ШИНЫ CAN № 4)


    1. Повторно подсоедините разъем Н106 к разъему распределительного блока шины CAN № 4.

    2. A004Z73E02
      Обозначения на рисунке
      *a

      Вид сзади разъема со стороны жгута проводов

      (к ЭБУ распределения питания)

      Подсоедините щупы омметра к контактам CANH или CANL и контактам GND или +B (AM22) ЭБУ распределения питания.

      Tech Tips

      Для достижения результата (короткое замыкание), полученного при проверке шины V2, необходимо лишь выполнить проверку.

    3. Измеряя сопротивление с помощью омметра, отсоединяйте разъемы вспомогательной шины (кроме H106) от разъема распределительного блока шины CAN № 4, пока сопротивление не будет находиться в пределах номинального диапазона (не менее 6 кОм для короткого замыкания на +B или не менее 200 Ом для короткого замыкания на массу).

      A004YFQE02
      Обозначения на рисунке
      *1 Разъем распределительного блока шины CAN № 4 - -
      *a Со стороны разъема распределительного блока B *b Со стороны разъема распределительного блока A
      *c Вывод соединения с массой *d

      Вид спереди разъема со стороны жгута проводов:

      (к разъему распределительного блока шины CAN № 4)

      Со стороны разъема распределительного блока A
      Номера контактов (обозначения) Цвет проводки Куда подсоединить
      H111-1 (GND) W-B Масса
      H106-1 (CANH) B Разъем распределительного блока шины CAN № 7
      H106-2 (CANL) W
      H107-1 (CANH) G ЭБУ предупреждения о недопустимой дистанции
      H107-2 (CANL) B
      H108-1 (CANH) L ЭБУ помощи при движении в сборе
      H108-2 (CANL) B
      H109-1 (CANH) Y ЭБУ ремней безопасности
      H109-2 (CANL) B

      Tech Tips


      • Разъемы, подключенные к распределительному блоку шины CAN, можно различать по цвету шин.

      • Подсоединение разъемов к ненадлежащим местам распределительного блока шины CAN не влияет на работу системы.

        Результат
        Результат Перейти к

        Сопротивление между контактами CANH и BAT или между контактами CANL и BAT продолжает оставаться ниже 6 кОм в случае, когда все указанные разъемы отсоединены от распределительного блока шины CAN.

        (Короткие замыкания на +B во вспомогательных шинах отсутствуют.)

        A

        Сопротивление между контактами CANH и GND или между контактами CANL и GND продолжает оставаться ниже 200 Ом в случае, когда все указанные разъемы отсоединены от распределительного блока шины CAN.

        (Короткие замыкания на GND во вспомогательных шинах отсутствуют.)

        Сопротивление между контактами CANH и BAT или между контактами CANL и BAT приходит в норму (не менее 6 кОм) в случае, когда разъем отключается от распределительного блока шины CAN.

        (Есть короткое замыкание на +B в одном из устройств, связанных с одной или несколькими тсоединенными вспомогательными шинами.)

        B

        Сопротивление между контактами CANH и GND или между контактами CANL и GND приходит в норму (не менее 200 Ом) в случае, когда разъем отключается от распределительного блока шины CAN.

        Есть короткое замыкание на GND в одном из устройств, связанных с одной или несколькими отсоединенными вспомогательными шинами.


    A
    B
  17. ПРОВЕРЬТЕ ШИНУ V2


    1. Отсоедините провод от отрицательного (-) вывода вспомогательной аккумуляторной батареи.

    2. A004XPYE02
      Обозначения на рисунке
      *a

      Устройство с подсоединенным жгутом проводов

      (ЭБУ распределения питания)

      Измерьте сопротивление в соответствии со значениями, приведенными в таблице ниже.

      Номинальное сопротивление
      Подключение диагностического прибора Условие Заданные условия Результат
      H3-34 (CA2H) - H3-35 (CA2L) Провод отсоединен от отрицательного (-) вывода вспомогательной аккумуляторной батареи 54 - 69 Ом

      Менее 54 Ом:

      Короткое замыкание между шинами

      70 Ом или более:

      Обрыв в главной шине

      H3-34 (CA2H) - H3-6 (E1) Провод отсоединен от отрицательного (-) вывода вспомогательной аккумуляторной батареи 200 Ом или более

      Менее 200 Ом:

      Короткое замыкание CANH на массу

      H3-35 (CA2L) - H3-6 (E1) Провод отсоединен от отрицательного (-) вывода вспомогательной аккумуляторной батареи 200 Ом или более

      Менее 200 Ом:

      Короткое замыкание CANL на массу

      H3-34 (CA2H) - H3-1 (AM22) Провод отсоединен от отрицательного (-) вывода вспомогательной аккумуляторной батареи 6 кОм или более

      Менее 6 кОм:

      Короткое замыкание CANH на +B

      H3-35 (CA2L) - H3-1 (AM22) Провод отсоединен от отрицательного (-) вывода вспомогательной аккумуляторной батареи 6 кОм или более

      Менее 6 кОм:

      Короткое замыкание CANL на +B

      Результат
      Результат Перейти к
      OK А
      Обрыв в главной шине CAN B
      Короткое замыкание между шинами C

      • Короткое замыкание на массу

      • Замыкание на +B

      D

    B
    C
    D
    А
  18. ПРОВЕРЬТЕ, ВЫВОДЯТСЯ ЛИ DTC


    1. Подсоедините провод к отрицательному (-) выводу вспомогательной аккумуляторной батареи.

    2. Подключите GTS к DLC3.

    3. Включите зажигание (IG).

    4. Включите GTS.

    5. Удалите коды DTC.

    6. Выключите питание.

    7. Включите питание (IG) и проверьте наличие кодов DTC.

      Результат
      Результат Перейти к

      ЭБУ распределения питания выводит код U1002

      (дисплей GTS: PM1 Gateway)

      А
      Выводится другой DTC B

    А
    B
  19. ПРОВЕРЬТЕ ГЛАВНЫЕ ЛИНИИ ШИНЫ V2 НА НАЛИЧИЕ РАЗРЫВА (ЭБУ РАСПРЕДЕЛЕНИЯ ПИТАНИЯ)


    1. A004X19E02
      Обозначения на рисунке
      *a

      Вид сзади разъема со стороны жгута проводов

      (к ЭБУ распределения питания)

      Отсоедините разъем Н3 ЭБУ распределения питания.

    2. Измерьте сопротивление в соответствии со значениями, приведенными в таблице ниже.

      Номинальное сопротивление
      Подключение диагностического прибора Условие Заданные условия
      H3-34 (CA2H) - H3-35 (CA2L) Провод отсоединен от отрицательного (-) вывода вспомогательной аккумуляторной батареи 108-132 Ом

    OK
    NG
  20. ПРОВЕРЬТЕ ГЛАВНУЮ ШИНУ V2 НА ОБРЫВ (РАСПРЕДЕЛИТЕЛЬНЫЙ БЛОК ШИНЫ CAN № 4 - ЭБУ РАСПРЕДЕЛЕНИЯ ПИТАНИЯ)


    1. Повторно подсоедините разъем H3 ЭБУ распределения питания.

    2. A004YR2E02
      Обозначения на рисунке
      *A Для моделей с левосторонним рулевым управлением
      *B Для моделей с правосторонним рулевым управлением
      *a

      Вид сзади разъема со стороны жгута проводов

      (к разъему распределительного блока шины CAN № 4)

      *b к ЭБУ распределения питания

      Отсоедините разъем Н106 от разъема распределительного блока шины CAN № 4.

    3. Измерьте сопротивление в соответствии со значениями, приведенными в таблице ниже.

      Номинальное сопротивление
      Подключение диагностического прибора Условие Заданные условия Куда подсоединить
      H106-1 (CANH) - H106-2 (CANL) Провод отсоединен от отрицательного (-) вывода вспомогательной аккумуляторной батареи 108-132 Ом ЭБУ распределения питания

    OK
    NG
  21. ПРОВЕРЬТЕ ШИНУ V2 НА КОРОТКОЕ ЗАМЫКАНИЕ (ЭБУ РАСПРЕДЕЛЕНИЯ ПИТАНИЯ)


    1. A004X19E02
      Обозначения на рисунке
      *a

      Вид сзади разъема со стороны жгута проводов

      (к ЭБУ распределения питания)

      Отсоедините разъем Н3 ЭБУ распределения питания.

    2. Измерьте сопротивление в соответствии со значениями, приведенными в таблице ниже.

      Номинальное сопротивление
      Подключение диагностического прибора Условие Заданные условия
      H3-34 (CA2H) - H3-35 (CA2L) Провод отсоединен от отрицательного (-) вывода вспомогательной аккумуляторной батареи 108-132 Ом

    OK
    NG
  22. ПРОВЕРЬТЕ ШИНУ V2 НА КОРОТКОЕ ЗАМЫКАНИЕ (РАСПРЕДЕЛИТЕЛЬНЫЙ БЛОК ШИНЫ CAN № 4 - ЭБУ РАСПРЕДЕЛЕНИЯ ПИТАНИЯ)


    1. Повторно подсоедините разъем H3 ЭБУ распределения питания.

    2. A004YR2E02
      Обозначения на рисунке
      *A Для моделей с левосторонним рулевым управлением
      *B Для моделей с правосторонним рулевым управлением
      *a

      Вид сзади разъема со стороны жгута проводов

      (к разъему распределительного блока шины CAN № 4)

      *b к ЭБУ распределения питания

      Отсоедините разъем Н106 от разъема распределительного блока шины CAN № 4.

    3. Измерьте сопротивление в соответствии со значениями, приведенными в таблице ниже.

      Номинальное сопротивление
      Подключение диагностического прибора Условие Заданные условия Куда подсоединить
      H106-1 (CANH) - H106-2 (CANL) Провод отсоединен от отрицательного (-) вывода вспомогательной аккумуляторной батареи 108 - 132 Ом ЭБУ распределения питания

    NG
    OK
  23. ПРОВЕРЬТЕ ШИНУ V2 НА КОРОТКОЕ ЗАМЫКАНИЕ (РАСПРЕДЕЛИТЕЛЬНЫЙ БЛОК ШИНЫ CAN № 4)


    1. Повторно подсоедините разъем Н106 к разъему распределительного блока шины CAN № 4.

    2. A004WCTE02
      Обозначения на рисунке
      *a

      Устройство с подсоединенным жгутом проводов

      (ЭБУ распределения питания)

      Подсоедините щупы омметра к контактам 34 (CA2H) и 35 (CA2L) разъема Н3 ЭБУ распределения питания.

    3. Измеряя сопротивление с помощью омметра, отсоединяйте разъемы вспомогательной шины (кроме H106) от разъема распределительного блока шины CAN № 4, пока сопротивление не будет находиться в пределах номинального диапазона (54 - 69 Ом).

      A004YFQE02
      Обозначения на рисунке
      *1 Разъем распределительного блока шины CAN № 4 - -
      *a Со стороны разъема распределительного блока B *b Со стороны разъема распределительного блока A
      *c Вывод соединения с массой *d

      Вид спереди разъема со стороны жгута проводов:

      (к разъему распределительного блока шины CAN № 4)

      Со стороны разъема распределительного блока A
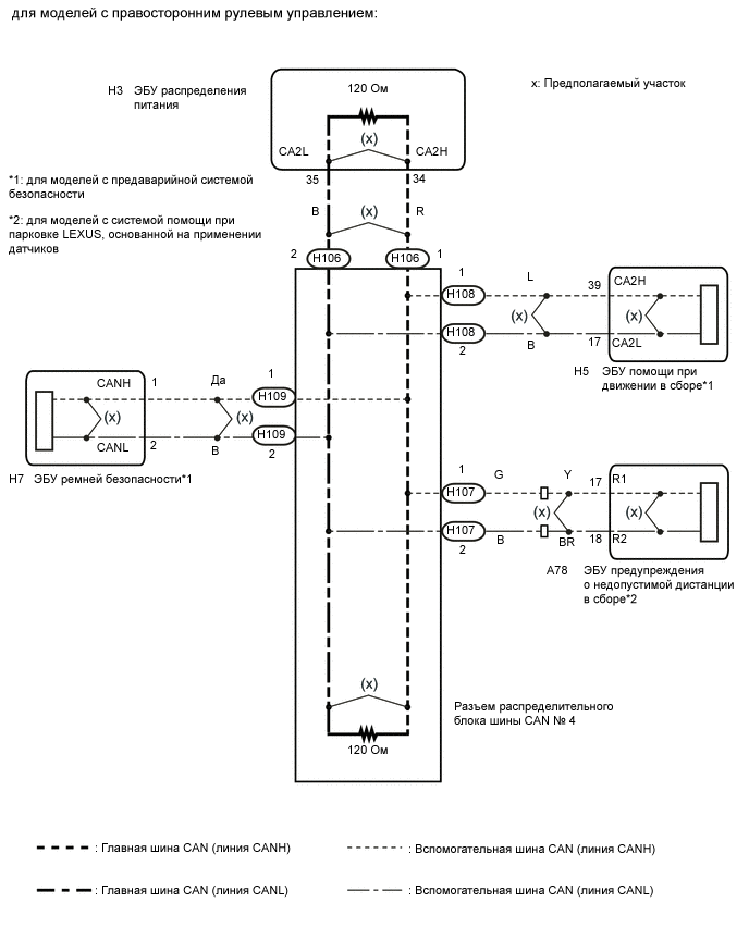
      Номера контактов (обозначения) Цвет проводки Куда подсоединить
      H111-1 (GND) W-B Масса
      H106-1 (CANH)

      B*1

      R*2

      ЭБУ распределения питания
      H106-2 (CANL)

      W*1

      B*2

      H107-1 (CANH) G ЭБУ предупреждения о недопустимой дистанции
      H107-2 (CANL) B
      H108-1 (CANH) L ЭБУ помощи при движении в сборе
      H108-2 (CANL) B
      H109-1 (CANH) Y ЭБУ ремней безопасности
      H109-2 (CANL) B

      *1: для моделей с левосторонним рулевым управлением

      *2: для моделей с правосторонним рулевым управлением

      Tech Tips


      • Разъемы, подключенные к распределительному блоку шины CAN, можно различать по цвету шин.

      • Подсоединение разъемов к ненадлежащим местам распределительного блока шины CAN не влияет на работу системы.

        Результат
        Результат Перейти к

        Когда все указанные разъемы отсоединены, сопротивление по-прежнему составляет менее 54 Ом.

        (Короткие замыкания во вспомогательных шинах отсутствуют.)

        А

        Когда разъем отсоединен, сопротивление становится нормальным (54–69 Ом).

        (Короткое замыкание в одной или нескольких вспомогательных шинах.)

        B

    А
    B
  24. ПРОВЕРЬТЕ ШИНЫ V2 НА КОРОТКОЕ ЗАМЫКАНИЕ (ЭБУ)


    1. Подсоедините разъем замкнутой накоротко вспомогательной шины к распределительному блоку шины CAN (разъем, при отсоединении которого сопротивление шины стало нормальным (54 – 69 Ом)).

    2. Отсоедините разъем, содержащий контакты CANH и CANL, от ЭБУ, к которому подсоединена короткозамкнутая вспомогательная шина.

    3. A004WCTE02
      Обозначения на рисунке
      *a

      Устройство с подсоединенным жгутом проводов

      (ЭБУ распределения питания)

      Измерьте сопротивление в соответствии со значениями, приведенными в таблице ниже.

      Номинальное сопротивление
      Подключение диагностического прибора Условие Заданные условия
      H3-34 (CA2H) - H3-35 (CA2L) Провод отсоединен от отрицательного (-) вывода вспомогательной аккумуляторной батареи 54 - 69 Ом

      Tech Tips

      Если при отсоединении разъема от ЭБУ сопротивление стало нормальным (54-69 Ом), возможно короткое замыкание в ЭБУ.


    OK
    NG
  25. ПРОВЕРЬТЕ ШИНУ V2 НА КОРОТКОЕ ЗАМЫКАНИЕ (ЭБУ РАСПРЕДЕЛЕНИЯ ПИТАНИЯ)


    1. A004Z73E02
      Обозначения на рисунке
      *a

      Вид сзади разъема со стороны жгута проводов

      (к ЭБУ распределения питания)

      Отсоедините разъем Н3 ЭБУ распределения питания.

    2. Измерьте сопротивление в соответствии со значениями, приведенными в таблице ниже.

      Номинальное сопротивление
      Подключение диагностического прибора Условие Заданные условия Назначение
      H3-34 (CA2H) - H3-6 (E1) Провод отсоединен от отрицательного (-) вывода вспомогательной аккумуляторной батареи 200 Ом или более Проверка CANH на короткое замыкание на массу
      H3-35 (CA2L) - H3-6 (E1) Провод отсоединен от отрицательного (-) вывода вспомогательной аккумуляторной батареи 200 Ом или более Проверка CANL на короткое замыкание на массу
      H3-34 (CA2H) - H3-1 (AM22) Провод отсоединен от отрицательного (-) вывода вспомогательной аккумуляторной батареи 6 кОм или более Проверка CANH на короткое замыкание на +B
      H3-35 (CA2L) - H3-1 (AM22) Провод отсоединен от отрицательного (-) вывода вспомогательной аккумуляторной батареи 6 кОм или более Проверка CANL на короткое замыкание на +B

      Tech Tips

      Для достижения результата (короткое замыкание), полученного при проверке шины V2, необходимо лишь выполнить проверку, указанную в приведенной выше таблице.

      Найдите в столбце "Назначение" необходимую проверку, которая соответствует результату в столбце "Результат" для проверки шины V2.


    OK
    NG
  26. ПРОВЕРЬТЕ ШИНУ V2 НА КОРОТКОЕ ЗАМЫКАНИЕ (РАСПРЕДЕЛИТЕЛЬНЫЙ БЛОК ШИНЫ CAN № 4 - ЭБУ РАСПРЕДЕЛЕНИЯ ПИТАНИЯ)


    1. A004YR2E02
      Обозначения на рисунке
      *A Для моделей с левосторонним рулевым управлением
      *B Для моделей с правосторонним рулевым управлением
      *a

      Вид сзади разъема со стороны жгута проводов

      (к разъему распределительного блока шины CAN № 4)

      *b к ЭБУ распределения питания

      Отсоедините разъем Н106 от разъема распределительного блока шины CAN № 4.

    2. A004Z73E02
      Обозначения на рисунке
      *a

      Вид сзади разъема со стороны жгута проводов

      (к ЭБУ распределения питания)

      Измерьте сопротивление в соответствии со значениями, приведенными в таблице ниже.

      Номинальное сопротивление
      Подключение диагностического прибора Условие Заданные условия Назначение
      H3-34 (CA2H) - H3-6 (E1) Провод отсоединен от отрицательного (-) вывода вспомогательной аккумуляторной батареи 200 Ом или более Проверка CANH на короткое замыкание на массу
      H3-35 (CA2L) - H3-6 (E1) Провод отсоединен от отрицательного (-) вывода вспомогательной аккумуляторной батареи 200 Ом или более Проверка CANL на короткое замыкание на массу
      H3-34 (CA2H) - H3-1 (AM22) Провод отсоединен от отрицательного (-) вывода вспомогательной аккумуляторной батареи 6 кОм или более Проверка CANH на короткое замыкание на +B
      H3-35 (CA2L) - H3-1 (AM22) Провод отсоединен от отрицательного (-) вывода вспомогательной аккумуляторной батареи 6 кОм или более Проверка CANL на короткое замыкание на +B

      Tech Tips

      Для достижения результата (короткое замыкание), полученного при проверке шины V2, необходимо лишь выполнить проверку, указанную в приведенной выше таблице.

      Найдите в столбце "Назначение" необходимую проверку, которая соответствует результату в столбце "Результат" для проверки шины V2.


    NG
    OK
  27. ПРОВЕРЬТЕ ШИНУ V2 НА КОРОТКОЕ ЗАМЫКАНИЕ (РАСПРЕДЕЛИТЕЛЬНЫЙ БЛОК ШИНЫ CAN № 4)


    1. Повторно подсоедините разъем Н106 к разъему распределительного блока шины CAN № 4.

    2. A004Z73E02
      Обозначения на рисунке
      *a

      Вид сзади разъема со стороны жгута проводов

      (к ЭБУ распределения питания)

      Подсоедините щупы омметра к контактам CANH или CANL и контактам GND или +B (AM22) разъема Н3 ЭБУ распределения питания.

      Tech Tips

      Для достижения результата (короткое замыкание), полученного при проверке шины V2, необходимо лишь выполнить проверку.

    3. Измеряя сопротивление с помощью омметра, отсоединяйте разъемы вспомогательной шины (кроме H106) от разъема распределительного блока шины CAN № 4, пока сопротивление не будет находиться в пределах номинального диапазона (не менее 6 кОм для короткого замыкания на +B или не менее 200 Ом для короткого замыкания на массу).

      A004YFQE02
      Обозначения на рисунке
      *1 Разъем распределительного блока шины CAN № 4 - -
      *a Со стороны разъема распределительного блока B *b Со стороны разъема распределительного блока A
      *c Вывод соединения с массой *d

      Вид спереди разъема со стороны жгута проводов:

      (к разъему распределительного блока шины CAN № 4)

      Со стороны разъема распределительного блока A
      Номера контактов (обозначения) Цвет проводки Куда подсоединить
      H111-1 (GND) W-B Масса
      H106-1 (CANH)

      B*1

      R*2

      ЭБУ распределения питания
      H106-2 (CANL)

      W*1

      B*2

      H107-1 (CANH) G ЭБУ предупреждения о недопустимой дистанции
      H107-2 (CANL) B
      H108-1 (CANH) L ЭБУ помощи при движении в сборе
      H108-2 (CANL) B
      H109-1 (CANH) Y ЭБУ ремней безопасности
      H109-2 (CANL) B

      *1: для моделей с левосторонним рулевым управлением

      *2: для моделей с правосторонним рулевым управлением

      Tech Tips


      • Разъемы, подключенные к распределительному блоку шины CAN, можно различать по цвету шин.

      • Подсоединение разъемов к ненадлежащим местам распределительного блока шины CAN не влияет на работу системы.

        Результат
        Результат Перейти к

        Сопротивление между контактами CANH и BAT или между контактами CANL и BAT продолжает оставаться ниже 6 кОм в случае, когда все указанные разъемы отсоединены от распределительного блока шины CAN.

        (Короткие замыкания на +B во вспомогательных шинах отсутствуют.)

        А

        Сопротивление между контактами CANH и GND или между контактами CANL и GND продолжает оставаться ниже 200 Ом в случае, когда все указанные разъемы отсоединены от распределительного блока шины CAN.

        (Короткие замыкания на GND во вспомогательных шинах отсутствуют.)

        Сопротивление между контактами CANH и BAT или между контактами CANL и BAT приходит в норму (не менее 6 кОм) в случае, когда разъем отключается от распределительного блока шины CAN.

        (Есть короткое замыкание на +B в одном из устройств, связанных с одной или несколькими тсоединенными вспомогательными шинами.)

        B

        Сопротивление между контактами CANH и GND или между контактами CANL и GND приходит в норму (не менее 200 Ом) в случае, когда разъем отключается от распределительного блока шины CAN.

        Есть короткое замыкание на GND в одном из устройств, связанных с одной или несколькими отсоединенными вспомогательными шинами.


    А
    B
  28. ПРОВЕРЬТЕ ШИНУ V2 НА КОРОТКОЕ ЗАМЫКАНИЕ (ЭБУ)


    1. Подсоедините разъем шины, замкнутой на +B или GND, к распределительному блоку шины CAN (разъем, при отсоединении которого сопротивление шины составляет не менее 6 кОм для замыкания на +B или не менее 200 Ом для замыкания на GND).

    2. Отсоедините разъем, содержащий контакты CANH и CANL, от ЭБУ, к которому подсоединена шина, замкнутая на +B или GND.

    3. A004Z73E02
      Обозначения на рисунке
      *a

      Вид сзади разъема со стороны жгута проводов

      (к ЭБУ распределения питания)

      Измерьте сопротивление в соответствии со значениями, приведенными в таблице ниже.

      Номинальное сопротивление
      Подключение диагностического прибора Условие Заданные условия Назначение
      H3-34 (CA2H) - H3-6 (E1) Провод отсоединен от отрицательного (-) вывода вспомогательной аккумуляторной батареи 200 Ом или более Проверка CANH на короткое замыкание на массу
      H3-35 (CA2L) - H3-6 (E1) Провод отсоединен от отрицательного (-) вывода вспомогательной аккумуляторной батареи 200 Ом или более Проверка CANL на короткое замыкание на массу
      H3-34 (CA2H) - H3-1 (AM22) Провод отсоединен от отрицательного (-) вывода вспомогательной аккумуляторной батареи 6 кОм или более Проверка CANH на короткое замыкание на +B
      H3-35 (CA2L) - H3-1 (AM22) Провод отсоединен от отрицательного (-) вывода вспомогательной аккумуляторной батареи 6 кОм или более Проверка CANL на короткое замыкание на +B

      Tech Tips

      Для достижения результата (короткое замыкание), полученного при проверке шины V2, необходимо лишь выполнить проверку, указанную в приведенной выше таблице.

      Найдите в столбце "Назначение" необходимую проверку, которая соответствует результату в столбце "Результат" для проверки шины V2.


    OK
    NG