СИСТЕМА ПЕРЕДАЧИ ДАННЫХ CAN Прекращение обмена данными с ЭБУ щитка приборов

ОПИСАНИЕ

Неисправность Признак Неисправный участок
Прекращение обмена данными с ЭБУ щитка приборов
  • На экране "Communication Bus Check" (проверка шин связи) портативного диагностического прибора не отображается "Combination Meter" (щиток приборов).

  • Относится к "Режиму прекращения обмена данными с ЭБУ щитка приборов" в "Таблице комбинаций кодов DTC".


  • Главная шина или разъем щитка приборов

  • Цепь питания щитка приборов

  • Щиток приборов в сборе

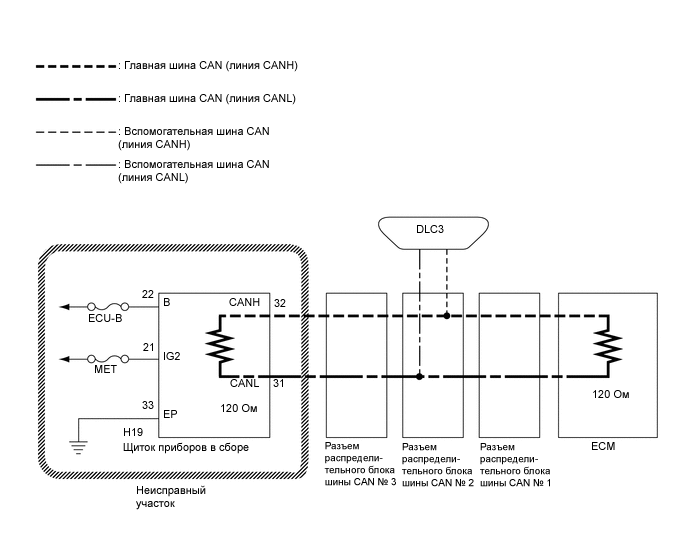
СХЕМА ЭЛЕКТРИЧЕСКИХ СОЕДИНЕНИЙ

B001KI6E08

ПРЕДОСТЕРЕЖЕНИЕ / ПРИМЕЧАНИЕ / УКАЗАНИЕ

Note


  • Выключите питание перед измерением сопротивления между главными и вспомогательными шинами CAN.

  • Выключите питание перед проверкой короткого замыкания шины CAN на массу.

  • После выключения питания убедитесь, что система оповещения о ключе, оставленном в замке зажигания, и система оповещения о невыключенном освещении не активированы.

  • Перед измерением сопротивления оставьте автомобиль на 1 минуту "как он есть", не трогая выключатель питания, другие переключатели и двери. Если необходимо открыть какую-либо дверь для проверки разъемов, откройте двери и не закрывайте их.

Tech Tips


  • Управление выключателем питания, какими-либо выключателями или дверями приводит к обмену данными между ЭБУ и датчиками по шине CAN. При осуществлении обмена данными сопротивление изменяется.

  • Если DTC регистрируется при непродолжительном движении на автомобиле даже после удаления кодов DTC, неисправность может возникать вследствие вибрации автомобиля. В подобных случаях необходимо пошевелить разъемы ЭБУ или жгутов проводов во время проверки, чтобы установить причину неисправности.

ПОРЯДОК ВЫПОЛНЕНИЯ


  1. ПРОВЕРЬТЕ ШИНУ CAN НА ОБРЫВ (ГЛАВНАЯ ШИНА ЭБУ ЩИТКА ПРИБОРОВ)


    1. Выключите питание.

    2. B001KQ1E01
      Обозначения на рисунке
      *a

      Вид спереди разъема со стороны жгута проводов:

      (к щитку приборов в сборе)

      Отсоедините разъем щитка приборов.

    3. Измерьте сопротивление в соответствии со значениями, приведенными в таблице ниже.

      Номинальное сопротивление
      Подключение диагностического прибора Положение переключателя Заданные условия
      H19-32 (CANH) - H19-31 (CANL) Питание выключено 108 - 132 Ом

    NG
    OK
  2. ПРОВЕРЬТЕ ЖГУТ ПРОВОДОВ И РАЗЪЕМ (ЦЕПЬ ПИТАНИЯ)


    1. B001MTSE01
      Обозначения на рисунке
      *a

      Вид спереди разъема со стороны жгута проводов:

      (к щитку приборов в сборе)

      Измерьте сопротивление в соответствии со значениями, приведенными в таблице ниже.

      Номинальное сопротивление
      Подключение диагностического прибора Условие Заданные условия
      H19-33 (EP) - масса Всегда Менее 1 Ом
    2. Измерьте напряжение в соответствии со значениями, приведенными в таблице.

      Номинальное напряжение
      Подключение диагностического прибора Условие Заданные условия
      H19-21 (IG2) - масса Питание включено (IG) 11-14 В
      H19-22 (B) - масса Питание выключено 11-14 В

    OK
    NG