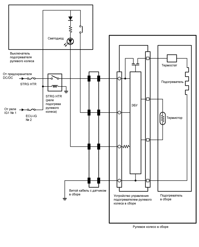
СИСТЕМА ПОДОГРЕВА РУЛЕВОГО КОЛЕСА СХЕМА СИСТЕМЫ


  1. СХЕМА СИСТЕМЫ

    A005030E05