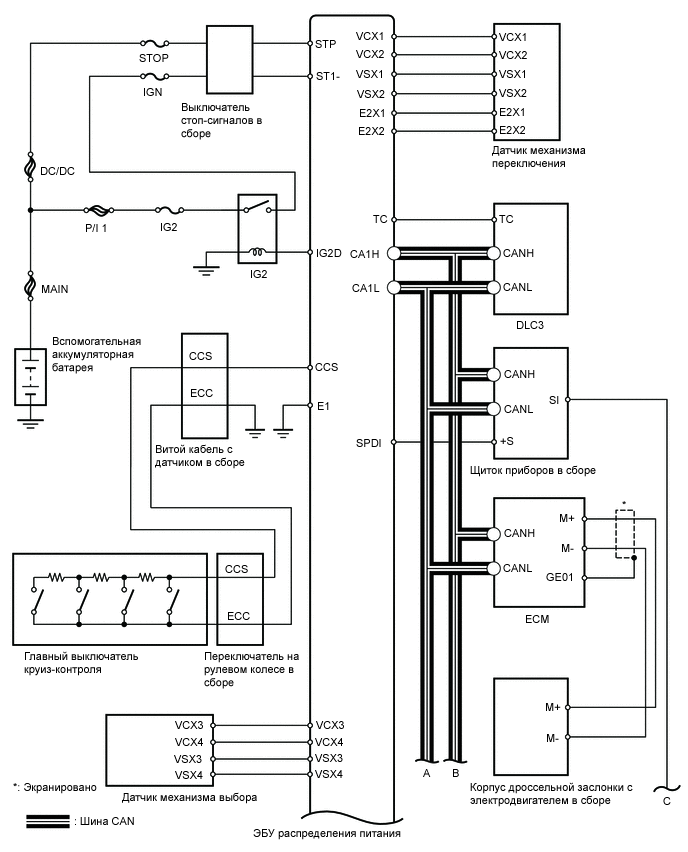
СИСТЕМА КРУИЗ-КОНТРОЛЯ СХЕМА СИСТЕМЫ

B001NDDE02
B001M4AE04
Таблица обмена данными
Передатчик Приемник Сигнал Линия
ЭБУ распределения питания

Щиток приборов в сборе

(Контрольная лампа круиз-контроля)

(Индикация круиз-контроля SET)


  • Сигнал управления контрольной лампой круиз-контроля и индикацией SET

  • Диагностический сигнал системы круиз-контроля

CAN
Усилитель тормозной системы с главным цилиндром (ЭБУ системы противоскольжения) ЭБУ распределения питания Сигнал неисправности тормозной системы с электронным управлением CAN
ЭБУ распределения питания ECM Сигнал работы привода дроссельной заслонки CAN
ECM ЭБУ распределения питания Сигнал положения дроссельной заслонки CAN