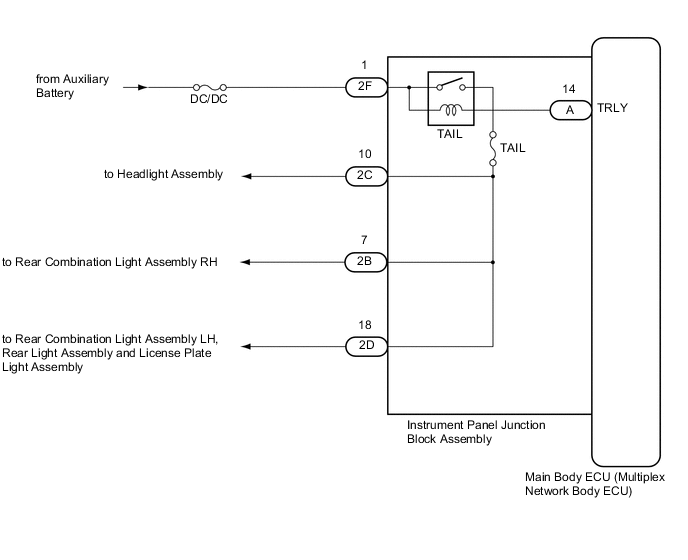
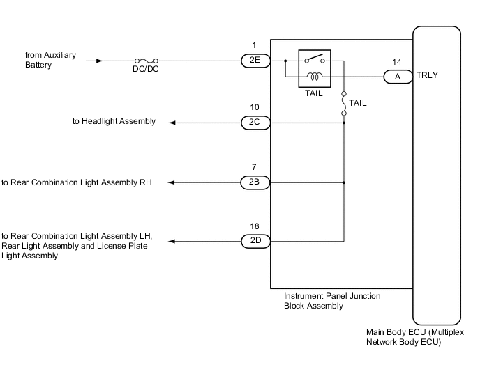
LIGHTING SYSTEM Taillight Relay Circuit

DESCRIPTION

The main body ECU (multiplex network body ECU) controls the operation of the TAIL relay.

WIRING DIAGRAM


  1. for LHD

    B001LQGE03
  2. for RHD

    B001LQGE04

CAUTION / NOTICE / HINT

Note

Inspect the fuses for circuits related to this system before performing the following procedure.

PROCEDURE


  1. PERFORM ACTIVE TEST USING GTS


    1. Connect the GTS to the DLC3.

    2. Turn the power switch on (IG).

    3. Turn the GTS on.

    4. Enter the following menus: Body Electrical / Main Body / Active Test.

    5. Perform the Active Test according to the display on the GTS.

      Main Body
      Tester Display Test Part Control Range Diagnostic Note
      Taillight Relay Taillight relay OFF or ON -
      OK
      Taillight relay operates. (Taillights illuminate.)

    OK
    NG
  2. CHECK HARNESS AND CONNECTOR (POWER SOURCE - INSTRUMENT PANEL JUNCTION BLOCK ASSEMBLY)


    1. Disconnect the 2E*1 or 2F*2 instrument panel junction block assembly connector.


      • *1: for LHD

      • *2: for RHD

    2. Measure the voltage according to the value(s) in the table below.

      Standard Voltage
      for LHD
      Tester Connection Condition Specified Condition
      2E-1 - Body ground Power switch off 11 to 14 V
      for RHD
      Tester Connection Condition Specified Condition
      2F-1 - Body ground Power switch off 11 to 14 V

    NG
    OK
  3. INSPECT INSTRUMENT PANEL JUNCTION BLOCK ASSEMBLY

    B001MTNC01
    *A for LHD *B for RHD
    *a

    Component without harness connected

    (Instrument Panel Junction Block Assembly)

    - -

    1. Remove the instrument panel junction block assembly.

      Click here

    2. Remove the main body ECU (multiplex network body ECU) from the instrument panel junction block assembly.

    3. Connect a positive (+) lead from the auxiliary battery to terminal 2E-1*1 or 2F-1*2.


      • *1: for LHD

      • *2: for RHD

    4. Connect a negative (-) lead from the auxiliary battery to terminal A-14 (TRLY).

    5. Measure the voltage according to the value(s) in the table below.

      Standard Voltage
      Tester Connection Condition Specified Condition
      2C-10 - Auxiliary battery negative (-) terminal Power switch off 11 to 14 V
      2B-7 - Auxiliary battery negative (-) terminal Power switch off 11 to 14 V
      2D-18 - Auxiliary battery negative (-) terminal Power switch off 11 to 14 V

    OK
    NG