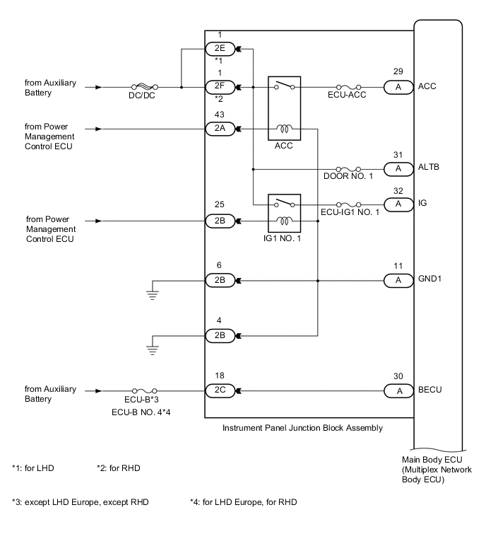
LIGHTING SYSTEM SYSTEM DIAGRAM

A004Z91E06
A004ZRJE07
A004W4QE05
A004ZB8E05
A004W0JE06
A004Z9CE03
A004VJXE02