SFI SYSTEM(w/ EGR System) Fuel Pump Control Circuit

DESCRIPTION

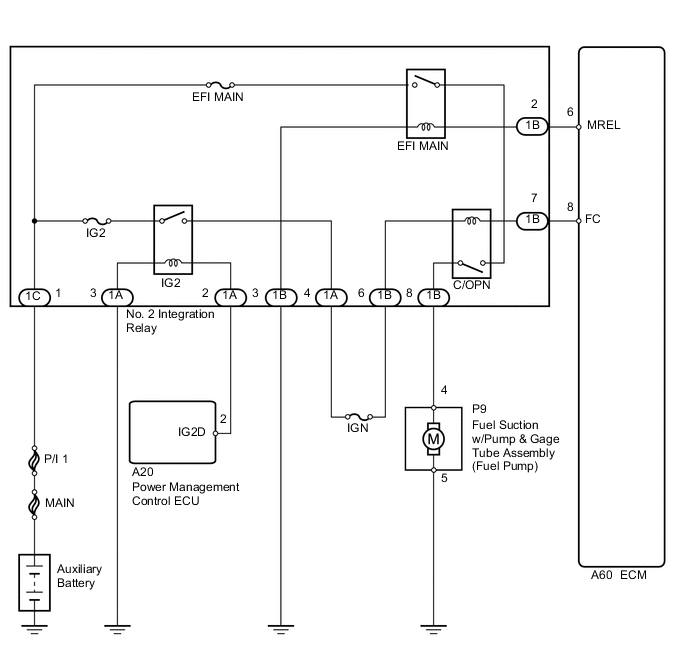
When the NE signal is input to the ECM, Tr is turned on, current flows to the coil of the C/OPN (circuit opening) relay, the relay switches on, power is supplied to the fuel pump and the fuel pump operates.

While the NE signal is generated (engine running), the ECM keeps Tr on (C/OPN relay on) and the fuel pump also keeps operating.

A004WWQE05

WIRING DIAGRAM

A004WCPE05

CAUTION / NOTICE / HINT

Note

Inspect the fuses for circuits related to this system before performing the following inspection procedure.

PROCEDURE


  1. PERFORM ACTIVE TEST USING INTELLIGENT TESTER (CONTROL THE FUEL PUMP/SPEED)


    1. Connect the intelligent tester to the DLC3.

    2. Turn the power switch on (IG).

    3. Turn the tester on.

    4. Enter the following menus: Powertrain / Engine and ECT / Active Test / Control the Fuel Pump/Speed.

    5. Check whether the fuel pump operation sound occurs when performing the Active Test on the tester.

      OK
      Fuel pump operating sound occurs.

    OK
    NG
  2. INSPECT NO. 2 INTEGRATION RELAY (C/OPN RELAY)


    1. Inspect the No. 2 integration relay (C/OPN relay ) Click here.


    NG
    OK
  3. CHECK HARNESS AND CONNECTOR (NO. 2 INTEGRATION RELAY (C/OPN RELAY) - ECM)


    1. Disconnect the ECM connector.

    2. Remove the No. 2 integration relay from the engine room relay block.

    3. Disconnect the No. 2 integration relay connector.

    4. Measure the resistance according to the value(s) in the table below.

      Standard Resistance
      Tester Connection Condition Specified Condition
      1B-7 - A60-8 (FC) Always Below 1 Ω
      1B-7 or A60-8 (FC) - Body ground Always 10 kΩ or higher

    NG
    OK
  4. CHECK HARNESS AND CONNECTOR (NO. 2 INTEGRATION RELAY (C/OPN RELAY - IG2 RELAY))


    1. Remove the No. 2 integration relay from the engine room relay block.

    2. Disconnect the No. 2 integration relay connector.

    3. Measure the resistance according to the value(s) in the table below.

      Standard Resistance
      Tester Connection Condition Specified Condition
      1A-4 - 1B-6 Always Below 1 Ω
      1A-4 or 1B-6 - Body ground Always 10 kΩ or higher

    NG
    OK
  5. CHECK HARNESS AND CONNECTOR (NO. 2 INTEGRATION RELAY (C/OPN RELAY) - FUEL PUMP)


    1. Disconnect the fuel pump connector.

    2. Remove the No. 2 integration relay from the engine room relay block.

    3. Disconnect the No. 2 integration relay connector.

    4. Measure the resistance according to the value(s) in the table below.

      Standard Resistance
      Tester Connection Condition Specified Condition
      1B-8 - P9-4 Always Below 1 Ω
      1B-8 or P9-4 - Body ground Always 10 kΩ or higher

    NG
    OK
  6. CHECK HARNESS AND CONNECTOR (FUEL PUMP - BODY GROUND)


    1. Disconnect the fuel pump connector.

    2. Measure the resistance according to the value(s) in the table below.

      Standard Resistance
      Tester Connection Condition Specified Condition
      P9-5 - Body ground Always Below 1 Ω

    NG
    OK
  7. INSPECT FUEL PUMP


    1. Inspect the fuel pump Click here.


    NG
    OK
  8. CHECK ECM POWER SOURCE CIRCUIT


    1. Check the ECM power source circuit Click here.


    OK
    NG