HEATED STEERING WHEEL SYSTEM Steering Wheel does not Heat Up When Heated Steering Wheel Switch is Pressed

DESCRIPTION

Click here.

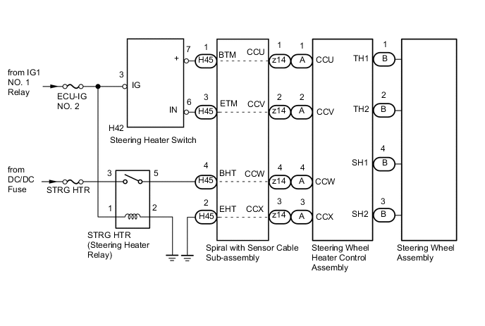
WIRING DIAGRAM

B001LOYE11

CAUTION / NOTICE / HINT

Tech Tips


  • Inspect the fuses for circuits related to this system before performing the following inspection procedure.

  • The steering heater unit is built into the steering wheel assembly which cannot be disassembled. Therefore, when the steering heater unit has a malfunction, replace the steering wheel assembly.

PROCEDURE


  1. INSPECT STEERING WHEEL ASSEMBLY (THERMISTOR, HEATER, THERMOSTAT)


    1. B001M9IE02
      Text in Illustration
      *a

      Front view of wire harness connector

      (to Steering Wheel Control Assembly)

      Disconnect the B steering wheel controller connector.

    2. Measure the resistance according to the value(s) in the table below.

      Standard Resistance
      Tester Connection Condition Specified Condition
      B-1 (TH1) - B-2 (TH2) 10 to 30°C (50 to 86°F) 8.132 to 18.43 kΩ
      B-4 (SH1) - B-3 (SH2) 20°C (68°F) 1.89 to 2.25 Ω

    NG
    OK
  2. INSPECT SPIRAL WITH SENSOR CABLE SUB-ASSEMBLY


    1. Check the connectors and cables of the spiral with sensor cable sub-assembly.

      OK
      There are no defects such as scratches, cracks, dents or damage on the connectors or cables.
    2. Disconnect the H45 and z14 spiral with sensor cable sub-assembly connectors.

      B001N8GE02
    3. Disconnect the heated steering wheel controller connector.

    4. Measure the resistance according to the value(s) in the table below.

      Standard Resistance
      Tester Connection Condition Specified Condition
      z14-1 (CCU) - H45-1 (BTM) Always Below 1 Ω
      z14-2 (CCV) - H45-3 (ETM) Always Below 1 Ω
      z14-3 (CCX) - H45-2 (EHT) Always Below 1 Ω
      z14-4 (CCW) - H45-4 (BHT) Always Below 1 Ω
      Text in Illustration
      *a

      Component without harness connected

      (Spiral with Sensor Cable Sub-assembly)

      - -

    NG
    OK
  3. CHECK STEERING HEATER SWITCH


    1. B001LWKE02
      Text in Illustration
      *a

      Component without harness connected

      (Steering Heater Switch)

      Disconnect the H42 steering heater switch connector.

    2. Measure the voltage according to the value(s) in the table below.

      Tech Tips

      As the circuit has a diode, perform the measurement in diode test mode, and do not mistake the polarity.

      Standard Voltage

      Tester Connection

      (Positive (+) tester probe - Negative (-) tester probe)

      Condition Specified Condition
      H42-3 (IG) - H42-7 (+) Always Below 1.25 V
      H42-6 (IN) - H42-7 (+) Steering heater switch is pushed Below 1.25 V
    3. Measure the resistance according to the value(s) in the table below.

      Standard Resistance
      Tester Connection Condition Specified Condition
      H42-3 (IG) - H42-6 (IN) Steering heater switch is pushed Below 1 Ω
      H42-3 (IG) - H42-6 (IN) Steering heater switch is not pushed 10 kΩ or higher

    NG
    OK
  4. CHECK STRG HTR RELAY (STEERING HEATER RELAY)


    1. B001KOIE08
      Text in Illustration
      *1 STRG HTR Relay (Steering Heater Relay)

      Remove the STRG HTR relay (steering heater relay).

    2. Measure the resistance according to the value(s) in the table below.

      Standard Resistance
      Tester Connection Condition Specified Condition
      3 - 5 Voltage is not applied between terminals 1 and 2 10 kΩ or higher
      3 - 5 Voltage is applied between terminals 1 and 2 Below 1 Ω

    NG
    OK
  5. CHECK HARNESS AND CONNECTOR (STEERING HEATER SWITCH - SPIRAL W/ SENSOR CABLE SUB-ASSEMBLY)


    1. Disconnect the H42 steering heater switch connector.

    2. Disconnect the H45 spiral with sensor cable sub-assembly connector.

    3. Measure the resistance according to the value(s) in the table below.

      Standard Resistance
      Tester Connection Condition Specified Condition
      H42-7 (+) - H45-1 (BTM) Always Below 1 Ω
      H42-6 (IN) - H45-3 (ETM) Always Below 1 Ω

    NG
    OK
  6. CHECK HARNESS AND CONNECTOR (STRG HTR RELAY - SPIRAL WITH SENSOR CABLE SUB-ASSEMBLY)


    1. Remove the STRG HTR relay (steering heater relay) from the relay block No. 3.

    2. Disconnect the H45 spiral with sensor cable sub-assembly connector.

    3. Measure the resistance according to the value(s) in the table below.

      Standard Resistance
      Tester Connection Condition Specified Condition
      Relay block No. 3 - 5 - H45-4 (BHT) Always Below 1 Ω

    NG
    OK
  7. CHECK HARNESS AND CONNECTOR (STEERING HEATER SWITCH POWER SOURCE)


    1. Disconnect the H42 steering heater switch connector.

    2. Measure the voltage according to the value(s) in the table below.

      Standard Voltage
      Tester Connection Switch Condition Specified Condition
      H42-3 (IG) - Body ground Power switch on (IG) 11 to 14 V

    NG
    OK
  8. CHECK HARNESS AND CONNECTOR (STRG HTR RELAY (STEERING HEATER RELAY) POWER SOURCE)


    1. Remove the STRG HTR relay (steering heater relay) from the relay block No. 3.

    2. Measure the voltage according to the value(s) in the table below.

      Standard Voltage
      Tester Connection Condition Specified Condition
      Relay block No. 3-3 - Body ground Always 11 to 14 V
      Relay block No. 3-1 - Body ground Power switch on (IG) 11 to 14 V
    3. Measure the resistance according to the value(s) in the table below.

      Standard Resistance
      Tester Connection Condition Specified Condition
      Relay block No. 3-2 - Body ground Always Below 1 Ω

    NG
    OK
  9. CHECK HARNESS AND CONNECTOR (SPIRAL WITH SENSOR CABLE SUB-ASSEMBLY BODY GROUND)


    1. Disconnect the H45 spiral with sensor cable sub-assembly connector.

    2. Measure the resistance according to the value(s) in the table below.

      Standard Resistance
      Tester Connection Condition Specified Condition
      H45-2 (EHT) - Body ground Always Below 1 Ω

    OK
    NG