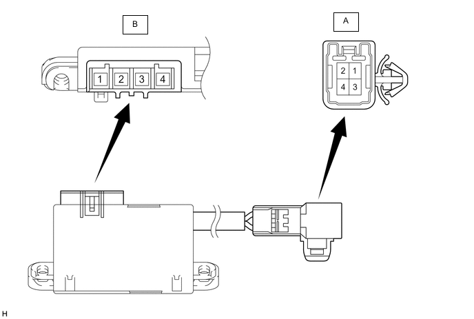
HEATED STEERING WHEEL SYSTEM TERMINALS OF ECU


  1. CHECK HEATED STEERING WHEEL CONTROLLER

    Tech Tips

    Inspect the connectors from the back side while the connectors are connected.

    B001NE7N01

    1. Measure the voltage or resistance according to the value(s) in the table below.

      Terminal No. (Symbol) Terminal Description Condition Specified Condition
      A-1 (CCU) - Body ground LED output signal Power switch on (IG), steering heater switch on Below 3 V
      A-2 (CCV) - Body ground Steering heater switch input signal Power switch on (IG), steering heater switch pressed and held 11 to 14 V
      A-3 (CCX) - Body ground Ground Always Below 1 Ω
      A-4 (CCW) - Body ground IG power supply Power switch on (IG) 11 to 14 V
      B-1 (TH1) - Body ground Thermistor input signal Power switch on (IG), steering heater switch on at 0 to 40°C (32 to 104°F) 1.5 to 4.5 V*1
      B-2 (TH2) - Body ground Thermistor ground Power switch on (IG), steering heater switch on Below 1 V
      B-3 (SH2) - Body ground Heater output signal Power switch on (IG), steering heater switch on 11 to 14 V*2
      B-4 (SH1) - Body ground Heater ground Power switch on (IG), steering heater switch on Below 1 V

      Tech Tips


      • *1: When ambient temperature is 0 to 40°C (32 to 104°F).

      • *2: The current to the heater turns ON/OFF depending on the temperature of the thermistor. As a result, it may take several minutes before a voltage value is output.