СИСТЕМА ПОДУШЕК БЕЗОПАСНОСТИ Контрольная лампа аварийного состояния SRS остается включенной

ОПИСАНИЕ

Контрольная лампа аварийного состояния SRS находится на щитке приборов.

Если SRS работает нормально, контрольная лампа аварийного состояния SRS включается примерно на 6 секунд после переключения замка зажигания из заблокированного (LOCK) во включенное (ON) состояние, а затем автоматически выключается.

Если обнаружена неисправность SRS, контрольная лампа аварийного состояния SRS горит, информируя водителя о неисправности.

Если соединить контакты TC и CG на разъеме DLC3, коды DTC выводятся посредством мигания контрольной лампы аварийного состояния SRS.

На случай падения напряжения источника питания SRS имеет схему повышения напряжения (преобразователь постоянного тока в постоянный), встроенную в центральный блок управления системы SRS.

При уменьшении напряжения аккумуляторной батареи схема повышения напряжения (преобразователь постоянного тока в постоянный) увеличивает напряжение SRS до нормального уровня.

Неисправность данной цепи не регистрируется в центральном блоке управления системы SRS. После возврата уровня напряжения питания к нормальному контрольная лампа аварийного состояния SRS автоматически гаснет.

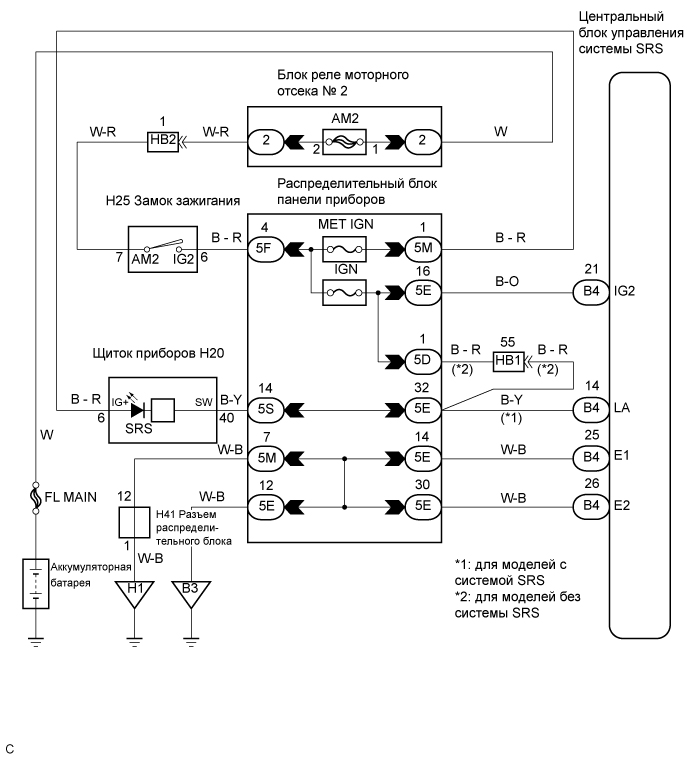
СХЕМА ЭЛЕКТРИЧЕСКИХ СОЕДИНЕНИЙ

A003FUQE01

ПОСЛЕДОВАТЕЛЬНОСТЬ ПРОВЕРКИ

ПОРЯДОК ВЫПОЛНЕНИЯ


  1. ПРОВЕРЬТЕ АККУМУЛЯТОРНУЮ БАТАРЕЮ


    1. Измерьте напряжение аккумуляторной батареи.

      Напряжение
      11 - 14 В

    NG
    OK
  2. ПРОВЕРЬТЕ РАЗЪЕМЫ


    1. Поверните замок зажигания в положение LOCK (ЗАБЛОКИР).

    2. Отсоедините провод от отрицательного (-) вывода аккумуляторной батареи и подождите не менее 90 секунд.

    3. Проверьте правильность подключения разъемов к центральному блоку управления системы SRS и щитку приборов.

      OK
      Разъемы подсоединены.

    NG
    OK
  3. ПРОВЕРЬТЕ ЖГУТ ПРОВОДОВ (НАПРЯЖЕНИЕ ПИТАНИЯ ЦЕНТРАЛЬНОГО БЛОКА УПРАВЛЕНИЯ СИСТЕМЫ SRS)


    1. A003B9RE06

      Отсоедините разъемы от центрального блока управления системы SRS.

    2. Подсоедините провод к отрицательному (-) выводу аккумуляторной батареи и подождите не менее 2 секунд.

    3. Поверните замок зажигания в положение ON (ВКЛ).

    4. Включите все электрооборудование (обогреватель стекла, стеклоочистители, фары, отопитель, вентилятор и т. д.)

    5. Измерьте напряжение в соответствии со значениями, приведенными в таблице.

      Напряжение
      Контакты для подключения диагностического прибора Условие Заданные условия

      B4-21 (IG2) -

      Масса

      Зажигание включено 10-14 В
    6. Поверните замок зажигания в положение LOCK (ЗАБЛОКИР).

    7. Измерьте сопротивление в соответствии со значениями, приведенными в таблице ниже.

      Сопротивление
      Контакты для подключения диагностического прибора Условие Заданные условия

      B4-25 (E1) -

      Масса

      Всегда Менее 1 Ом

      B4-26 (E2) -

      Масса

      Всегда Менее 1 Ом

    NG
    OK
  4. ПРОВЕРЬТЕ ЖГУТ ПРОВОДОВ (НАПРЯЖЕНИЕ ИСТОЧНИКА ПИТАНИЯ ЩИТКА ПРИБОРОВ)


    1. A003H81E04

      Отсоедините провод от отрицательного (-) вывода аккумуляторной батареи и подождите не менее 90 секунд.

    2. Отсоедините разъем от щитка приборов.

    3. Подсоедините провод к отрицательному (-) выводу аккумуляторной батареи и подождите не менее 2 секунд.

    4. Поверните замок зажигания в положение ON (ВКЛ).

    5. Измерьте напряжение в соответствии со значениями, приведенными в таблице.

      Напряжение
      Контакты для подключения диагностического прибора Условие Заданные условия

      H20-5 (B) -

      Масса

      Зажигание включено 10 - 14 В

      H20-6 (IG+) -

      Масса

      Всегда 10 - 14 В
    6. Поверните замок зажигания в положение LOCK (ЗАБЛОКИР).

    7. Измерьте сопротивление в соответствии со значениями, приведенными в таблице ниже.

      Сопротивление
      Контакты для подключения диагностического прибора Условие Заданные условия

      H20-7 (E1) -

      Масса

      Всегда Менее 1 Ом

    NG
    OK
  5. ПРОВЕРЬТЕ КОНТРОЛЬНУЮ ЛАМПУ АВАРИЙНОГО СОСТОЯНИЯ SRS


    1. Поверните замок зажигания в положение LOCK (ЗАБЛОКИР).

    2. Отсоедините провод от отрицательного (-) вывода аккумуляторной батареи и подождите не менее 90 секунд.

    3. Подсоедините разъем к щитку приборов.

    4. Подсоедините провод к отрицательному (-) выводу аккумуляторной батареи и подождите не менее 2 секунд.

    5. Поверните замок зажигания в положение ON (ВКЛ).

    6. Проверьте состояние контрольной лампы аварийного состояния SRS.

      OK
      После выполнения первичной проверки контрольная лампа аварийного состояния SRS выключается приблизительно на 10 секунд, а затем снова включается.

      Tech Tips

      Первичная проверка длится примерно 6 секунд после включения зажигания.


    NG
    OK