СИСТЕМА ПОДУШЕК БЕЗОПАСНОСТИ, Diagnostic DTC:B1905/74, B1906/74, B1907/74, B1908/74

Код DTC Наименование DTC
B1905/74 Короткое замыкание в цепи пиропатрона левого переднего преднатяжителя
B1906/74 Обрыв в цепи пиропатрона левого переднего преднатяжителя
B1907/74 Короткое замыкание на GND в цепи пиропатрона левого переднего преднатяжителя
B1908/74 Короткое замыкание на B+ в цепи пиропатрона левого переднего преднатяжителя

ОПИСАНИЕ

Цепь левого переднего преднатяжителя включает центральный блок управления системы SRS и левый передний ремень с катушкой и преднатяжителем в сборе.

Данная цепь служит для передачи управляющего сигнала системы SRS о необходимости активации пиропатрона при выполнении соответствующих условий.

Данные коды DTC регистрируются при обнаружении неисправности в цепи левого переднего преднатяжителя.

Код DTC Условие обнаружения DTC Неисправный участок
B1905/74

Выполняется одно из следующих условий:


  • Центральный блок управления системы SRS обнаруживает сигнал короткого замыкания в цепи левого переднего преднатяжителя 5 раз в ходе выполнения первичной проверки.

  • Неисправность левого переднего преднатяжителя.

  • Неисправность центрального блока управления системы SRS.


  • Основной жгут проводов моторного отсека

  • Левый передний ремень с катушкой и преднатяжителем в сборе

  • Центральный датчик системы SRS в сборе

B1906/74

Выполняется одно из следующих условий:


  • Центральный блок управления системы SRS обнаруживает сигнал обрыва в цепи левого переднего преднатяжителя в течение 2 с.

  • Неисправность левого переднего преднатяжителя.

  • Неисправность центрального блока управления системы SRS.


  • Основной жгут проводов моторного отсека

  • Левый передний ремень с катушкой и преднатяжителем в сборе

  • Центральный датчик системы SRS в сборе

B1907/74

Выполняется одно из следующих условий:


  • Центральный блок управления системы SRS обнаруживает сигнал короткого замыкания на массу в цепи левого переднего преднатяжителя в течение 0,5 с.

  • Неисправность левого переднего преднатяжителя.

  • Неисправность центрального блока управления системы SRS.


  • Основной жгут проводов моторного отсека

  • Левый передний ремень с катушкой и преднатяжителем в сборе

  • Центральный датчик системы SRS в сборе

B1908/74

Выполняется одно из следующих условий:


  • Центральный блок управления системы SRS обнаруживает сигнал короткого замыкания на B+ в цепи левого переднего преднатяжителя в течение 0,5 с.

  • Неисправность левого переднего преднатяжителя.

  • Неисправность центрального блока управления системы SRS.


  • Основной жгут проводов моторного отсека

  • Левый передний ремень с катушкой и преднатяжителем в сборе

  • Центральный датчик системы SRS в сборе

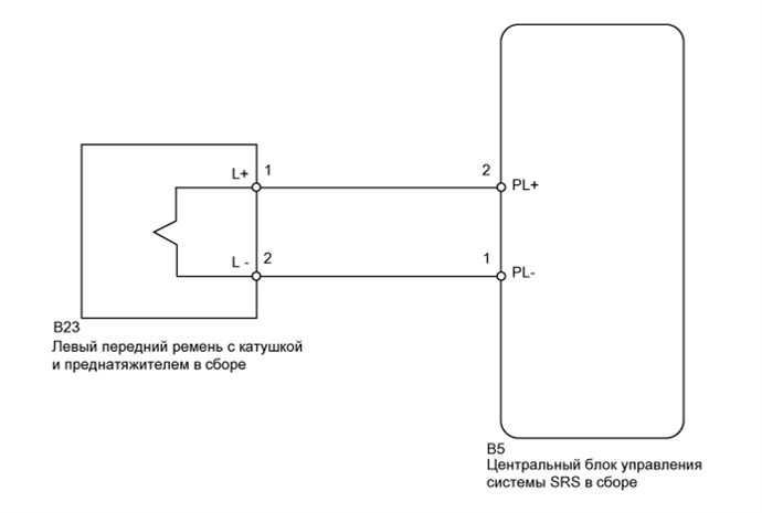
СХЕМА ЭЛЕКТРИЧЕСКИХ СОЕДИНЕНИЙ

A003CIAE03

ПОСЛЕДОВАТЕЛЬНОСТЬ ПРОВЕРКИ

Note


  • Если отрицательный (-) вывод аккумуляторной батареи отсоединялся во время выполнения ремонта, после его подсоединения необходимо инициализировать некоторые системы (см. стр. Click here).

  • После замены центрального блока управления системы SRS см. раздел "Инициализация" (см. стр. Click here).

Tech Tips

Чтобы выполнить проверку с имитацией условий возникновения неисправности, войдите в режим активной диагностики (режим проверки сигналов) GTS (см. стр. Click here), а затем подвигайте каждый разъем системы SRS или совершите поездки по дорогам различного типа (см. стр. Click here).

ПОРЯДОК ВЫПОЛНЕНИЯ


  1. ПРОВЕРЬТЕ ЛЕВЫЙ ПЕРЕДНИЙ РЕМЕНЬ С КАТУШКОЙ И ПРЕДНАТЯЖИТЕЛЕМ В СБОРЕ


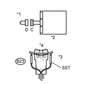
    1. A003FW4E13
      Обозначения на рисунке
      *1 Левый передний ремень с катушкой и преднатяжителем в сборе
      *2 Центральный блок управления системы SRS в сборе
      *3 Разъем C
      *4 SST
      *a

      Вид спереди разъема со стороны жгута проводов:

      (к левому переднему ремню с катушкой и преднатяжителем в сборе)

      Выключите зажигание.

    2. Отсоедините провод от отрицательного (-) вывода аккумуляторной батареи и подождите не менее 90 секунд.

    3. Отсоедините разъем от левого переднего ремня безопасности с катушкой и преднатяжителем в сборе.

    4. Подсоедините белую сторону провода SST (сопротивление: 2,1 Ом) к разъему С.

      CAUTION:

      Никогда не подключайте для измерения диагностический прибор к левому переднему ремню с катушкой и преднатяжителем в сборе, так как это может привести к серьезной травме вследствие развертывания подушки безопасности.

      Note


      • При подсоединении не следует вставлять SST в контакты разъема с усилием.

      • Вставляйте SST в контакты разъема по прямой.

      SST
      09843-18061
    5. Подсоедините провод к отрицательному (-) выводу аккумуляторной батареи и подождите не менее 2 секунд.

    6. Установите замок зажигания в положение ON (ВКЛ) и подождите не менее 60 секунд.

    7. Сбросьте коды DTC (см. стр. Click here).

    8. Выключите зажигание.

    9. Установите замок зажигания в положение ON (ВКЛ) и подождите не менее 60 секунд.

    10. Проверьте коды DTC (см. стр. Click here).

      OK
      DTC B1905, B1906, B1907 или B1908 не выводится.

      Tech Tips

      В этот раз могут выводиться другие коды, кроме B1905, B1906, B1907 и B1908, которые не связаны с данной проверкой.

    11. Выключите зажигание.

    12. Отсоедините провод от отрицательного (-) вывода аккумуляторной батареи и подождите не менее 90 секунд.

    13. Отсоедините SST от разъема С.


    NG
    OK
  2. ПРОВЕРЬТЕ РАЗЪЕМЫ


    1. Отсоедините разъемы от центрального блока управления системы SRS.

    2. Установите замок зажигания в положение ON (ВКЛ).

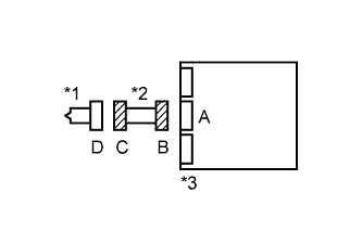
    3. A003C29E04
      Обозначения на рисунке
      *1 Левый передний ремень с катушкой и преднатяжителем в сборе
      *2 Главный жгут проводов моторного отсека
      *3 Центральный блок управления системы SRS в сборе

      Убедитесь, что разъемы со стороны центрального блока управления системы SRS и замка наружного ремня безопасности левого переднего сиденья не повреждены.

      OK
      Кнопка блокировки не освобождена, а защелка замка не деформирована и не повреждена.

    NG
    OK
  3. ПРОВЕРЬТЕ ГЛАВНЫЙ КАБЕЛЬ МОТОРНОГО ОТСЕКА


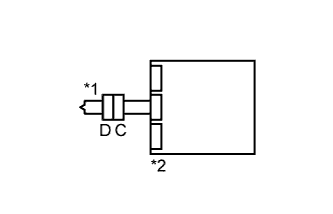
    1. A003FLDE13
      Обозначения на рисунке
      *1 Левый передний ремень с катушкой и преднатяжителем в сборе
      *2 Главный жгут проводов моторного отсека
      *3 Центральный блок управления системы SRS в сборе
      *4 Разъем C
      *a

      Вид спереди разъема со стороны жгута проводов:

      (к левому переднему ремню с катушкой и преднатяжителем в сборе)

      Подсоедините провод к отрицательному (-) выводу аккумуляторной батареи и подождите не менее 2 секунд.

    2. Измерьте напряжение в соответствии со значениями, приведенными в таблице.

      Номинальное напряжение
      Подключение диагностического прибора Положение переключателя Заданные условия
      B23-1 (L+) - масса Зажигание включено Менее 1 В
      B23-2 (L-) - масса Зажигание включено Менее 1 В
    3. Выключите зажигание.

    4. Отсоедините провод от отрицательного (-) вывода аккумуляторной батареи и подождите не менее 90 секунд.

    5. Измерьте сопротивление в соответствии со значениями, приведенными в таблице ниже.

      Номинальное сопротивление
      Подключение диагностического прибора Условие Заданные условия
      B23-1 (L+) - B23-2 (L-) Всегда Менее 1 Ом
    6. Разомкните механизм предотвращения срабатывания, встроенный в разъем B (см. стр. Click here).

    7. Измерьте сопротивление в соответствии со значениями, приведенными в таблице ниже.

      Номинальное сопротивление
      Подключение диагностического прибора Условие Заданные условия
      B23-1 (L+) - B23-2 (L-) Всегда 1 МОм или более
      B23-1 (L+) - масса Всегда 1 МОм или более
      B23-2 (L-) - масса Всегда 1 МОм или более

    NG
    OK
  4. ПРОВЕРЬТЕ DTC


    1. A003GRDE04
      Обозначения на рисунке
      *1 Левый передний ремень с катушкой и преднатяжителем в сборе
      *2 Центральный блок управления системы SRS в сборе

      Подсоедините разъемы к левому переднему ремню безопасности с катушкой и преднатяжителем в сборе и центральному блоку управления системы SRS.

    2. Подсоедините провод к отрицательному (-) выводу аккумуляторной батареи и подождите не менее 2 с.

    3. Установите замок зажигания в положение ON (ВКЛ) и подождите не менее 60 секунд.

    4. Сбросьте коды DTC (см. стр. Click here).

    5. Выключите зажигание.

    6. Установите замок зажигания в положение ON (ВКЛ) и подождите не менее 60 секунд.

    7. Проверьте коды DTC (см. стр. Click here).

      OK
      DTC B1905, B1906, B1907 или B1908 не выводится.

      Tech Tips

      В этот раз могут выводиться другие коды, кроме B1905, B1906, B1907 и B1908, которые не связаны с данной проверкой.


    NG
    OK