| Код DTC | Наименование DTC |
|---|---|
| B1900/73 | Короткое замыкание в цепи пиропатрона правого переднего преднатяжителя |
| B1901/73 | Обрыв в цепи пиропатрона правого переднего преднатяжителя |
| B1902/73 | Короткое замыкание на GND в цепи пиропатрона правого переднего преднатяжителя |
| B1903/73 | Короткое замыкание на B+ в цепи пиропатрона правого переднего преднатяжителя |
ОПИСАНИЕ
Цепь правого переднего преднатяжителя включает центральный блок управления системы SRS и правый передний ремень с катушкой и преднатяжителем в сборе.
Данная цепь служит для передачи управляющего сигнала системы SRS о необходимости активации пиропатрона при выполнении соответствующих условий.
Данные коды DTC регистрируются при обнаружении неисправности в цепи правого переднего преднатяжителя.
| Код DTC | Условие обнаружения DTC | Неисправный участок |
|---|---|---|
| B1900/73 | Выполняется одно из следующих условий:
|
|
| B1901/73 | Выполняется одно из следующих условий:
|
|
| B1902/73 | Выполняется одно из следующих условий:
|
|
| B1903/73 | Выполняется одно из следующих условий:
|
|
СХЕМА ЭЛЕКТРИЧЕСКИХ СОЕДИНЕНИЙ
ПОСЛЕДОВАТЕЛЬНОСТЬ ПРОВЕРКИ
Note
Если отрицательный (-) вывод аккумуляторной батареи отсоединялся во время выполнения ремонта, после его подсоединения необходимо инициализировать некоторые системы (см. стр. Click here).
После замены центрального блока управления системы SRS см. раздел "Инициализация" (см. стр. Click here).
Tech Tips
Чтобы выполнить проверку с имитацией условий возникновения неисправности, войдите в режим активной диагностики (режим проверки сигналов) GTS (см. стр. Click here), а затем подвигайте каждый разъем системы SRS или совершите поездки по дорогам различного типа (см. стр. Click here).
ПОРЯДОК ВЫПОЛНЕНИЯ
ПРОВЕРЬТЕ ПРАВЫЙ ПЕРЕДНИЙ РЕМЕНЬ С КАТУШКОЙ И ПРЕДНАТЯЖИТЕЛЕМ В СБОРЕ
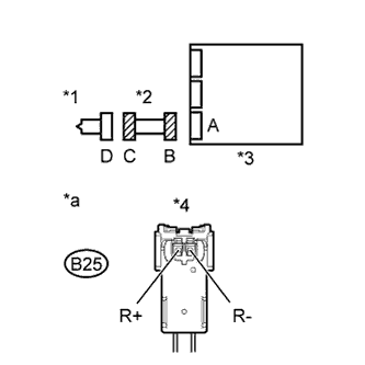
| *1 | Правый передний ремень с катушкой и преднатяжителем в сборе |
| *2 | Центральный блок управления системы SRS в сборе |
| *3 | Разъем C |
| *4 | SST |
| *a | Вид спереди разъема со стороны жгута проводов: (к правому переднему ремню с катушкой и преднатяжителем в сборе) |
Выключите зажигание.
Отсоедините провод от отрицательного (-) вывода аккумуляторной батареи и подождите не менее 90 секунд.
Отсоедините разъем от правого переднего ремня безопасности с катушкой и преднатяжителем в сборе.
Подсоедините белую сторону провода SST (сопротивление: 2,1 Ом) к разъему С.
CAUTION:
Никогда не подключайте для измерения диагностический прибор к правому переднему ремню с катушкой и преднатяжителем в сборе, так как это может привести к серьезной травме вследствие развертывания подушки безопасности.
Note
При подсоединении не следует вставлять SST в контакты разъема с усилием.
Вставляйте SST в контакты разъема по прямой.
Подсоедините провод к отрицательному (-) выводу аккумуляторной батареи и подождите не менее 2 секунд.
Установите замок зажигания в положение ON (ВКЛ) и подождите не менее 60 секунд.
Сбросьте коды DTC (см. стр. Click here).
Выключите зажигание.
Установите замок зажигания в положение ON (ВКЛ) и подождите не менее 60 секунд.
Проверьте коды DTC (см. стр. Click here).
| OK |
|---|
| DTC B1900, B1901, B1902 или B1903 не выводится. |
Tech Tips
В этот раз могут выводиться другие коды, кроме B1900, B1901, B1902 и B1903, которые не связаны с данной проверкой.
Выключите зажигание.
Отсоедините провод от отрицательного (-) вывода аккумуляторной батареи и подождите не менее 90 секунд.
Отсоедините SST от разъема С.
| NG |
|
ПРОВЕРЬТЕ РАЗЪЕМЫ Click here |
| OK |
|
ЗАМЕНИТЕ ПРАВЫЙ ПЕРЕДНИЙ РЕМЕНЬ С КАТУШКОЙ И ПРЕДНАТЯЖИТЕЛЕМ В СБОРЕ Click here
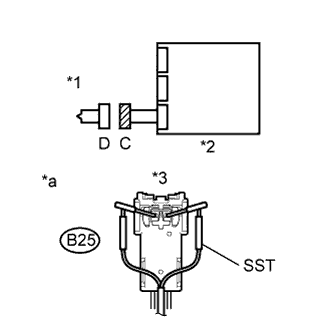
ПРОВЕРЬТЕ РАЗЪЕМЫ
Отсоедините разъемы от центрального блока управления системы SRS.
| *1 | Правый передний ремень с катушкой и преднатяжителем в сборе |
| *2 | Главный жгут проводов моторного отсека |
| *3 | Центральный блок управления системы SRS в сборе |
Убедитесь, что разъемы со стороны центрального блока управления системы SRS и замка наружного ремня безопасности правого переднего сиденья не повреждены.
| OK |
|---|
| Кнопка блокировки не освобождена, а защелка замка не деформирована и не повреждена. |
| NG |
|
ЗАМЕНИТЕ ГЛАВНЫЙ КАБЕЛЬ МОТОРНОГО ОТСЕКА |
| OK |
|
ПРОВЕРЬТЕ ГЛАВНЫЙ КАБЕЛЬ МОТОРНОГО ОТСЕКА
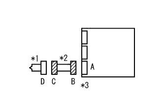
| *1 | Правый передний ремень с катушкой и преднатяжителем в сборе |
| *2 | Главный жгут проводов моторного отсека |
| *3 | Центральный блок управления системы SRS в сборе |
| *4 | Разъем C |
| *a | Вид спереди разъема со стороны жгута проводов: (к правому переднему ремню с катушкой и преднатяжителем в сборе) |
Подсоедините провод к отрицательному (-) выводу аккумуляторной батареи и подождите не менее 2 секунд.
Установите замок зажигания в положение ON (ВКЛ).
Измерьте напряжение в соответствии со значениями, приведенными в таблице.
| Номинальное напряжение | |||||||||
|---|---|---|---|---|---|---|---|---|---|
|
Выключите зажигание.
Отсоедините провод от отрицательного (-) вывода аккумуляторной батареи и подождите не менее 90 секунд.
Измерьте сопротивление в соответствии со значениями, приведенными в таблице ниже.
| Номинальное сопротивление | ||||||
|---|---|---|---|---|---|---|
|
Разомкните механизм предотвращения срабатывания, встроенный в разъем B (см. стр. Click here).
Измерьте сопротивление в соответствии со значениями, приведенными в таблице ниже.
| Номинальное сопротивление | ||||||||||||
|---|---|---|---|---|---|---|---|---|---|---|---|---|
|
| NG |
|
ЗАМЕНИТЕ ГЛАВНЫЙ КАБЕЛЬ МОТОРНОГО ОТСЕКА |
| OK |
|
ПРОВЕРЬТЕ DTC
| *1 | Правый передний ремень с катушкой и преднатяжителем в сборе |
| *2 | Центральный блок управления системы SRS в сборе |
Подсоедините разъемы к правому переднему ремню безопасности с катушкой и преднатяжителем в сборе и центральному блоку управления системы SRS.
Подсоедините провод к отрицательному (-) выводу аккумуляторной батареи и подождите не менее 2 с.
Установите замок зажигания в положение ON (ВКЛ) и подождите не менее 60 секунд.
Сбросьте коды DTC, сохраненные в памяти (см. стр. Click here).
Выключите зажигание.
Установите замок зажигания в положение ON (ВКЛ) и подождите не менее 60 секунд.
Проверьте коды DTC (см. стр. Click here).
| OK |
|---|
| DTC B1900, B1901, B1902 или B1903 не выводится. |
Tech Tips
В этот раз могут выводиться другие коды, кроме B1900, B1901, B1902 и B1903, которые не связаны с данной проверкой.
| NG |
|
ЗАМЕНИТЕ ЦЕНТРАЛЬНЫЙ БЛОК УПРАВЛЕНИЯ СИСТЕМЫ SRS Click here |
| OK |
|
ВЫПОЛНИТЕ ПРОВЕРКУ С ИМИТАЦИЕЙ УСЛОВИЙ ВОЗНИКНОВЕНИЯ НЕИСПРАВНОСТИ Click here