AUTOMATIC TRANSMISSION SYSTEM, Diagnostic DTC:P0705

DTC Code DTC Name
P0705 Transmission Range Sensor Circuit Malfunction (PRNDL Input)

DESCRIPTION

The Park/Neutral Position (PNP) switch detects the shift lever position and sends signals to the ECM.

DTC Code DTC Detection Condition Trouble Area
P0705

One of the following conditions is met:

(A) Any 2 or more of the following signals are ON simultaneously (2-trip detection logic):


  • NSW input signal

  • R input signal

  • 2 input signal

  • L input signal

(B) All signals are OFF simultaneously for NSW, R, 3, 2 and L positions (2-trip detection logic).

(C) Any of the following signals is ON for 2.0 seconds or more with the shift lever in 3 (2-trip detection logic):


  • NSW input signal

  • R input signal

  • 2 input signal

  • L input signal


  • Open or short in park/neutral position switch circuit

  • Park/neutral position switch

  • Transmission control switch (Shift lock control unit assembly)

  • ECM

MONITOR DESCRIPTION

This DTC indicates a problem with the park/neutral position switch or the wire harness in the park/neutral position switch circuit.

The park/neutral position switch detects the shift lever position and sends a signal to the ECM.

For security, the park/neutral position switch detects the shift lever position so that the engine can be started only when the shift lever is in P or N.

The park/neutral position switch sends a signal to the ECM according to the shift lever position (P, R, N, D, 3, 2 or L).

The ECM determines that there is a problem with the switch or related parts if it receives more than 1 position signal simultaneously. The ECM will illuminate the MIL and store the DTC.

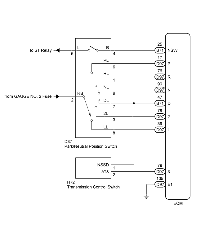
WIRING DIAGRAM

A003COHE01

INSPECTION PROCEDURE


  1. DATA LIST

    Tech Tips

    Using the intelligent tester to read the Data List allows the values or states of switches, sensors, actuators and other items to be read without removing any parts. This non-intrusive inspection can be very useful because intermittent conditions or signals may be discovered before parts or wiring is disturbed. Reading the Data List information early in troubleshooting is one way to save diagnostic time.

    Note

    In the table below, the values listed under "Normal Condition" are reference values. Do not depend solely on these reference values when deciding whether a part is faulty or not.


    1. Warm up the engine.

    2. Turn the ignition switch off.

    3. Connect the intelligent tester to the DLC3.

    4. Turn the ignition switch to ON.

    5. Turn the intelligent tester on.

    6. Enter the following menus: Powertrain / Engine and ECT / Data List.

    7. According to the display on the tester, read the Data List.

      Engine and ECT
      Tester Display Measurement Item/Range Normal Condition Diagnostic Note
      Neutral Position SW Signal

      PNP switch status/

      ON or OFF


      • Shift lever in P or N: ON

      • Shift lever not in P or N: OFF

      When the shift lever position displayed on the intelligent tester differs from the actual position, the adjustment of the PNP switch or shift cable may be incorrect.
      Shift SW Status (P Range)

      PNP switch status/

      ON or OFF


      • Shift lever in P: ON

      • Shift lever not in P: OFF

      When the shift lever position displayed on the intelligent tester differs from the actual position, the adjustment of the PNP switch or shift cable may be incorrect.
      Shift SW Status (R Range)

      PNP switch status/

      ON or OFF


      • Shift lever in R: ON

      • Shift lever not in R: OFF

      When the shift lever position displayed on the intelligent tester differs from the actual position, the adjustment of the PNP switch or shift cable may be incorrect.
      Shift SW Status (2 Range)

      PNP switch status/

      ON or OFF


      • Shift lever in 2: ON

      • Shift lever not in 2: OFF

      When the shift lever position displayed on the intelligent tester differs from the actual position, the adjustment of the PNP switch or shift cable may be incorrect.
      Shift SW Status (L Range)

      PNP switch status/

      ON or OFF


      • Shift lever in L: ON

      • Shift lever not in L: OFF

      When the shift lever position displayed on the intelligent tester differs from the actual position, the adjustment of the PNP switch or shift cable may be incorrect.
      Shift SW Status (N Range)

      PNP switch status/

      ON or OFF


      • Shift lever in N: ON

      • Shift lever not in N: OFF

      When the shift lever position displayed on the intelligent tester differs from the actual position, the adjustment of the PNP switch or shift cable may be incorrect.
      Shift SW Status (D Range)

      PNP switch status/

      ON or OFF


      • Shift lever in D or 3: ON

      • Shift lever not in D or 3: OFF

      When the shift lever position displayed on the intelligent tester differs from the actual position, the adjustment of the PNP switch or shift cable may be incorrect.
      Shift SW Status (3 Range)

      PNP switch status/

      ON or OFF


      • Shift lever in 3: ON

      • Shift lever not in 3: OFF

      When the shift lever position displayed on the intelligent tester differs from the actual position, the adjustment of the PNP switch or shift cable may be incorrect.

PROCEDURE


  1. CHECK PARK/NEUTRAL POSITION SWITCH ASSEMBLY (POWER SOURCE)


    1. A003GL3E01
      Text in Illustration
      *a

      Front view of wire harness connector

      (to Park/Neutral Position Switch)

      Disconnect the park/neutral position switch connector.

    2. Measure the voltage according to the value(s) in the table below.

      Standard Voltage
      Tester Connection Switch Condition Specified Condition
      D37-2 (RB) - Body ground Ignition switch ON 11 to 14 V
      D37-2 (RB) - Body ground Ignition switch off Below 1 V

    NG
    OK
  2. CHECK HARNESS AND CONNECTOR (NSW TERMINAL VOLTAGE)


    1. A003GL3E03
      Text in Illustration
      *a

      Front view of wire harness connector

      (to Park/Neutral Position Switch)

      Disconnect the park/neutral position switch connector.

    2. Measure the voltage according to the value(s) in the table below.

      Standard Voltage
      Tester Connection Switch Condition Specified Condition
      D37-4 (B) - Body ground Ignition switch ON 11 to 14 V
      D37-4 (B) - Body ground Ignition switch off Below 1 V

    NG
    OK
  3. INSPECT PARK/NEUTRAL POSITION SWITCH ASSEMBLY


    1. A003B5LE54
      Text in Illustration
      *a

      Component without harness connected

      (Park/Neutral Position Switch)

      Disconnect the park/neutral position switch connector.

    2. Measure the resistance according to the value(s) in the table below.

      Standard Resistance
      Tester Connection Condition Specified Condition
      4 (B) - 5 (L) Shift lever in P or N Below 1 Ω
      2 (RB) - 6 (PL) Shift lever in P Below 1 Ω
      2 (RB) - 1 (RL) Shift lever in R Below 1 Ω
      2 (RB) - 9 (NL) Shift lever in N Below 1 Ω
      2 (RB) - 7 (DL) Shift lever in D or 3 Below 1 Ω
      2 (RB) - 3 (2L) Shift lever in 2 Below 1 Ω
      2 (RB) - 8 (LL) Shift lever in L Below 1 Ω
      4 (B) - 5 (L) Shift lever not in P or N 10 kΩ or higher
      2 (RB) - 6 (PL) Shift lever not in P 10 kΩ or higher
      2 (RB) - 1 (RL) Shift lever not in R 10 kΩ or higher
      2 (RB) - 9 (NL) Shift lever not in N 10 kΩ or higher
      2 (RB) - 7 (DL) Shift lever not in D or 3 10 kΩ or higher
      2 (RB) - 3 (2L) Shift lever not in 2 10 kΩ or higher
      2 (RB) - 8 (LL) Shift lever not in L 10 kΩ or higher

    NG
    OK
  4. INSPECT TRANSMISSION CONTROL SWITCH


    1. A003B7RE01
      Text in Illustration
      *a

      Component without harness connected

      (Transmission Control Switch)

      Disconnect the transmission control switch connector.

    2. Measure the resistance according to the value(s) in the table below.

      Standard Resistance
      Tester Connection Condition Specified Condition
      1 (NSSD) - 2 (AT3) Shift lever in 3 Below 1 Ω
      1 (NSSD) - 2 (AT3) Shift lever in D 10 kΩ or higher

    NG
    OK
  5. CHECK HARNESS AND CONNECTOR (PARK/NEUTRAL POSITION SWITCH - TRANSMISSION CONTROL SWITCH)


    1. A003GTVE07
      Text in Illustration
      *a

      Front view of wire harness connector

      (to Transmission Control Switch)

      Disconnect the transmission control switch connector.

    2. Measure the voltage according to the value(s) in the table below.

      Standard Voltage
      Tester Connection Condition Specified Condition
      H72-1 (NSSD) - Body ground
      • Ignition switch ON

      • Shift lever in D or 3

      11 to 14 V
      H72-1 (NSSD) - Body ground
      • Ignition switch ON

      • Shift lever not in D or 3

      Below 1 V

    NG
    OK
  6. CHECK HARNESS AND CONNECTOR (PARK/NEUTRAL POSITION SWITCH, TRANSMISSION CONTROL SWITCH - ECM)


    1. A003CXNE01
      Text in Illustration
      *a

      Front view of wire harness connector

      (to ECM)

      Disconnect the ECM connectors.

    2. Measure the voltage according to the value(s) in the table below.

      Standard Voltage
      Tester Connection Condition Specified Condition
      D97-17 (P) - D97-105 (E1)
      • Ignition switch ON

      • Shift lever in P

      11 to 14 V
      D97-76 (R) - D97-105 (E1)
      • Ignition switch ON

      • Shift lever in R

      11 to 14 V*
      D97-99 (N) - D97-105 (E1)
      • Ignition switch ON

      • Shift lever in N

      11 to 14 V
      B71-47 (D) - D97-105 (E1)
      • Ignition switch ON

      • Shift lever in D or 3

      11 to 14 V
      D97-79 (3) - D97-105 (E1)
      • Ignition switch ON

      • Shift lever in 3

      11 to 14 V
      D97-78 (2) - D97-105 (E1)
      • Ignition switch ON

      • Shift lever in 2

      11 to 14 V
      D97-39 (L) - D97-105 (E1)
      • Ignition switch ON

      • Shift lever in L

      11 to 14 V
      D97-17 (P) - D97-105 (E1)
      • Ignition switch ON

      • Shift lever not in P

      Below 1 V
      D97-76 (R) - D97-105 (E1)
      • Ignition switch ON

      • Shift lever not in R

      Below 1 V
      D97-99 (N) - D97-105 (E1)
      • Ignition switch ON

      • Shift lever not in N

      Below 1 V
      B71-47 (D) - D97-105 (E1)
      • Ignition switch ON

      • Shift lever not in D or 3

      Below 1 V
      D97-79 (3) - D97-105 (E1)
      • Ignition switch ON

      • Shift lever not in 3

      Below 1 V
      D97-78 (2) - D97-105 (E1)
      • Ignition switch ON

      • Shift lever not in 2

      Below 1 V
      D97-39 (L) - D97-105 (E1)
      • Ignition switch ON

      • Shift lever not in L

      Below 1 V

      Tech Tips

      *: The voltage will drop slightly due to the illumination of the back-up light.


    NG
    OK
  7. CHECK HARNESS AND CONNECTOR (PARK/NEUTRAL POSITION SWITCH - ECM)


    1. Disconnect the D37 park/neutral position switch connector.

    2. Disconnect the B71 ECM connector.

    3. Measure the resistance according to the value(s) in the table below.

      Standard Resistance
      Tester Connection Condition Specified Condition
      D37-4 (B) - B71-25 (NSW) Always Below 1 Ω
      D37-4 (B) - Body ground Always 10 kΩ or higher

    NG
    OK