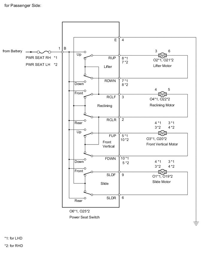
FRONT POWER SEAT CONTROL SYSTEM SYSTEM DIAGRAM

A004R1BE02
Communication Table
Sender Receiver Signal Line
ECM Position Control ECU
  • Shift position signal

  • Transaxle information signal

CAN
Combination Meter Position Control ECU Vehicle speed signal CAN
Main Body ECU Position Control ECU
  • Seat memory switch M1 signal

  • Seat memory switch M2 signal

  • Parking brake switch signal

CAN
Multiplex Tilt and Telescopic ECU Position Control ECU Tilt and telescopic system condition signal CAN
A004P2UE06