DESCRIPTION
There may be an open circuit in the CAN main wire and/or DLC3 CAN branch wire when the resistance between terminals 6 (CANH) and 14 (CANL) of the DLC3 is 69 Ω or higher.
| Symptom | Trouble Area |
|---|---|
| The resistance between terminals 6 (CANH) and 14 (CANL) of the DLC3 is 69 Ω or higher. |
|
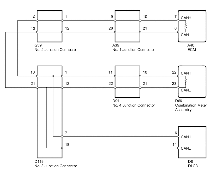
WIRING DIAGRAM
CAUTION / NOTICE / HINT
Tech Tips
Operating the ignition switch, any switches or any doors triggers related ECU and sensor communication with the CAN, which causes resistance variation.
PROCEDURE
PRECAUTION
Note
After turning the ignition switch off, waiting time may be required before disconnecting the cable from the battery terminal. Therefore, make sure to read the disconnecting the cable from the battery terminal notice before proceeding with work Click here.
| NEXT |
|
DISCONNECT CABLE FROM NEGATIVE BATTERY TERMINAL
Disconnect the cable from the negative (-) battery terminal before measuring the resistances of the CAN main wire and the CAN branch wire.
CAUTION:
Wait at least 90 seconds after disconnecting the cable from the negative (-) battery terminal to disable the SRS system.
Note
When disconnecting the cable, some systems need to be initialized after the cable is reconnected Click here.
| NEXT |
|
CHECK FOR OPEN IN CAN BUS WIRE (NO. 3 JUNCTION CONNECTOR - DLC3)
| *a | Rear view of wire harness connector (to No. 3 Junction Connector) |
| *b | Front view of DLC3 |
Disconnect the D119 No. 3 junction connector.
Measure the resistance according to the value(s) in the table below.
| Standard Resistance | |||||||||
|---|---|---|---|---|---|---|---|---|---|
|
| NG |
|
REPAIR OR REPLACE CAN BRANCH WIRE CONNECTED TO DLC3 (CANH, CANL) |
| OK |
|
CHECK FOR OPEN IN CAN BUS WIRE (NO. 3 JUNCTION CONNECTOR - ECM)
| *a | Rear view of wire harness connector (to No. 3 Junction Connector) |
Measure the resistance according to the value(s) in the table below.
| Standard Resistance | ||||||
|---|---|---|---|---|---|---|
|
| NG |
|
CONNECT CONNECTOR Click here |
| OK |
|
CHECK FOR OPEN IN CAN BUS WIRE (NO. 3 JUNCTION CONNECTOR - COMBINATION METER ASSEMBLY)
| *a | Rear view of wire harness connector (to No. 3 Junction Connector) |
Measure the resistance according to the value(s) in the table below.
| Standard Resistance | ||||||
|---|---|---|---|---|---|---|
|
| OK |
|
REPLACE NO. 3 JUNCTION CONNECTOR |
| NG |
|
CONNECT CONNECTOR Click here |
CONNECT CONNECTOR
Reconnect the D119 No. 3 junction connector.
| NEXT |
|
CHECK FOR OPEN IN CAN BUS WIRE (NO. 2 JUNCTION CONNECTOR - ECM)
| *a | Rear view of wire harness connector (to No. 2 Junction Connector) |
Disconnect the G39 No. 2 junction connector.
Measure the resistance according to the value(s) in the table below.
| Standard Resistance | ||||||
|---|---|---|---|---|---|---|
|
| NG |
|
CONNECT CONNECTOR Click here |
| OK |
|
CHECK FOR OPEN IN CAN BUS WIRE (NO. 2 JUNCTION CONNECTOR - NO. 3 JUNCTION CONNECTOR)
| *a | Rear view of wire harness connector (to No. 2 Junction Connector) |
Measure the resistance according to the value(s) in the table below.
| Standard Resistance | ||||||
|---|---|---|---|---|---|---|
|
| OK |
|
REPLACE NO. 2 JUNCTION CONNECTOR |
| NG |
|
REPAIR OR REPLACE CAN MAIN WIRE OR CONNECTOR (NO. 2 JUNCTION CONNECTOR - NO. 3 JUNCTION CONNECTOR) |
CONNECT CONNECTOR
Reconnect the G39 No. 2 junction connector.
| NEXT |
|
CHECK FOR OPEN IN CAN BUS WIRE (NO. 1 JUNCTION CONNECTOR - ECM)
| *a | Rear view of wire harness connector (to No. 1 Junction Connector) |
Disconnect the A39 No. 1 junction connector.
Measure the resistance according to the value(s) in the table below.
| Standard Resistance | ||||||
|---|---|---|---|---|---|---|
|
| NG |
|
CONNECT CONNECTOR Click here |
| OK |
|
CHECK FOR OPEN IN CAN BUS WIRE (NO. 1 JUNCTION CONNECTOR - NO. 2 JUNCTION CONNECTOR)
| *a | Rear view of wire harness connector (to No. 1 Junction Connector) |
Measure the resistance according to the value(s) in the table below.
| Standard Resistance | ||||||
|---|---|---|---|---|---|---|
|
| OK |
|
REPLACE NO. 1 JUNCTION CONNECTOR |
| NG |
|
REPAIR OR REPLACE CAN MAIN WIRE OR CONNECTOR (NO. 1 JUNCTION CONNECTOR - NO. 2 JUNCTION CONNECTOR) |
CONNECT CONNECTOR
Reconnect the A39 No. 1 junction connector.
| NEXT |
|
CHECK FOR OPEN IN CAN BUS WIRE (ECM - NO. 1 JUNCTION CONNECTOR)
| *a | Front view of wire harness connector (to ECM) |
Disconnect the A40 ECM connector.
Measure the resistance according to the value(s) in the table below.
| Standard Resistance | ||||||
|---|---|---|---|---|---|---|
|
| Result | Proceed to |
|---|---|
| OK (for 1AD-FTV) | A |
| OK (for 2AD-FTV) | B |
| OK (for 2AD-FHV) | C |
| NG | D |
| A |
|
REPLACE ECM Click here |
| B |
|
REPLACE ECM Click here |
| C |
|
REPLACE ECM Click here |
| D |
|
REPAIR OR REPLACE CAN MAIN WIRE CONNECTED TO ECM (ECM - NO. 1 JUNCTION CONNECTOR) |
CONNECT CONNECTOR
Reconnect the D119 No. 3 junction connector.
| NEXT |
|
CHECK FOR OPEN IN CAN BUS WIRE (NO. 4 JUNCTION CONNECTOR - COMBINATION METER ASSEMBLY)
| *a | Rear view of wire harness connector (to No. 4 Junction Connector) |
Disconnect the D91 No. 4 junction connector.
Measure the resistance according to the value(s) in the table below.
| Standard Resistance | ||||||
|---|---|---|---|---|---|---|
|
| NG |
|
CONNECT CONNECTOR Click here |
| OK |
|
CHECK FOR OPEN IN CAN BUS WIRE (NO. 4 JUNCTION CONNECTOR - NO. 3 JUNCTION CONNECTOR)
| *a | Rear view of wire harness connector (to No. 4 Junction Connector) |
Measure the resistance according to the value(s) in the table below.
| Standard Resistance | ||||||
|---|---|---|---|---|---|---|
|
| OK |
|
REPLACE NO. 4 JUNCTION CONNECTOR |
| NG |
|
REPAIR OR REPLACE CAN MAIN WIRE OR CONNECTOR (NO. 4 JUNCTION CONNECTOR - NO. 3 JUNCTION CONNECTOR) |
CONNECT CONNECTOR
Reconnect the D91 No. 4 junction connector.
| NEXT |
|
CHECK FOR OPEN IN CAN BUS WIRE (COMBINATION METER ASSEMBLY - NO. 4 JUNCTION CONNECTOR)
| *a | Rear view of wire harness connector (to Combination Meter Assembly) |
Disconnect the D66 combination meter assembly connector.
Measure the resistance according to the value(s) in the table below.
| Standard Resistance | ||||||
|---|---|---|---|---|---|---|
|
| OK |
|
REPLACE COMBINATION METER ASSEMBLY Click here |
| NG |
|
REPAIR OR REPLACE CAN MAIN WIRE CONNECTED TO COMBINATION METER ASSEMBLY (COMBINATION METER ASSEMBLY - NO. 4 JUNCTION CONNECTOR) |