CAN COMMUNICATION SYSTEM Audio Receiver Assembly Communication Stop Mode

DESCRIPTION

Detection Condition Symptoms Trouble Area
Audio Receiver Assembly Communication Stop Mode

Either condition is met:


  • "Display and Navigation (AVN)" is not displayed on the "Bus Check" screen.

  • "Audio Receiver Assembly Communication Stop Mode" in "DTC Combination Table" applies.


  • Power source or inside of radio and display receiver assembly

  • Radio and display receiver assembly CAN branch wire or connector

  • Radio and display receiver assembly


WIRING DIAGRAM

A004TUUE02

CAUTION / NOTICE / HINT

Note

Inspect the fuses for circuits related to this system before performing the following inspection procedure.

Tech Tips

Operating the ignition switch, any switches or any doors triggers related ECU and sensor communication with the CAN, which causes resistance variation.

PROCEDURE


  1. PRECAUTION

    Note

    After turning the ignition switch off, waiting time may be required before disconnecting the cable from the battery terminal. Therefore, make sure to read the disconnecting the cable from the battery terminal notice before proceeding with work Click here.


    NEXT
  2. DISCONNECT CABLE FROM NEGATIVE BATTERY TERMINAL


    1. Disconnect the cable from the negative (-) battery terminal before measuring the resistances of the CAN main wire and the CAN branch wire.

      CAUTION:

      Wait at least 90 seconds after disconnecting the cable from the negative (-) battery terminal to disable the SRS system.

      Note

      When disconnecting the cable, some systems need to be initialized after the cable is reconnected Click here.


    NEXT
  3. CHECK FOR OPEN IN CAN BUS WIRE (RADIO AND DISPLAY RECEIVER ASSEMBLY CAN BRANCH WIRE)


    1. A004TW2E02
      Text in Illustration
      *a

      Front view of wire harness connector

      (to Radio and Display Receiver Assembly)

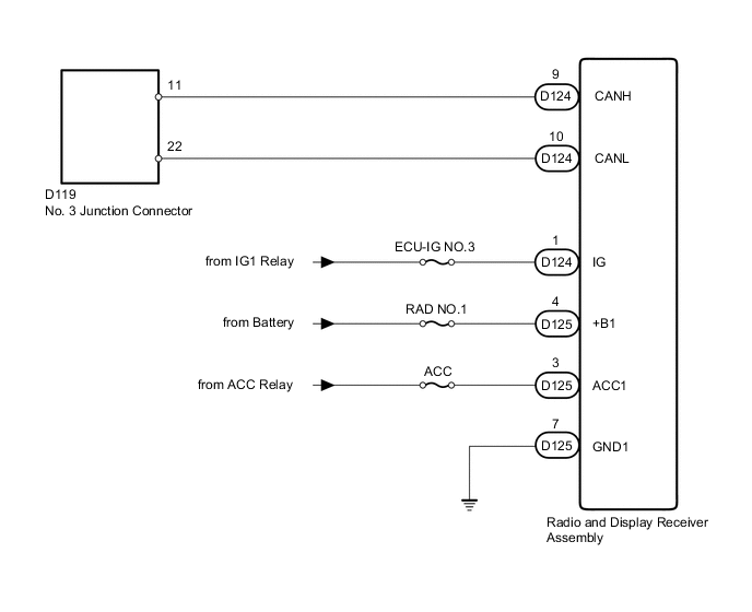
      Disconnect the D124 radio and display receiver assembly connector.

    2. Measure the resistance according to the value(s) in the table below.

      Standard Resistance
      Tester Connection Switch Condition Specified Condition
      D124-9 (CANH) - D124-10 (CANL) Ignition switch off 54 to 69 Ω

    NG
    OK
  4. CHECK HARNESS AND CONNECTOR (RADIO AND DISPLAY RECEIVER ASSEMBLY - BATTERY AND BODY GROUND)


    1. A004NEUE02
      Text in Illustration
      *a

      Front view of wire harness connector

      (to Radio and Display Receiver Assembly)

      Connect the cable to the negative (-) battery terminal.

      Note

      When disconnecting the cable, some systems need to be initialized after the cable is reconnected Click here.

    2. Disconnect the D125 radio and display receiver assembly connector.

    3. Measure the voltage according to the value(s) in the table below.

      Standard Voltage
      Tester Connection Condition Specified Condition
      D125-4 (+B1) - Body ground Always 11 to 14 V
      D125-3 (ACC1) - Body ground Ignition switch ACC 11 to 14 V
      D124-1 (IG) - Body ground Ignition switch ON 11 to 14 V
    4. Measure the resistance according to the value(s) in the table below.

      Standard Resistance
      Tester Connection Condition Specified Condition
      D125-7 (GND1) - Body ground Always Below 1 Ω

    OK
    NG