CAN COMMUNICATION SYSTEM Main Body ECU Communication Stop Mode

DESCRIPTION

Detection Item Symptom Trouble Area
Main Body ECU Communication Stop Mode

Either condition is met:


  • "Main Body" is not displayed on the "Bus Check" screen.

  • "Main Body ECU Communication Stop Mode" in "DTC Communication Table" applies.


  • Power source or inside of main body ECU (instrument panel junction block assembly)

  • Main body ECU (instrument panel junction block assembly) CAN branch wire or connector

  • Main body ECU (instrument panel junction block assembly)

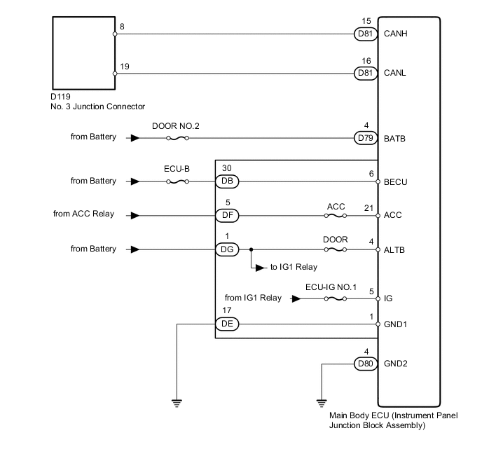
WIRING DIAGRAM

A004R69E04

CAUTION / NOTICE / HINT

Note

Inspect the fuses for circuits related to this system before performing the following inspection procedure.

Tech Tips

Operating the ignition switch, any switches or any doors triggers related ECU and sensor communication with the CAN, which causes resistance variation.

PROCEDURE


  1. PRECAUTION

    Note

    After turning the ignition switch off, waiting time may be required before disconnecting the cable from the battery terminal. Therefore, make sure to read the disconnecting the cable from the battery terminal notice before proceeding with work Click here.


    NEXT
  2. DISCONNECT CABLE FROM NEGATIVE BATTERY TERMINAL


    1. Disconnect the cable from the negative (-) battery terminal before measuring the resistances of the CAN main wire and the CAN branch wire.

      CAUTION:

      Wait at least 90 seconds after disconnecting the cable from the negative (-) battery terminal to disable the SRS system.

      Note

      When disconnecting the cable, some systems need to be initialized after the cable is reconnected Click here.


    NEXT
  3. CHECK FOR OPEN IN CAN BUS WIRE (MAIN BODY ECU CAN BRANCH WIRE)


    1. A004RO7E02
      Text in Illustration
      *a

      Front view of wire harness connector

      (to Main Body ECU [Instrument Panel Junction Block Assembly])

      Disconnect the D81 main body ECU (instrument panel junction block assembly) connector.

    2. Measure the resistance according to the value(s) in the table below.

      Standard Resistance
      Tester Connection Switch Condition Specified Condition
      D81-15 (CANH) - D81-16 (CANL) Ignition switch off 54 to 69 Ω

    NG
    OK
  4. CHECK HARNESS AND CONNECTOR (MAIN BODY ECU - BATTERY AND BODY GROUND)


    1. Connect the cable to the negative (-) battery terminal.

      A004NSBE02
      Text in Illustration
      *1

      Front view of wire harness connector

      (to Main Body ECU)

      - -

      Note

      When disconnecting the cable, some systems need to be initialized after the cable is reconnected Click here.

    2. Disconnect the D79, D80, DB, DE, DF and DG main body ECU (instrument panel junction block assembly) connectors.

    3. Measure the voltage according to the value(s) in the table below.

      Standard Voltage
      Tester Connection Condition Specified Condition
      D79-4 (BATB) - Body ground Always 11 to 14 V
      DB-30 (BECU) - Body ground Always 11 to 14 V
      DF-5 (ACC) - Body ground Ignition switch ACC 11 to 14 V
      DG-1 (ALTB) - Body ground Always 11 to 14 V
      DG-1 (IG) - Body ground Always 11 to 14 V
    4. Measure the resistance according to the value(s) in the table below.

      Standard Resistance
      Tester Connection Condition Specified Condition
      DE-17 (GND1) - Body ground Always Below 1 Ω
      D80-4 (GND2) - Body ground Always Below 1 Ω

    OK
    NG