CAN COMMUNICATION SYSTEM Yaw Rate Sensor Communication Stop Mode

DESCRIPTION

Detection Item Symptom Trouble Area
Yaw Rate Sensor Communication Stop Mode

Either condition is met:


  • "Yaw Rate Sensor" is not displayed on "Bus Check".

  • "Yaw Rate Sensor Communication Stop Mode" in "DTC Combination Table" applies.


  • Power source or inside of yaw rate sensor

  • Yaw rate sensor CAN branch wire or connector

  • Yaw rate sensor

WIRING DIAGRAM

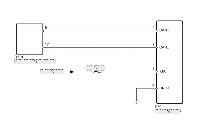
A004PUSE09
*a No. 3 Junction Connector
*b ECU-IG NO.1
*c from IG1 Relay
*d Yaw Rate Sensor

CAUTION / NOTICE / HINT

Note

Inspect the fuses for circuits related to this system before performing the following inspection procedure.

Tech Tips

Operating the ignition switch, any switches or any doors triggers related ECU and sensor communication with the CAN, which causes resistance variation.

PROCEDURE


  1. PRECAUTION

    Note

    After turning the ignition switch off, waiting time may be required before disconnecting the cable from the battery terminal. Therefore, make sure to read the disconnecting the cable from the battery terminal notice before proceeding with work Click here.


    NEXT
  2. DISCONNECT CABLE FROM NEGATIVE BATTERY TERMINAL


    1. Disconnect the cable from the negative (-) battery terminal before measuring the resistances of the CAN main wire and the CAN branch wire.

      CAUTION:

      Wait at least 90 seconds after disconnecting the cable from the negative (-) battery terminal to disable the SRS system.

      Note

      When disconnecting the cable, some systems need to be initialized after the cable is reconnected Click here.


    NEXT
  3. CHECK FOR OPEN IN CAN BUS WIRE (YAW RATE SENSOR CAN BRANCH WIRE)


    1. A004RQ3E02
      Text in Illustration
      *a

      Front view of wire harness connector

      (to Yaw Rate Sensor)

      Disconnect the D69 yaw rate sensor connector.

    2. Measure the resistance according to the value(s) in the table below.

      Standard Resistance
      Tester Connector Switch Condition Specified Condition
      D69-2 (CANH) - D69-3 (CANL) Ignition switch off 54 to 69 Ω

    NG
    OK
  4. CHECK HARNESS AND CONNECTOR (YAW RATE SENSOR - BATTERY AND BODY GROUND)


    1. A004QCTE02
      Text in Illustration
      *a

      Front view of wire harness connector

      (to Yaw Rate Sensor)

      Connect the cable to the negative (-) battery terminal.

      Note

      When disconnecting the cable, some systems need to be initialized after the cable is reconnected Click here.

    2. Measure the voltage according to the value(s) in the table below.

      Standard Voltage
      Tester Connection Condition Specified Condition
      D69-1 (IGA) - Body ground Ignition switch ON 11 to 14 V
    3. Measure the resistance according to the value(s) in the table below.

      Standard Resistance
      Tester Connection Condition Specified Condition
      D69-4 (GNDA) - Body ground Always Below 1 Ω

    OK
    NG