DESCRIPTION
| Detection Item | Symptom | Trouble Area |
|---|---|---|
| Steering Angle Sensor Communication Stop Mode | Either condition is met:
|
|
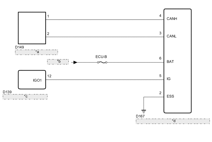
WIRING DIAGRAM
| *a | No. 1 Junction Connector |
| *b | from Battery |
| *c | Engine Stop and Start ECU |
| *d | Spiral with Sensor Cable Sub-assembly (Steering Angle Sensor) |
CAUTION / NOTICE / HINT
Note
Inspect the fuses for circuits related to this system before performing the following inspection procedure.
Tech Tips
Operating the ignition switch, any switches or any doors triggers related ECU and sensor communication with the CAN, which causes resistance variation.
PROCEDURE
PRECAUTION
Note
After turning the ignition switch off, waiting time may be required before disconnecting the cable from the battery terminal. Therefore, make sure to read the disconnecting the cable from the battery terminal notice before proceeding with work Click here.
| NEXT |
|
DISCONNECT CABLE FROM NEGATIVE BATTERY TERMINAL
Disconnect the cable from the negative (-) battery terminal before measuring the resistances of the CAN main wire and the CAN branch wire.
CAUTION:
Wait at least 90 seconds after disconnecting the cable from the negative (-) battery terminal to disable the SRS system.
Note
When disconnecting the cable, some systems need to be initialized after the cable is reconnected Click here.
| NEXT |
|
CHECK FOR OPEN IN CAN BUS WIRE (STEERING ANGLE SENSOR CAN BRANCH WIRE)
| *a | Rear view of wire harness connector (to Spiral with Sensor Cable Sub-assembly [Steering Angle Sensor]) |
Disconnect the D71 spiral with sensor cable sub-assembly (steering angle sensor) connector.
Measure the resistance according to the value(s) in the table below.
| Standard Resistance | ||||||
|---|---|---|---|---|---|---|
|
| NG |
|
REPAIR OR REPLACE STEERING ANGLE SENSOR CAN BRANCH WIRE OR CONNECTOR (CANH, CANL) |
| OK |
|
CHECK HARNESS AND CONNECTOR (STEERING ANGLE SENSOR - BATTERY AND BODY GROUND)
| *a | Rear view of wire harness connector (to Spiral with Sensor Cable Sub-assembly [Steering Angle Sensor]) |
Connect the cable to the negative (-) battery terminal.
Note
When disconnecting the cable, some systems need to be initialized after the cable is reconnected Click here.
Measure the voltage according to the value(s) in the table below.
| Standard Voltage | |||||||||
|---|---|---|---|---|---|---|---|---|---|
|
Measure the resistance according to the value(s) in the table below.
| Standard Resistance | ||||||
|---|---|---|---|---|---|---|
|
| Result | Proceed to |
|---|---|
| OK | A |
| NG (IG terminal) | B |
| NG (Except IG terminal) | C |
| A |
|
REPLACE SPIRAL WITH SENSOR CABLE SUB-ASSEMBLY (STEERING ANGLE SENSOR) Click here |
| B |
|
GO TO STOP AND START SYSTEM Click here |
| C |
|
REPAIR OR REPLACE HARNESS OR CONNECTOR |