CAN COMMUNICATION SYSTEM Power Steering ECU Communication Stop Mode

DESCRIPTION

Detection Item Symptom Trouble Area
Power steering ECU Communication Stop Mode

Either condition is met:


  • "Power Steering (EPS)" is not displayed on the "Bus Check" screen.

  • "Power Steering ECU Communication Stop Mode" in "DTC Combination Table" applies.


  • Power source or inside of power steering ECU assembly

  • Power steering ECU assembly CAN branch wire or connector

  • Power steering ECU assembly

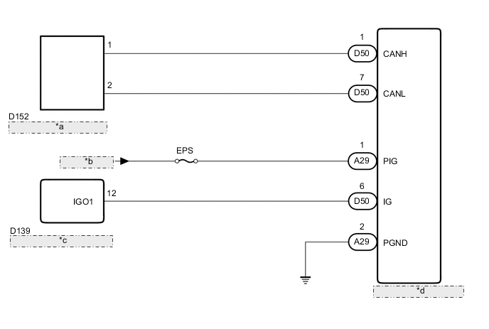
WIRING DIAGRAM

A004MZLE02
*a No. 1 Junction Connector
*b from Battery
*c Engine Stop and Start ECU
*d Power Steering ECU Assembly

CAUTION / NOTICE / HINT

Note

Inspect the fuses for circuits related to this system before performing the following inspection procedure.

Tech Tips

Operating the ignition switch, any switches or any doors triggers related ECU and sensor communication with the CAN, which causes resistance variation.

PROCEDURE


  1. PRECAUTION

    Note

    After turning the ignition switch off, waiting time may be required before disconnecting the cable from the battery terminal. Therefore, make sure to read the disconnecting the cable from the battery terminal notice before proceeding with work Click here.


    NEXT
  2. DISCONNECT CABLE FROM NEGATIVE BATTERY TERMINAL


    1. Disconnect the cable from the negative (-) battery terminal before measuring the resistances of the CAN main wire and the CAN branch wire.

      CAUTION:

      Wait at least 90 seconds after disconnecting the cable from the negative (-) battery terminal to disable the SRS system.

      Note

      When disconnecting the cable, some systems need to be initialized after the cable is reconnected Click here.


    NEXT
  3. CHECK FOR OPEN IN CAN BUS WIRE (POWER STEERING ECU ASSEMBLY CAN BRANCH WIRE)


    1. A004Q9KE02
      Text in Illustration
      *a

      Rear view of wire harness connector

      (to Power Steering ECU Assembly)

      Disconnect the D50 power steering ECU assembly connector.

    2. Measure the resistance according to the value(s) in the table below.

      Standard Resistance
      Tester Connection Switch Condition Specified Condition
      D50-1 (CANH) - D50-7 (CANL) Ignition switch off 54 to 69 Ω

    NG
    OK
  4. CHECK HARNESS AND CONNECTOR (POWER STEERING ECU ASSEMBLY - BATTERY AND BODY GROUND)


    1. A004MS1E02
      Text in Illustration
      *a

      Rear view of wire harness connector

      (to Power Steering ECU Assembly)

      Connect the cable to the negative (-) battery terminal.

      Note

      When disconnecting the cable, some systems need to be initialized after the cable is reconnected Click here.

    2. Disconnect the A29 power steering ECU assembly connector.

    3. Measure the voltage according to the value(s) in the table below.

      Standard Voltage
      Tester Connection Condition Specified Condition
      A29-1 (PIG) - Body ground Always 11 to 14 V
      D50-6 (IG) - Body ground Ignition switch ON 9.5 to 14 V
    4. Measure the resistance according to the value(s) in the table below.

      Standard Resistance
      Tester Connection Condition Specified Condition
      A29-2 (PGND) - Body ground Always Below 1 Ω
      Result
      Result Proceed to
      OK (for LHD) A
      OK (for RHD) B
      NG (IG terminal) C
      NG (Except IG terminal) D

    A
    B
    C
    D