CAN COMMUNICATION SYSTEM, Diagnostic DTC:U1002

DTC Code DTC Name
U1002 Lost Communication with Gateway Module (MS Bus)

DESCRIPTION


DTC Code DTC Detection Condition Trouble Area
U1002 Lost communication with the gateway module (MS bus).
  • MS bus circuit

  • Main body ECU (instrument panel junction block assembly) CAN main wire or connector

  • Position control ECU assembly CAN branch wire or connector

  • Main body ECU (instrument panel junction block assembly)

  • Position control ECU assembly

For vehicles with a seat position memory system.

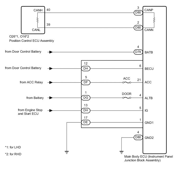
WIRING DIAGRAM

A004NO0E02

CAUTION / NOTICE / HINT

Note


  • Inspect the fuses for circuits related to this system before performing the following inspection procedure.

  • As the door control battery is installed between the vehicle battery and main body ECU (instrument panel junction block assembly), first perform the inspections in On-Vehicle Inspection to confirm that there are no malfunctions in the power source circuit for the main body ECU (instrument panel junction block assembly) before performing this troubleshooting procedure Click here.

Tech Tips

Operating the ignition switch, any switches or any doors triggers related ECU and sensor communication with the CAN, which causes resistance variation.

PROCEDURE


  1. PRECAUTION

    Note

    After turning the ignition switch off, waiting time may be required before disconnecting the cable from the battery terminal. Therefore, make sure to read the disconnecting the cable from the battery terminal notice before proceeding with work Click here.


    NEXT
  2. DISCONNECT CABLE FROM NEGATIVE BATTERY TERMINAL


    1. Disconnect the cable from the negative (-) battery terminal before measuring the resistances of the CAN main wire and the CAN branch wire.

      CAUTION:

      Wait at least 90 seconds after disconnecting the cable from the negative (-) battery terminal to disable the SRS system.

      Note

      When disconnecting the cable, some systems need to be initialized after the cable is reconnected Click here.


    NEXT
  3. CHECK CAN BUS WIRE (CAN MAIN WIRE FOR DISCONNECTION, CHECK BUS LINE FOR SHORT CIRCUIT)


    1. A004S7TE02
      Text in Illustration
      *a

      Component with harness connected

      (Main Body ECU [Instrument Panel Junction Block Assembly])

      Measure the resistance according to the value(s) in the table below.

      Standard Resistance
      Tester Connection Switch Condition Specified Condition Resistance: Malfunction
      D80-3 (CANP) - D80-2 (CANN) Ignition switch off 54 to 69 Ω Below 54 Ω: Short in line
      D80-3 (CANP) - D80-2 (CANN) Ignition switch off 54 to 69 Ω Higher than 69 Ω: Open in CAN main bus line
      D80-3 (CANP) - D79-4 (BATB) Ignition switch off 6 kΩ or higher Below 6 kΩ: +B short
      D80-2 (CANN) - D79-4 (BATB) Ignition switch off 6 kΩ or higher Below 6 kΩ: +B short
      D80-3 (CANP) - D80-4 (GND2) Ignition switch off 200 Ω or higher Below 200 Ω: Ground short
      D80-2 (CANN) - D80-4 (GND2) Ignition switch off 200 Ω or higher Below 200 Ω: Ground short

    NG
    OK
  4. CHECK HARNESS AND CONNECTOR (MAIN BODY ECU - BATTERY AND BODY GROUND)


    1. Connect the cable to the negative (-) battery terminal.

      A004PO4E02
      Text in Illustration
      *a

      Front view of wire harness connector

      (to Main Body ECU [Instrument Panel Junction Block Assembly])

      - -

      Note

      When disconnecting the cable, some systems need to be initialized after the cable is reconnected Click here.

    2. Disconnect the main body ECU (instrument panel junction block assembly) connectors.

    3. Measure the voltage according to the value(s) in the table below.

      Standard Voltage
      Tester Connection Condition Specified Condition
      D79-4 (BATB) - Body ground Always 11 to 14 V
      DH-12 (BECU) - Body ground Always 11 to 14 V
      DF-5 (ACC) - Body ground Ignition switch ACC 11 to 14 V
      DG-1 (ALTB) - Body ground Always 11 to 14 V
      DH-13 (IG) - Body ground Always 9.5 to 14 V
    4. Measure the resistance according to the value(s) in the table below.

      Standard Resistance
      Tester Connection Condition Specified Condition
      DE-17 (GND1) - Body ground Always Below 1 Ω
      D80-4 (GND2) - Body ground Always Below 1 Ω
      Result
      Result Proceed to
      OK A
      NG (IG terminal) B
      NG (Except IG terminal) C

    A
    B
    C
  5. CHECK CAN BUS WIRE (MAIN BODY ECU - POSITION CONTROL ECU ASSEMBLY)


    1. A004NR1E02
      Text in Illustration
      *a

      Front view of wire harness connector

      (to Main Body ECU [Instrument Panel Junction Block Assembly])

      *b Front view of DLC3

      Disconnect the main body ECU (instrument panel junction block assembly) connector.

    2. Measure the resistance according to the value(s) in the table below.

      Standard Resistance
      Tester Connection Switch Condition Specified Condition
      D80-3 (CANP) - D80-2 (CANN) Ignition switch off 108 to 132 Ω
      D80-3 (CANP) - D8-4 (CG) Ignition switch off 200 Ω or higher
      D80-2 (CANN) - D8-4 (CG) Ignition switch off 200 Ω or higher
      D80-3 (CANP) - D8-16 (BAT) Ignition switch off 6 kΩ or higher
      D80-2 (CANN) - D8-16 (BAT) Ignition switch off 6 kΩ or higher

    OK
    NG
  6. CONNECT CONNECTOR


    1. Reconnect the D80 main body ECU (instrument panel junction block assembly) connector.


    NEXT
  7. CHECK CAN BUS WIRE (POSITION CONTROL ECU ASSEMBLY - MAIN BODY ECU)


    1. A004OHGE02
      Text in Illustration
      *A for LHD
      *B for RHD
      *a

      Rear view of wire harness connector

      (to Position Control ECU Assembly)

      *b Front view of DLC3

      Disconnect the position control ECU assembly connector.

    2. Measure the resistance according to the value(s) in the table below.

      Standard Resistance
      for LHD
      Tester Connection Switch Condition Specified Condition
      O26-40 (CANH) - O26-39 (CANL) Ignition switch off 108 to 132 Ω
      O26-40 (CANH) - D8-4 (CG) Ignition switch off 200 Ω or higher
      O26-39 (CANL) - D8-4 (CG) Ignition switch off 200 Ω or higher
      O26-40 (CANH) - D8-16 (BAT) Ignition switch off 6 kΩ or higher
      O26-39 (CANL) - D8-16 (BAT) Ignition switch off 6 kΩ or higher
      for RHD
      Tester Connection Switch Condition Specified Condition
      O16-40 (CANH) - O16-39 (CANL) Ignition switch off 108 to 132 Ω
      O16-40 (CANH) - D8-4 (CG) Ignition switch off 200 Ω or higher
      O16-39 (CANL) - D8-4 (CG) Ignition switch off 200 Ω or higher
      O16-40 (CANH) - D8-16 (BAT) Ignition switch off 6 kΩ or higher
      O16-39 (CANL) - D8-16 (BAT) Ignition switch off 6 kΩ or higher

    OK
    NG