CAN COMMUNICATION SYSTEM Center Airbag Sensor Communication Stop Mode

DESCRIPTION

Detection Item Symptom Trouble Area
Center Airbag Sensor Communication Stop Mode

Either Condition is met:


  • "Airbag" is not displayed on the "Bus Check" screen.

  • "Center Airbag Sensor Communication Stop Mode" in "DTC Combination Table" applies.


  • Power source or inside of center airbag sensor assembly

  • Center airbag sensor assembly CAN branch wire or connector

  • Center airbag sensor assembly

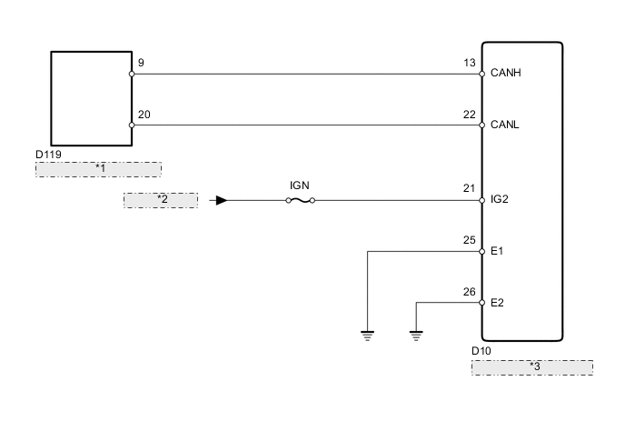
WIRING DIAGRAM

A004T67E05
*1 No. 3 Junction Connector
*2 from IG2 Relay
*3 Center Airbag Sensor Assembly

CAUTION / NOTICE / HINT

Note

Inspect the fuses for circuits related to this system before performing the following inspection procedure.

Tech Tips

Operating the ignition switch, any switches or any doors triggers related ECU and sensor communication with the CAN, which causes resistance variation.

PROCEDURE


  1. PRECAUTION

    Note

    After turning the ignition switch off, waiting time may be required before disconnecting the cable from the battery terminal. Therefore, make sure to read the disconnecting the cable from the battery terminal notice before proceeding with work Click here.


    NEXT
  2. DISCONNECT CABLE FROM NEGATIVE BATTERY TERMINAL


    1. Disconnect the cable from the negative (-) battery terminal before measuring the resistances of the CAN main wire and the CAN branch wire.

      CAUTION:

      Wait at least 90 seconds after disconnecting the cable from the negative (-) battery terminal to disable the SRS system.

      Note

      When disconnecting the cable, some systems need to be initialized after the cable is reconnected Click here.


    NEXT
  3. CHECK FOR OPEN IN CAN BUS WIRE (CENTER AIRBAG SENSOR BRANCH WIRE)


    1. A004N50E02
      Text in Illustration
      *a

      Rear view of wire harness connector

      (to Center Airbag Sensor Assembly)

      Disconnect the D10 center airbag sensor assembly connector.

    2. Measure the resistance according to the value(s) in the table below.

      Standard Resistance
      Tester Connection Switch Condition Specified Condition
      D10-13 (CANH) - D10-22 (CANL) Ignition switch off 54 to 69 Ω

    NG
    OK
  4. CHECK HARNESS AND CONNECTOR (CENTER AIRBAG SENSOR ASSEMBLY - BATTERY AND BODY GROUND)


    1. A004R47E02
      Text in Illustration
      *a

      Rear view of wire harness connector

      (to Center Airbag Sensor Assembly)

      Connect the cable to the negative (-) battery terminal.

      Note

      When disconnecting the cable, some systems need to be initialized after the cable is reconnected Click here.

    2. Measure the voltage according to the value(s) in the table below.

      Standard Voltage
      Tester Connection Switch Condition Specified Condition
      D10-21 (IG2) - Body ground Ignition switch ON 11 to 14 V
    3. Measure the resistance according to the value(s) in the table below.

      Standard Resistance
      Tester Connection Condition Specified Condition
      D10-25 (E1) - Body ground Always Below 1 Ω
      D10-26 (E2) - Body ground Always Below 1 Ω

    OK
    NG