CAN COMMUNICATION SYSTEM SYSTEM DIAGRAM


  1. SYSTEM DIAGRAM

    A004PLZE02
    w/ Entry and Start System
    No. ECU/Sensor Name
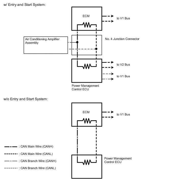
    1 ECM
    2 Power management control ECU
    3 Main body ECU (instrument panel junction block assembly)
    4 Brake actuator assembly (skid control ECU)
    5 Parking brake with bracket actuator assembly (parking brake ECU)
    6 Certification ECU (smart key ECU assembly)
    7 Power steering ECU assembly
    8 Spiral with sensor cable sub-assembly (steering angle sensor)
    9 Yaw rate sensor
    10 DLC3
    11 Center airbag sensor assembly
    12 Radio and display receiver assembly*1
    13 Pre-crash safety city sensor*2
    14 Engine stop and start ECU
    15 Combination meter assembly
    16 Air conditioning amplifier assembly
    17 Position control ECU assembly*3
    18
    • Headlight swivel ECU assembly*4

    • Headlight leveling ECU assembly*5

    19 CAN junction connector

    • *1: for Radio and Display Type

    • *2: w/ Pre-crash Safety System

    • *3: w/ Seat Position Memory System

    • *4: w/ Adaptive Front-lighting System

    • *5: w/o Adaptive Front-lighting System

    w/o Entry and Start System
    No. ECU/Sensor Name
    1 ECM
    2 Main body ECU (instrument panel junction block assembly)
    3 Brake actuator assembly (skid control ECU)
    4 Parking brake with bracket actuator assembly (parking brake ECU)
    5 Power steering ECU assembly
    6 Air conditioning amplifier assembly
    7 Spiral with sensor cable sub-assembly (steering angle sensor)
    8 Yaw rate sensor
    9 DLC3
    10 Center airbag sensor assembly
    11 Radio and display receiver assembly*1
    12
    • Headlight swivel ECU assembly*2

    • Headlight leveling ECU assembly*3

    13 Pre-crash safety city sensor*4
    14 Engine stop and start ECU
    15 Combination meter assembly
    16 Power management control ECU

    • *1: for Radio and Display Type

    • *2: w/ Adaptive Front-lighting System

    • *3: w/o Adaptive Front-lighting System

    • *4: w/ Pre-crash Safety System

  2. V1 Bus (w/ Entry and Start System)

    A004SSFE05
    A004N83E02
  3. V1 Bus (w/o Entry and Start System)

    A004NFVE02
    A004P8CE02
  4. V2 Bus (w/ Entry and Start System)

    A004U47E02
  5. MS Bus (w/ Seat Position Memory System, w/ Entry and Start System)

    A004NFJE02
  6. Power Management Bus

    A004QV5E02