CAN COMMUNICATION SYSTEM, Diagnostic DTC:U0100

DTC Code DTC Name
U0100 Lost Communication with ECM / PCM "A"

DESCRIPTION

DTC Code DTC Detection Condition Trouble Area
U0100 There is no communication from the ECM.
  • Power source or inside of ECM

  • ECM CAN main wire or connector

  • ECM

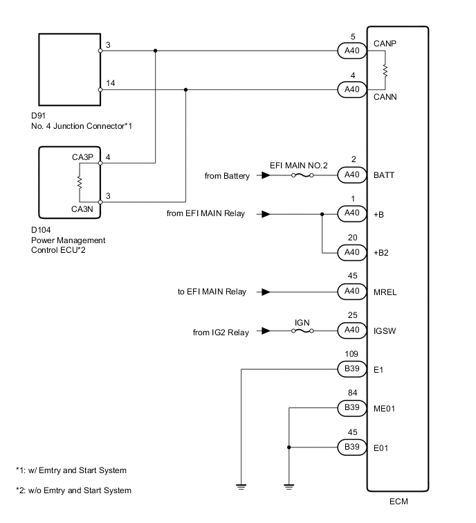
WIRING DIAGRAM

A004PDNE03

CAUTION / NOTICE / HINT

Note

Inspect the fuses for circuits related to this system before performing the following inspection procedure.

Tech Tips

Operating the ignition switch, any switches or any doors triggers related ECU and sensor communication with the CAN, which causes resistance variation.

PROCEDURE


  1. PRECAUTION

    Note

    After turning the ignition switch off, waiting time may be required before disconnecting the cable from the battery terminal. Therefore, make sure to read the disconnecting the cable from the battery terminal notice before proceeding with work Click here.


    NEXT
  2. DISCONNECT CABLE FROM NEGATIVE BATTERY TERMINAL


    1. Disconnect the cable from the negative (-) battery terminal before measuring the resistances of the CAN main wire and the CAN branch wire.

      CAUTION:

      Wait at least 90 seconds after disconnecting the cable from the negative (-) battery terminal to disable the SRS system.

      Note

      When disconnecting the cable, some systems need to be initialized after the cable is reconnected Click here.


    NEXT
  3. CHECK FOR OPEN IN CAN BUS MAIN WIRE (ECM CAN MAIN WIRE)

    A004NF4E02
    Text in Illustration
    *a

    Front view of wire harness connector

    (to ECM)


    1. Disconnect the A40 ECM connector.

    2. Measure the resistance according to the value(s) in the table below.

      Standard Resistance
      Tester Connection Switch Condition Specified Condition
      A40-5 (CANP) - A40-4 (CANN) Ignition switch off 108 to 132 Ω

    NG
    OK
  4. CHECK HARNESS AND CONNECTOR (ECM - BATTERY AND BODY GROUND)


    1. Connect the cable to the negative (-) battery terminal.

      A004RU9E02
      Text in Illustration
      *a

      Front view of wire harness connector

      (to ECM)

      - -

      Note

      When disconnecting the cable, some systems need to be initialized after the cable is reconnected Click here.

    2. Disconnect the B39 ECM connector.

    3. Measure the voltage according to the value(s) in the table below.

      Standard Voltage
      Tester Connection Condition Specified Condition
      A40-2 (BATT) - Body ground Always 11 to 14 V
      A40-1 (+B) - Body ground Battery positive (+) voltage applied to terminal A40-45 (MREL) 11 to 14 V
      A40-20 (+B2) - Body ground Battery positive (+) voltage applied to terminal A40-45 (MREL) 11 to 14 V
      A40-25 (IGSW) - Body ground Ignition switch ON 11 to 14 V
    4. Measure the resistance according to the value(s) in the table below.

      Standard Resistance
      Tester Connection Condition Specified Condition
      B39-45 (E01) - Body ground Always Below 1 Ω
      B39-84 (ME01) - Body ground Always Below 1 Ω
      B39-109 (E1) - Body ground Always Below 1 Ω
      Result
      Result Proceed to
      OK (for 1AD-FTV) A
      OK (for 2AD-FTV) B
      OK (for 2AD-FHV) C
      NG D

    A
    B
    C
    D