| DTC Code | DTC Name |
|---|---|
| P0030 | HO2S Heater Control Circuit Bank 1 Sensor 1 |
DESCRIPTION
The air fuel ratio sensor is a broadband air fuel ratio sensor. The broadband air fuel ratio sensor measures the remaining oxygen in the exhaust gas. Fluctuations in the value of the remaining oxygen are sent to the ECM as a voltage signal.
The air fuel ratio sensor is used as both a control sensor and monitoring sensor in diesel engines. The lambda air fuel ratio sensor is necessary to ensure the value of the exhaust gas is within compliance. The air fuel ratio sensor is necessary for calculating the average amount value for the injectors. The lambda air fuel ratio sensor measures the air fuel ratio. If there is a deviation, the ECM changes the exhaust gas recirculation rate to optimize the air fuel ratio. Adjusting the average amount value is not a control operation which is performed. air fuel ratio sensor deviation is "learned" to the characteristic map and stored temporarily by the ECM.
The sensor system of the broadband air fuel ratio sensor is composed of several thin layers of zirconium dioxide ceramic. The heating element within the laminate ensures the required operating temperature of at least 760°C. The broadband air fuel ratio sensor includes two cells, a measurement cell and a reference cell. These two cells are coated in electrodes made of platinum.
Tech Tips
Although the DTC titles say HO2S heater, these DTCs relate to the air fuel ratio sensor heater.
Sensor 1 is the sensor installed in the exhaust manifold converter in the front of the catalytic converter.
Sensor 2 is the sensor installed in the exhaust manifold converter in the rear of the catalytic converter.
| DTC No. | DTC Detection Condition | Trouble Area |
|---|---|---|
| P0030 | Ground short in air fuel ratio sensor (for sensor 1) heater circuit for 2 seconds. (3 trip detection logic) |
|
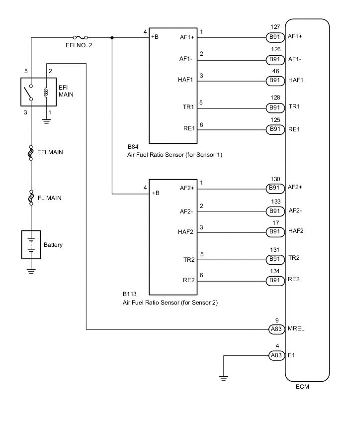
WIRING DIAGRAM
CAUTION / NOTICE / HINT
Note
When replacing the ECM and/or air fuel ratio sensor, the ECM needs Registration and Initialization Click here.
Inspect the fuses for circuits related to this system before performing the following inspection procedure.
Tech Tips
When the ECM must be replaced, before replacing the ECM, perform the "Learning Values Save" function using the GTS. Then after installing the new ECM, perform all of the initialization/registrations for the "Learning Values Write" function by following the instructions shown on the GTS display.
Read freeze frame data using the GTS. Freeze frame data records the engine condition when malfunctions are detected. When troubleshooting, freeze frame data can help determine if the vehicle was moving or stationary, if the engine was warmed up or not, and other data from the time the malfunction occurred.
PROCEDURE
INSPECT AIR FUEL RATIO SENSOR ((FOR SENSOR 1) (HEATER RESISTANCE))
| *a | Component without harness connected (Air Fuel Ratio Sensor (for Sensor 1)) |
Disconnect the air fuel ratio sensor (for sensor 1) connector.
Measure the resistance according to the value(s) in the table below.
| Standard Resistance | ||||||
|---|---|---|---|---|---|---|
|
| NG |
|
REPLACE AIR FUEL RATIO SENSOR (FOR SENSOR 1) Click here |
| OK |
|
CHECK HARNESS AND CONNECTOR (AIR FUEL RATIO SENSOR (FOR SENSOR 1) - ECM)
Disconnect the air fuel ratio sensor (for sensor 1) connector.
Disconnect the ECM connector.
Measure the resistance according to the value(s) in the table below.
| Standard Resistance | |||||||||||||||||||||||||||||||||
|---|---|---|---|---|---|---|---|---|---|---|---|---|---|---|---|---|---|---|---|---|---|---|---|---|---|---|---|---|---|---|---|---|---|
|
| NG |
|
REPAIR OR REPLACE HARNESS OR CONNECTOR Click here |
| OK |
|
CHECK HARNESS AND CONNECTOR (POWER SOURCE)
| *a | Front view of wire harness connector (to air fuel ratio sensor (for sensor 1)) |
Disconnect the air fuel ratio sensor (for sensor 1) connector.
Measure the voltage according to the value(s) in the table below.
| Standard Voltage | ||||||
|---|---|---|---|---|---|---|
|
| NG |
|
CHECK HARNESS AND CONNECTOR (AIR FUEL RATIO SENSOR (FOR SENSOR 1) - EFI MAIN RELAY) Click here |
| OK |
|
REPLACE ECM
Replace the ECM Click here.
| NEXT |
|
CONFIRM WHETHER MALFUNCTION HAS BEEN SUCCESSFULLY REPAIRED Click here |
REPLACE AIR FUEL RATIO SENSOR (FOR SENSOR 1)
Replace the air fuel ratio sensor (for sensor 1) Click here.
Perform the O2 sensor learning value reset Click here.
| NEXT |
|
CONFIRM WHETHER MALFUNCTION HAS BEEN SUCCESSFULLY REPAIRED Click here |
CHECK HARNESS AND CONNECTOR (AIR FUEL RATIO SENSOR (FOR SENSOR 1) - EFI MAIN RELAY)
Disconnect the air fuel ratio sensor (for sensor 1) connector.
Remove the EFI MAIN relay from the engine room No. 1 relay block.
Measure the resistance according to the value(s) in the table below.
| Standard Resistance | |||||||||
|---|---|---|---|---|---|---|---|---|---|
|
| NG |
|
REPAIR OR REPLACE HARNESS OR CONNECTOR Click here |
| OK |
|
CHECK ECM POWER SOURCE CIRCUIT
Check the ECM power source circuit Click here.
| NEXT |
|
CONFIRM WHETHER MALFUNCTION HAS BEEN SUCCESSFULLY REPAIRED Click here |
REPAIR OR REPLACE HARNESS OR CONNECTOR
Repair or replace the harness or connector.
| NEXT |
|
CONFIRM WHETHER MALFUNCTION HAS BEEN SUCCESSFULLY REPAIRED
Connect the GTS to the DLC3.
Turn the ignition switch to ON and turn the GTS on.
Clear the DTCs Click here.
Turn the ignition switch off and wait for 60 seconds or more [A].
Perform road test [B].
Repeat [A] and [B] for the number of trips detected.
Enter the following menus: Powertrain / Engine and ECT / Trouble Codes.
Confirm that the DTC is not output again.
| NEXT |
|
END |