LIGHTING SYSTEM Taillight Circuit

DESCRIPTION

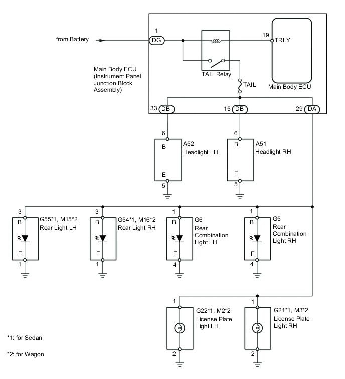
The main body ECU receives a light control switch information signal from the headlight dimmer switch, and illuminates the taillights, front clearance lights and license plate lights.

WIRING DIAGRAM

A005834E02

CAUTION / NOTICE / HINT

Tech Tips

Inspect the fuses and bulbs for circuits related to this system before performing the following inspection procedure.

PROCEDURE


  1. PERFORM ACTIVE TEST USING INTELLIGENT TESTER (TAILLIGHT)


    1. Connect the intelligent tester to the DLC3.

    2. Turn the ignition switch to ON.

    3. Turn the intelligent tester on.

    4. Enter the following menus: Body / Main Body / Active Test / Tail Light.

    5. Check that the taillights, front clearance lights and license plate lights turn on/off.

      Main Body
      Tester Display Test Part Control Range Diagnostic Note
      Taillight Relay Taillight ON or OFF -
      OK
      Taillights, front clearance lights and license plate lights turn on/off.
      Result
      Result Proceed to
      OK A
      NG (Taillights, front clearance lights and license plate lights do not turn on) B
      NG (Front clearance lights do not turn on) C
      NG (Taillights and license plate lights do not turn on) D

    A
    C
    D
    B
  2. CHECK HARNESS AND CONNECTOR (MAIN BODY ECU - BATTERY)

    A0055TKE01
    Text in Illustration
    *1

    Front view of wire harness connector

    (to Main Body ECU)


    1. Disconnect the DG main body ECU connector.

    2. Measure the voltage according to the value(s) in the table below.

      Standard Voltage
      Tester Connection Condition Specified Condition
      DG-1 - Body ground Always 11 to 14 V

    OK
    NG
  3. INSPECT MAIN BODY ECU (INSTRUMENT PANEL JUNCTION BLOCK ASSEMBLY)


    1. A0052GYE01
      Text in Illustration
      *1

      Component with harness connected

      (Main Body ECU)

      Remove the main body ECU with its connector still connected.

    2. Measure the voltage according to the value(s) in the table below.

      Standard Voltage
      Tester Connection Switch Condition Specified Condition
      DB-15 (TRLY) - Body Ground

      Light control switch

      off → TAIL

      Below 1 V → 11 to 14 V
      DB-33 (TRLY) - Body Ground

      Light control switch

      off → TAIL

      Below 1 V → 11 to 14 V

    NG
    OK
  4. CHECK HARNESS AND CONNECTOR (HEADLIGHT [FRONT CLEARANCE LIGHT] - MAIN BODY ECU AND BODY GROUND)

    A0057P7E02
    Text in Illustration
    *1

    Front view of wire harness connector

    (to Headlight)

    *2 for LH
    *3 for RH

    1. for LH:


      1. Disconnect the A52 headlight connector.

      2. Measure the voltage and resistance according to the value(s) in the table below.

        Standard Voltage
        Tester Connection Switch Condition Specified Condition
        A52-6 (B) - Body ground

        Light control switch

        TAIL

        11 to 14 V
        Standard Resistance
        Tester Connection Condition Specified Condition
        A52-5 (E) - Body Ground Always Below 1 Ω
    2. for RH:


      1. Disconnect the A51 headlight connector.

      2. Measure the voltage and resistance according to the value(s) in the table below.

        Standard Voltage
        Tester Connection Switch Condition Specified Condition
        A51-6 (B) - Body ground

        Light control switch

        TAIL

        11 to 14 V
        Standard Resistance
        Tester Connection Condition Specified Condition
        A51-5 (E) - Body Ground Always Below 1 Ω

    OK
    NG
  5. INSPECT MAIN BODY ECU (INSTRUMENT PANEL JUNCTION BLOCK ASSEMBLY)


    1. A0056AFE02
      Text in Illustration
      *1

      Component with harness connected

      (Main Body ECU [Side View])

      Remove the main body ECU with its connector still connected.

    2. Measure the voltage according to the value(s) in the table below.

      Standard Voltage
      Tester Connection Switch Condition Specified Condition
      DA-29 (TRLY) - Body Ground

      Light control switch

      off → TAIL

      Below 1 V → 11 to 14 V

    NG
    OK
  6. CHECK HARNESS AND CONNECTOR (REAR COMBINATION LIGHT [TAILLIGHT] - MAIN BODY ECU AND BODY GROUND)

    A0054XFE02
    Text in Illustration
    *1

    Front view of wire harness connector

    (to Rear Combination Light)

    *2 for LH
    *3 for RH

    1. for LH:


      1. Disconnect the G6 rear combination light connector.

      2. Measure the voltage and resistance according to the value(s) in the table below.

        Standard Voltage
        Tester Connection Switch Condition Specified Condition
        G6-1 (B) - Body ground

        Light control switch

        TAIL

        11 to 14 V
        Standard Resistance
        Tester Connection Condition Specified Condition
        G6-4 (E) - Body ground Always Below 1 Ω
    2. for RH:


      1. Disconnect the G5 rear combination light connector.

      2. Measure the voltage and resistance according to the value(s) in the table below.

        Standard Voltage
        Tester Connection Switch Condition Specified Condition
        G5-1 (B) - Body ground

        Light control switch

        TAIL

        11 to 14 V
        Standard Resistance
        Tester Connection Condition Specified Condition
        G5-4 (E) - Body ground Always Below 1 Ω

    NG
    OK
  7. CHECK HARNESS AND CONNECTOR (REAR LIGHT [TAILLIGHT] - MAIN BODY ECU AND BODY GROUND)

    A00562JE02
    Text in Illustration
    *1

    Front view of wire harness connector

    (to Rear Light [for Sedan])

    *2 for LH
    *3 for RH
    *4

    Front view of wire harness connector

    (to Rear Light [for Wagon])


    1. for Sedan (LH Side):


      1. Disconnect the G55 rear light connector.

      2. Measure the voltage and resistance according to the value(s) in the table below.

        Standard Voltage
        Tester Connection Switch Condition Specified Condition
        G55-3 (B) - Body ground

        Light control switch

        TAIL

        11 to 14 V
        Standard Resistance
        Tester Connection Condition Specified Condition
        G55-1 (E) - Body ground Always Below 1 Ω
    2. for Sedan (RH Side):


      1. Disconnect the G54 rear light connector.

      2. Measure the voltage and resistance according to the value(s) in the table below.

        Standard Voltage
        Tester Connection Switch Condition Specified Condition
        G54-3 (B) - Body ground

        Light control switch

        TAIL

        11 to 14 V
        Standard Resistance
        Tester Connection Condition Specified Condition
        G54-1 (E) - Body ground Always Below 1 Ω
    3. for Wagon (LH Side):


      1. Disconnect the M15 rear light connector.

      2. Measure the voltage and resistance according to the value(s) in the table below.

        Standard Voltage
        Tester Connection Switch Condition Specified Condition
        M15-3 (B) - Body ground

        Light control switch

        TAIL

        11 to 14 V
        Standard Resistance
        Tester Connection Condition Specified Condition
        M15-1 (E) - Body ground Always Below 1 Ω
    4. for Wagon (RH Side):


      1. Disconnect the M16 rear light connector.

      2. Measure the voltage and resistance according to the value(s) in the table below.

        Standard Voltage
        Tester Connection Switch Condition Specified Condition
        M16-3 (B) - Body ground

        Light control switch

        TAIL

        11 to 14 V
        Standard Resistance
        Tester Connection Condition Specified Condition
        M16-1 (E) - Body ground Always Below 1 Ω

    NG
    OK
  8. CHECK HARNESS AND CONNECTOR (LICENSE PLATE LIGHT - MAIN BODY ECU AND BODY GROUND)

    A0053M2E02
    Text in Illustration
    *1

    Front view of wire harness connector

    (to License Plate Light [for Sedan])

    *2 for LH
    *3 for RH
    *4

    Front view of wire harness connector

    (to License Plate Light [for Wagon])


    1. for Sedan (LH Side):


      1. Disconnect the G22 rear license plate light connector.

      2. Measure the voltage and resistance according to the value(s) in the table below.

        Standard Voltage
        Tester Connection Switch Condition Specified Condition
        G22-1 - Body ground

        Light control switch

        TAIL

        11 to 14 V
        Standard Resistance
        Tester Connection Condition Specified Condition
        G22-2 - Body ground Always Below 1 Ω
    2. for Sedan (RH Side):


      1. Disconnect the G21 rear license plate light connector.

      2. Measure the voltage and resistance according to the value(s) in the table below.

        Standard Voltage
        Tester Connection Switch Condition Specified Condition
        G21-1 - Body ground

        Light control switch

        TAIL

        11 to 14 V
        Standard Resistance
        Tester Connection Condition Specified Condition
        G21-2 - Body ground Always Below 1 Ω
    3. for Wagon (LH Side):


      1. Disconnect the M2 rear license plate light connector.

      2. Measure the voltage and resistance according to the value(s) in the table below.

        Standard Voltage
        Tester Connection Switch Condition Specified Condition
        M2-1 - Body ground

        Light control switch

        TAIL

        11 to 14 V
        Standard Resistance
        Tester Connection Condition Specified Condition
        M2-2 - Body ground Always Below 1 Ω
    4. for Wagon (RH Side):


      1. Disconnect the M3 rear license plate light connector.

      2. Measure the voltage and resistance according to the value(s) in the table below.

        Standard Voltage
        Tester Connection Switch Condition Specified Condition
        M3-1 - Body ground

        Light control switch

        TAIL

        11 to 14 V
        Standard Resistance
        Tester Connection Condition Specified Condition
        M3-2 - Body ground Always Below 1 Ω

    OK
    NG