LIGHTING SYSTEM, Diagnostic DTC:B2416

DTC Code DTC Name
B2416 Height Control Sensor Malfunction

DESCRIPTION

The headlight swivel ECU receives signals indicating the height of the vehicle from the suspension control ECU.

DTC Code DTC Detection Condition Trouble Area
B2416

Either condition is met:


  • A rear height control sensor malfunction.

  • An open or short in the rear height control sensor circuit.


  • Rear height control sensor sub-assembly

  • Harness or connector

  • Headlight swivel ECU assembly

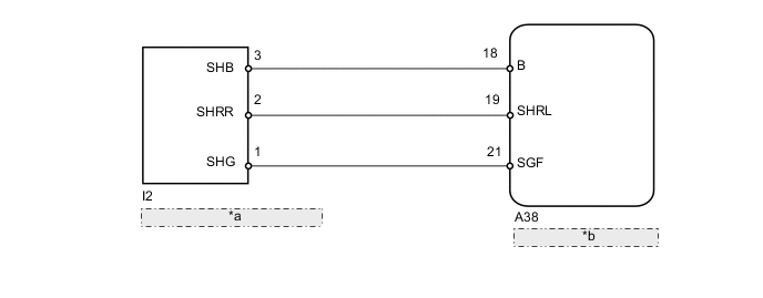
WIRING DIAGRAM

A0054WLE01
*a Rear Height Control Sensor Sub-assembly
*b Headlight Swivel ECU Assembly

PROCEDURE


  1. CHECK FOR DTC


    1. Clear the DTCs Click here.

    2. Check for DTCs Click here.

      OK
      DTC B2416 output does not occur.

    OK
    NG
  2. READ VALUE USING INTELLIGENT TESTER (HEADLIGHT SWIVEL ECU)


    1. Connect the intelligent tester to the DLC3.

    2. Turn the ignition switch to ON.

    3. Turn the intelligent tester on.

    4. Enter the following menus: Body / AFS / Data List.

    5. Using the intelligent tester, read the Data List.

      AFS
      Tester Display Measurement Item/Range Normal Condition Diagnostic Note
      Height Sens Pw Supply Val Rear height control sensor power supply value / Min.: 0 V, Max.: 5 V Approximately 5 V -
      Rr Height Sens Signal Val Rear height control sensor signal / Min.: 0 V, Max.: 5 V Changes according to vehicle height -
      OK
      Power supply voltage is approximately 5 V and height control sensor signal voltage changes when vehicle height is changed.

    OK
    NG
  3. CHECK HARNESS AND CONNECTOR (HEADLIGHT SWIVEL ECU - REAR HEIGHT CONTROL SENSOR)

    A0053ODE02
    Text in Illustration
    *1

    Front view of wire harness connector

    (to Headlight Swivel ECU)

    *2

    Front view of wire harness connector

    (to Rear Height Control Sensor)


    1. Disconnect the A38 headlight swivel ECU connector.

    2. Disconnect the I2 rear height control sensor connector.

    3. Measure the resistance according to the value(s) in the table below.

      Standard Resistance
      Tester Connection Condition Specified Condition
      A38-18 (B) - I2-3 (SHB) Always Below 1 Ω
      A38-19 (SHRL) - I2-2 (SHRR)
      A38-21 (SGF) - I2-1 (SHG)
      A38-18 (B) - Body ground Always 10 kΩ or higher
      A38-19 (SHRL) - Body ground
      A38-21 (SGF) - Body ground

    OK
    NG