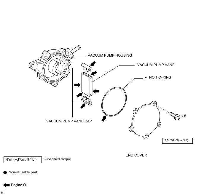
VACUUM PUMP(for 3ZR-FAE) COMPONENTS

ILLUSTRATION

A00553CE02

ILLUSTRATION

A0052BGE02