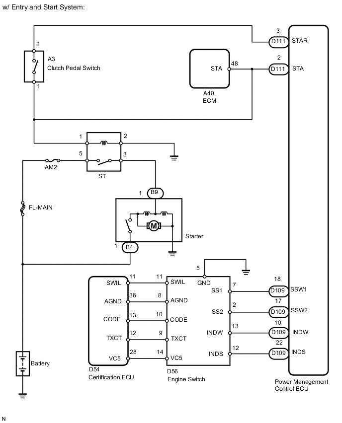
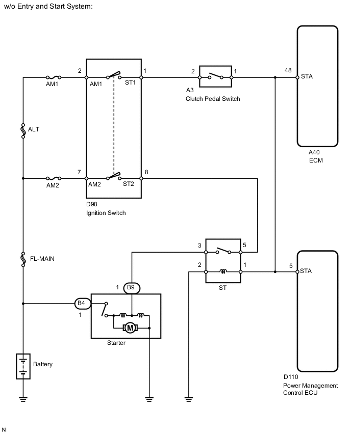
STARTING SYSTEM SYSTEM DIAGRAM

A00571CE03
A0055YHE05