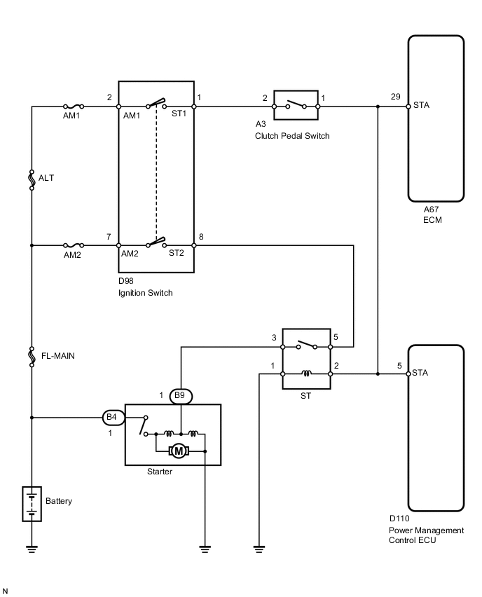
STARTING SYSTEM SYSTEM DIAGRAM

A0055YHE06