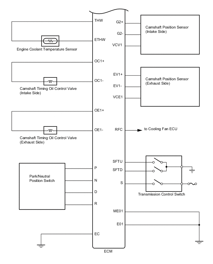
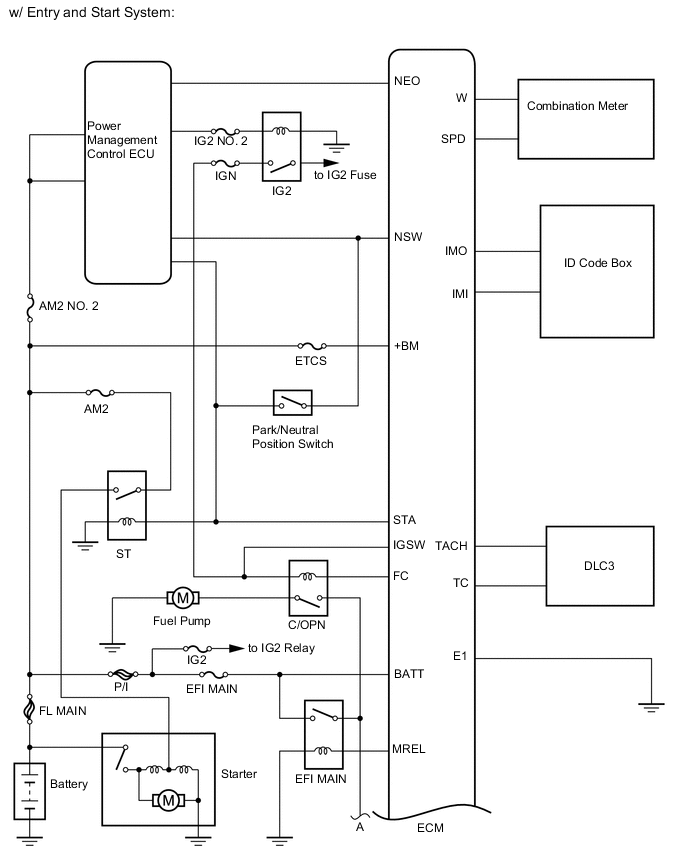
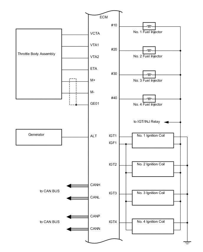
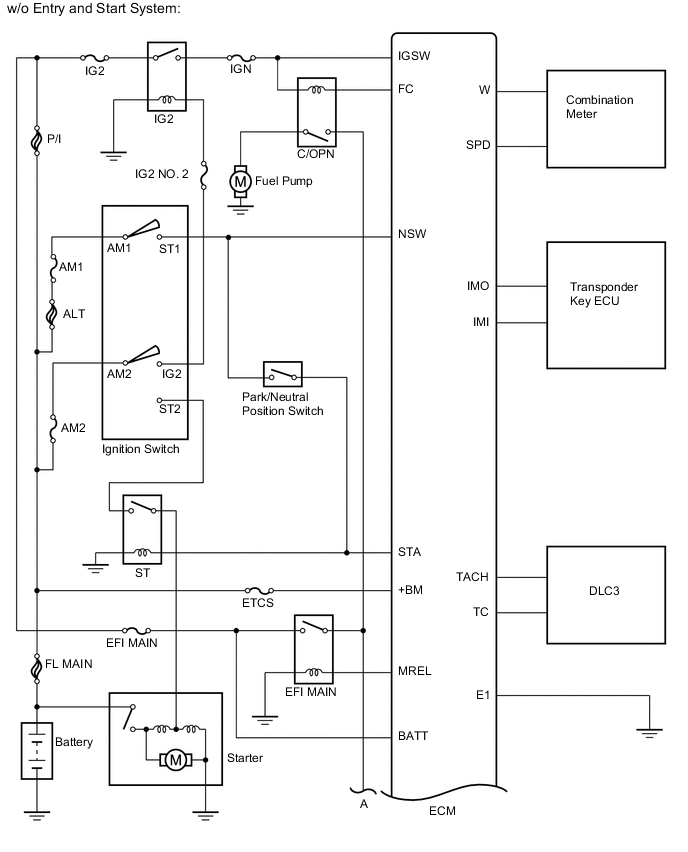
SFI SYSTEM SYSTEM DIAGRAM

A0056YHE03
A00546UE04
A0057MZE05
A0056YZE02
A0055AYE04