ОПИСАНИЕ
Контрольная лампа аварийного состояния SRS находится на щитке приборов.
Если SRS работает нормально, контрольная лампа аварийного состояния SRS включается примерно на 6 секунд после переключения замка зажигания из выключенного во включенное состояние, а затем автоматически выключается.
Если обнаружена неисправность SRS, контрольная лампа аварийного состояния SRS горит, информируя водителя о неисправности.
Если соединить контакты TC и CG на разъеме DLC3, DTC выводятся посредством мигания контрольной лампы аварийного состояния SRS.
На случай падения напряжения источника питания SRS имеет схему повышения напряжения (преобразователь постоянного тока в постоянный), встроенную в центральный блок управления системы SRS.
При уменьшении напряжения аккумуляторной батареи схема повышения напряжения (преобразователь постоянного тока в постоянный) увеличивает напряжение SRS до нормального уровня.
Неисправность данной цепи не регистрируется в центральном блоке управления системы SRS. После возврата уровня напряжения питания к нормальному контрольная лампа аварийного состояния SRS автоматически гаснет.
Сигнал на включение контрольной лампы аварийного состояния SRS передается от центрального блока управления системы SRS к щитку приборов по системе передачи данных CAN.
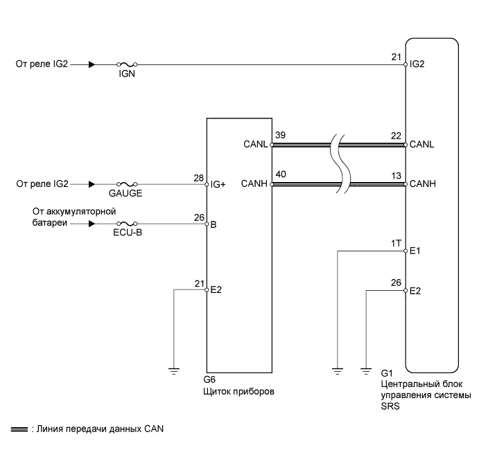
СХЕМА ЭЛЕКТРИЧЕСКИХ СОЕДИНЕНИЙ
ПОСЛЕДОВАТЕЛЬНОСТЬ ПРОВЕРКИ
Note
После выключения двигателя следует подождать некоторое время, прежде чем отсоединять провод от вывода аккумуляторной батареи. Поэтому, прежде чем приступать к этой работе, обязательно ознакомьтесь с примечанием относительно отсоединения провода от вывода аккумуляторной батареи (см. стр. Click here).
Если отрицательный (-) вывод аккумуляторной батареи отсоединялся во время выполнения ремонта, после его подсоединения необходимо инициализировать некоторые системы (см. стр. Click here).
ПОРЯДОК ВЫПОЛНЕНИЯ
ПРОВЕРЬТЕ СИСТЕМУ ПЕРЕДАЧИ ДАННЫХ CAN
Проверьте, не выводятся ли DTC системы передачи данных CAN.
| Результат | Следующий шаг |
|---|---|
| Выводятся коды DTC (для моделей с левосторонним рулевым управлением, с системой посадки и запуска) | А |
| Выводятся коды DTC (для моделей с левосторонним рулевым управлением, без системы посадки и запуска) | B |
| Выводятся коды DTC (для моделей с правосторонним рулевым управлением, с системой посадки и запуска) | C |
| Выводятся коды DTC (для моделей с правосторонним рулевым управлением, без системы посадки и запуска) | D |
| DTC не выводится | E |
| А |
|
ВЫПОЛНИТЕ РЕМОНТ ЦЕПЕЙ В СООТВЕТСТВИИ С ВЫВЕДЕННЫМИ КОДАМИ DTC (для моделей с левосторонним рулевым управлением, с системой посадки и запуска) Click here |
| B |
|
ВЫПОЛНИТЕ РЕМОНТ ЦЕПЕЙ В СООТВЕТСТВИИ С ВЫВЕДЕННЫМИ КОДАМИ DTC (для моделей с левосторонним рулевым управлением, без системы посадки и запуска) Click here |
| C |
|
ВЫПОЛНИТЕ РЕМОНТ ЦЕПЕЙ В СООТВЕТСТВИИ С ВЫВЕДЕННЫМИ КОДАМИ DTC (для моделей с правосторонним рулевым управлением, с системой посадки и запуска) Click here |
| D |
|
ВЫПОЛНИТЕ РЕМОНТ ЦЕПЕЙ В СООТВЕТСТВИИ С ВЫВЕДЕННЫМИ КОДАМИ DTC (для моделей с правосторонним рулевым управлением, без системы посадки и запуска) Click here |
| E |
|
ПРОВЕРЬТЕ АККУМУЛЯТОРНУЮ БАТАРЕЮ
Измерьте напряжение аккумуляторной батареи.
| Номинальное напряжение |
|---|
| 11 - 14 В |
| NG |
|
ЗАРЯДИТЕ ИЛИ ЗАМЕНИТЕ АККУМУЛЯТОРНУЮ БАТАРЕЮ |
| OK |
|
ПРОВЕРЬТЕ РАЗЪЕМЫ
Выключите зажигание.
Отсоедините провод от отрицательного (-) вывода аккумуляторной батареи и подождите не менее 90 секунд.
Проверьте правильность подключения разъемов к центральному блоку управления системы SRS и щитку приборов.
| OK |
|---|
| Разъемы подсоединены должным образом. |
| NG |
|
ПОДСОЕДИНИТЕ РАЗЪЕМЫ ДОЛЖНЫМ ОБРАЗОМ |
| OK |
|
ПРОВЕРЬТЕ ЖГУТ ПРОВОДОВ И РАЗЪЕМ (НАПРЯЖЕНИЕ ПИТАНИЯ ЦЕНТРАЛЬНОГО БЛОКА УПРАВЛЕНИЯ СИСТЕМЫ SRS)
| *a | Вид сзади разъема со стороны жгута проводов (к центральному датчику системы SRS) |
Отсоедините разъемы от центрального блока управления системы SRS.
Подсоедините провод к отрицательному (-) выводу аккумуляторной батареи и подождите не менее 2 с.
Установите замок зажигания в положение ON (ВКЛ).
Включите все электрооборудование (обогреватель стекла, стеклоочистители, фары, отопитель, вентилятор и т. д.)
Измерьте напряжение в соответствии со значениями, приведенными в таблице.
| Номинальное напряжение | |||||||||
|---|---|---|---|---|---|---|---|---|---|
|
| NG |
|
ЗАМЕНИТЕ ЖГУТ ПРОВОДОВ ПАНЕЛИ ПРИБОРОВ |
| OK |
|
ПРОВЕРЬТЕ ЖГУТ ПРОВОДОВ И РАЗЪЕМ (НАПРЯЖЕНИЕ ИСТОЧНИКА ПИТАНИЯ ЩИТКА ПРИБОРОВ)
| *a | Вид спереди разъема со стороны жгута проводов: (к щитку приборов) |
Отсоедините провод от отрицательного (-) вывода аккумуляторной батареи и подождите не менее 90 секунд.
Отсоедините разъем G6 от щитка приборов.
Подсоедините провод к отрицательному (-) выводу аккумуляторной батареи и подождите не менее 2 с.
Измерьте напряжение в соответствии со значениями, приведенными в таблице.
| Номинальное напряжение | |||||||||
|---|---|---|---|---|---|---|---|---|---|
|
| NG |
|
ОТРЕМОНТИРУЙТЕ ИЛИ ЗАМЕНИТЕ ЖГУТ ПРОВОДОВ ИЛИ РАЗЪЕМ |
| OK |
|
ПРОВЕРЬТЕ КОНТРОЛЬНУЮ ЛАМПУ АВАРИЙНОГО СОСТОЯНИЯ SRS (КОРОТКОЕ ЗАМЫКАНИЕ НА МАССУ)
Выключите зажигание.
Отсоедините провод от отрицательного (-) вывода аккумуляторной батареи и подождите не менее 90 секунд.
Подсоедините разъем к щитку приборов.
Подсоедините провод к отрицательному (-) выводу аккумуляторной батареи и подождите не менее 2 с.
Установите замок зажигания в положение ON (ВКЛ).
Проверьте состояние контрольной лампы аварийного состояния SRS.
Note
Убедитесь в отсутствии в автомобиле людей.
| OK |
|---|
| После выполнения первичной проверки контрольная лампа аварийного состояния SRS выключается приблизительно на 10 с, а затем снова включается. |
Tech Tips
Первичная проверка длится примерно 6 секунд после включения зажигания.
| NG |
|
ПЕРЕЙДИТЕ К РАЗДЕЛУ "СИСТЕМА ИЗМЕРИТЕЛЬНЫХ ПРИБОРОВ И ИНДИКАТОРОВ" Click here |
| OK |
|
ЗАМЕНИТЕ ЦЕНТРАЛЬНЫЙ БЛОК УПРАВЛЕНИЯ СИСТЕМЫ SRS Click here