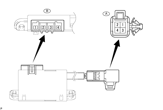
СИСТЕМА ПОДОГРЕВА РУЛЕВОГО КОЛЕСА КОНТАКТЫ ЭБУ


  1. ПРОВЕРЬТЕ КОНТРОЛЛЕР ПОДОГРЕВА РУЛЕВОГО КОЛЕСА

    Tech Tips

    Проверьте разъемы с обратной стороны, не отсоединяя их.

    A01DOGZE01

    1. Измерьте напряжение и сопротивление в соответствии со значениями, приведенными в таблице ниже.

      Номера контактов (обозначения) Описание контактов Условие Номинальное сопротивление
      A-1 (CCU) - масса Выходной сигнал светодиода Зажигание включено (IG), выключатель подогрева рулевого колеса включен Менее 3 В
      A-2 (CCV) - масса Входной сигнал выключателя подогрева рулевого колеса Зажигание включено (IG), выключатель подогрева рулевого колеса нажат и удерживается 11 - 14 В
      A-3 (CCX) - масса Масса Всегда Менее 1 Ом
      A-4 (CCW) - масса Источник питания выключателя зажигания Выключатель зажигания в состоянии ON (ВКЛ) (IG) 11 - 14 В
      B-1 (TH1) - масса Входной сигнал термистора Зажигание включено (IG), выключатель подогрева рулевого колеса включен при температуре 0-40°C (32-104°F) 1,5 - 4,5 В*1
      B-2 (TH2) - масса Масса термистора Зажигание включено (IG), выключатель подогрева рулевого колеса включен Менее 1 В
      B-3 (SH2) - масса Выходной сигнал подогревателя Зажигание включено (IG), выключатель подогрева рулевого колеса включен 11 - 14 В*2
      B-4 (SH1) - масса Масса подогревателя Зажигание включено (IG), выключатель подогрева рулевого колеса включен Менее 1 В

      Tech Tips


      • *1: при температуре окружающего воздуха 0-40°C (32-104°F).

      • *2: Включение/выключение тока подогревателя осуществляется в зависимости от температуры термистора. Как следствие, напряжение на выходе может появиться лишь через несколько минут.