СИСТЕМА НАКЛОННОЙ ТЕЛЕСКОПИЧЕСКОЙ РУЛЕВОЙ КОЛОНКИ С ЭЛЕКТРОПРИВОДОМ, Diagnostic DTC:B2610

Код DTC Наименование DTC
B2610 Неисправность в цепи датчика наклона или электродвигателя наклона

ОПИСАНИЕ

Напряжение питания, формируемое мультиплексным ЭБУ регулировки наклона и телескопического изменения высоты, приводит в движение электродвигатель наклона, в результате чего рулевая колонка перемещается вверх или вниз. Находящийся в электродвигателе наклона датчик наклона (датчик Холла) регистрирует угол наклона рулевой колонки и передает соответствующий сигнал в мультиплексный ЭБУ регулировки наклона и телескопического изменения высоты.

Tech Tips

Крайние положения можно проверить по показаниям Data List на экране портативного диагностического прибора.

Код DTC Условие обнаружения Неисправный участок
B2610 Наклон прекращается в пределах рабочего диапазона.
  • Жгут или разъем

  • Датчик наклона или электродвигатель наклона

  • Мультиплексный ЭБУ регулировки наклона и телескопического изменения высоты

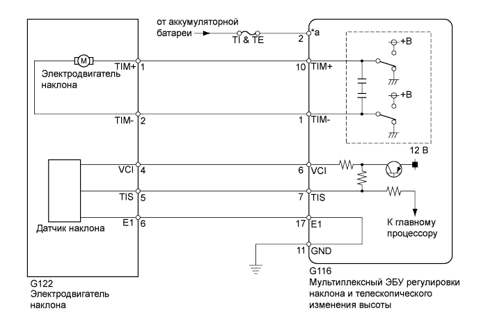
СХЕМА ЭЛЕКТРИЧЕСКИХ СОЕДИНЕНИЙ

A01DUQNE01

ПОСЛЕДОВАТЕЛЬНОСТЬ ПРОВЕРКИ

Note

Перед выполнением следующей процедуры проверки проверьте предохранители цепей, относящихся к данной системе.

ПОРЯДОК ВЫПОЛНЕНИЯ


  1. ВЫПОЛНИТЕ ДИАГНОСТИКУ В РЕЖИМЕ ACTIVE TEST С ПОМОЩЬЮ ПОРТАТИВНОГО ДИАГНОСТИЧЕСКОГО ПРИБОРА (УПРАВЛЕНИЕ НАКЛОНОМ)


    1. Выберите режим Active Test, с помощью портативного диагностического прибора подайте команду управления и убедитесь, что рулевое колесо наклоняется вверх и вниз.

      Tilt & Telescopic (регулировка наклона и телескопическое изменение высоты)
      Информация на дисплее прибора Испытываемое устройство Диапазон регулирования Замечание по диагностике
      Tilt Operation Регулировка наклона UP/DOWN (ВВЕРХ/ВНИЗ) -
      Результат
      Результат Перейти к
      Рулевое колесо не наклоняется вверх/вниз. А
      Рулевое колесо наклоняется вверх/вниз. B

    B
    А
  2. ПРОВЕРЬТЕ ЖГУТ ПРОВОДОВ И РАЗЪЕМ (МУЛЬТИПЛЕКСНЫЙ ЭБУ РЕГУЛИРОВКИ НАКЛОНА И ТЕЛЕСКОПИЧЕСКОГО ИЗМЕНЕНИЯ ВЫСОТЫ – АККУМУЛЯТОРНАЯ БАТАРЕЯ)


    1. A01DO8OE13
      Обозначения на рисунке
      *a

      Вид сзади разъема со стороны жгута проводов

      (к мультиплексному ЭБУ регулировки наклона и телескопического изменения высоты)

      Отсоедините разъем G116 мультиплексного ЭБУ регулировки наклона и телескопического изменения высоты.

    2. Измерьте напряжение в соответствии со значениями, приведенными в таблице.

      Номинальное напряжение
      Контакты для подключения диагностического прибора Условие Заданные условия
      G116-2 (+B) - масса Всегда 11–14 В

    NG
    OK
  3. ПРОВЕРЬТЕ ЖГУТ ПРОВОДОВ И РАЗЪЕМ (МУЛЬТИПЛЕКСНЫЙ ЭБУ РЕГУЛИРОВКИ НАКЛОНА И ТЕЛЕСКОПИЧЕСКОГО ИЗМЕНЕНИЯ ВЫСОТЫ – МАССА)


    1. A01DO8OE14
      Обозначения на рисунке
      *a

      Вид сзади разъема со стороны жгута проводов

      (к мультиплексному ЭБУ регулировки наклона и телескопического изменения высоты)

      Измерьте сопротивление в соответствии со значениями, приведенными в таблице ниже.

      Номинальное сопротивление
      Подключение диагностического прибора Условие Заданные условия
      G116-11 (GND) - масса Всегда Менее 1 Ом

    NG
    OK
  4. ПРОВЕРЬТЕ ЖГУТ ПРОВОДОВ И РАЗЪЕМ (МУЛЬТИПЛЕКСНЫЙ ЭБУ РЕГУЛИРОВКИ НАКЛОНА И ТЕЛЕСКОПИЧЕСКОГО ИЗМЕНЕНИЯ ВЫСОТЫ – ЭЛЕКТРОДВИГАТЕЛЬ НАКЛОНА)


    1. Отсоедините разъем G122 электродвигателя наклона.

    2. Измерьте сопротивление в соответствии со значениями, приведенными в таблице ниже.

      Номинальное сопротивление
      Подключение диагностического прибора Условие Заданные условия
      G116-10 (TIM+) - G122-1 (TIM+) Всегда Менее 1 Ом
      G116-1 (TIM-) - G122-2 (TIM-)
      G116-10 (TIM+) - масса Всегда 10 кОм или более
      G116-1 (TIM-) - масса

    NG
    OK
  5. ПРОВЕРЬТЕ ЭЛЕКТРОДВИГАТЕЛЬ НАКЛОНА

    A01DRNUE05
    Обозначения на рисунке
    *a

    Устройство с неподсоединенным жгутом проводов

    (электродвигатель наклона)


    1. Подайте напряжение аккумуляторной батареи 12 В на разъем электродвигателя наклона. Затем проверьте, изменяется ли наклон рулевого колеса.

      OK
      Условия измерений Заданные условия

      Положительный (+) вывод аккумуляторной батареи 12 В → контакт 1 (TIM+)

      Отрицательный (-) вывод аккумуляторной батареи 12 В → контакт 2 (TIM-)

      Рулевое колесо поднимается.

      Положительный (+) вывод аккумуляторной батареи 12 В → контакт 2 (TIM-)

      Отрицательный (-) вывод аккумуляторной батареи 12 В → контакт 1 (TIM+)

      Рулевое колесо опускается.

    NG
    OK
  6. ПРОВЕРЬТЕ ЖГУТ ПРОВОДОВ И РАЗЪЕМ (МУЛЬТИПЛЕКСНЫЙ ЭБУ РЕГУЛИРОВКИ НАКЛОНА И ТЕЛЕСКОПИЧЕСКОГО ИЗМЕНЕНИЯ ВЫСОТЫ – ДАТЧИК НАКЛОНА)


    1. Отсоедините разъем G116 мультиплексного ЭБУ регулировки наклона и телескопического изменения высоты.

    2. Отсоедините разъем G122 электродвигателя наклона.

    3. Измерьте сопротивление в соответствии со значениями, приведенными в таблице ниже.

      Номинальное сопротивление
      Подключение диагностического прибора Условие Заданные условия
      G116-6 (VCI) - G122-4 (VCI) Всегда Менее 1 Ом
      G116-7 (TIS) - G122-5 (TIS)
      G116-17 (E1) - G122-6 (E1)
      G116-6 (VCI) - масса Всегда 10 кОм или более
      G116-7 (TIS) - масса
      G116-17 (Е1) - масса

    NG
    OK
  7. ПРОВЕРЬТЕ ЖГУТ ПРОВОДОВ И РАЗЪЕМ (МУЛЬТИПЛЕКСНЫЙ ЭБУ РЕГУЛИРОВКИ НАКЛОНА И ТЕЛЕСКОПИЧЕСКОГО ИЗМЕНЕНИЯ ВЫСОТЫ – МАССА)


    1. A01DO8OE15
      Обозначения на рисунке
      *a

      Вид сзади разъема со стороны жгута проводов

      (к мультиплексному ЭБУ регулировки наклона и телескопического изменения высоты)

      Измерьте сопротивление в соответствии со значениями, приведенными в таблице ниже.

      Номинальное сопротивление
      Подключение диагностического прибора Условие Заданные условия
      G116-11 (GND) - масса Всегда Менее 1 Ом

    NG
    OK
  8. ПРОВЕРЬТЕ МУЛЬТИПЛЕКСНЫЙ ЭБУ РЕГУЛИРОВКИ НАКЛОНА И ТЕЛЕСКОПИЧЕСКОГО ИЗМЕНЕНИЯ ВЫСОТЫ (НАПРЯЖЕНИЕ НА КОНТАКТЕ VCI)


    1. A01DSO2E20
      Обозначения на рисунке
      *a

      Вид спереди разъема со стороны жгута проводов:

      (к электродвигателю наклона)

      Подсоедините разъем G116 мультиплексного ЭБУ регулировки наклона и телескопического изменения высоты.

    2. Измерьте напряжение в соответствии со значениями, приведенными в таблице.

      Номинальное напряжение
      Подключение диагностического прибора Положение переключателя Заданные условия
      G122-4 (VCI) - G122-6 (E1) Зажигание включено (IG) 8-14 В

    NG
    OK
  9. ПРОВЕРЬТЕ ДАТЧИК НАКЛОНА


    1. A01DP3BE13
      Обозначения на рисунке
      *a

      Устройство с подсоединенным жгутом проводов

      (мультиплексный ЭБУ регулировки наклона и телескопического изменения высоты)

      Подсоедините разъем G122 электродвигателя наклона.

    2. Измерьте напряжение в соответствии со значениями, приведенными в таблице.

      Номинальное напряжение
      Подключение диагностического прибора Условие Заданные условия
      G116-7 (TIS) - G116-17 (E1) Рулевая колонка наклоняется вверх или вниз

      Формирование импульсов

      Высокий уровень: 8 - 14 В

      Низкий уровень: Менее 1 В


    NG
    OK