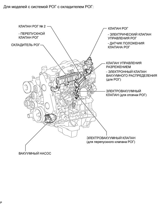
СИСТЕМА СНИЖЕНИЯ ТОКСИЧНОСТИ ОТРАБОТАВШИХ ГАЗОВ (для моделей без DPF) РАСПОЛОЖЕНИЕ ДЕТАЛЕЙ

ИЛЛЮСТРАЦИЯ

A01DPHCE01

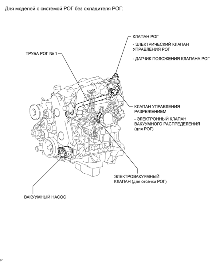
ИЛЛЮСТРАЦИЯ

A01DONPE01

ИЛЛЮСТРАЦИЯ

A01DT2ME01