СИСТЕМА ЛЮКА Цепь переключателя управления люком

ОПИСАНИЕ

Привод люка (ЭБУ люка) получает сигналы выключателей сдвига и наклона и управляет встроенным двигателем.

СХЕМА ЭЛЕКТРИЧЕСКИХ СОЕДИНЕНИЙ

A01GZ2KE04

ПОСЛЕДОВАТЕЛЬНОСТЬ ПРОВЕРКИ

ПОРЯДОК ВЫПОЛНЕНИЯ


  1. ВЫПОЛНИТЕ АКТИВНУЮ ДИАГНОСТИКУ С ПОМОЩЬЮ ПОРТАТИВНОГО ДИАГНОСТИЧЕСКОГО ПРИБОРА (РАБОТА ЛЮКА)


    1. Выберите режим ACTIVE TEST, с помощью портативного диагностического прибора подайте команду управления, после чего убедитесь, что люк открывается/закрывается сдвигом и поднимается/опускается.

      Люк
      Информация на дисплее прибора Испытываемое устройство Диапазон регулирования Замечание по диагностике
      Slide Roof Нажмите переключатель управления люком SLIDE CLOSE / TILT UP (закрывание путем сдвига / подъем)

      CLOSE/UP: люк перемещается в направлении SLIDE CLOSE (закрывание путем сдвига) или TILT UP (наклон вверх)

      OFF (ВЫКЛ): люк не работает

      Так как в данном испытании приводятся в движение отдельные узлы и деталия автомобиля, будьте осторожны и остерегайтесь получения травм.
      Slide Roof Нажмите переключатель управления люком SLIDE OPEN / TILT DOWN (открывание путем сдвига / наклон вниз)

      OPEN/DWN: люк перемещается в направлении SLIDE OPEN (открывание сдвигом) или TILT DOWN (опускание)

      OFF (ВЫКЛ): люк не работает

      Так как в данном испытании приводятся в движение отдельные узлы и деталия автомобиля, будьте осторожны и остерегайтесь получения травм.
      OK
      Люк работает исправно.

    NG
    OK
  2. СНИМИТЕ ПОКАЗАНИЯ ПОРТАТИВНОГО ДИАГНОСТИЧЕСКОГО ПРИБОРА (ДАТЧИК ХОЛЛА)


    1. Проверьте в режиме DATA LIST, что датчики Холла исправны.

      Люк
      Параметр / Устройство Измеряемая величина / диапазон измерения Нормальное состояние Замечание по диагностике
      Hall IC1 Status Состояние датчика Холла 1 / NORMAL или LOCK

      NORMAL: Датчик Холла 1 исправен.

      LOCK: Датчик Холла 1 неисправен.

      -
      Hall IC1 Pulse Сигнал датчика Холла 1 / LO или HI

      LO: Низкий уровень выходного сигнала датчика Холла 1.

      HI: Высокий уровень выходного сигнала датчика Холла 1.

      -
      Hall IC2 Status Состояние датчика Холла 2 / NORMAL или LOCK

      NORMAL: Датчик Холла 2 исправен.

      LOCK: Датчик Холла 2 неисправен.

      -
      Hall IC2 Pulse Сигнал датчика Холла 2 / LO или HI

      LO: Низкий уровень выходного сигнала датчика Холла 2.

      HI: Высокий уровень выходного сигнала датчика Холла 2.

      -
      OK
      На дисплее портативного диагностического прибора отображаются любые сообщения, кроме LOCK.

    NG
    OK
  3. СНИМИТЕ ПОКАЗАНИЯ ПОРТАТИВНОГО ДИАГНОСТИЧЕСКОГО ПРИБОРА (ПЕРЕКЛЮЧАТЕЛЬ ЛЮКА)


    1. Проверьте в режиме DATA LIST, что переключатель люка исправен.

      Люк
      Параметр Измеряемая величина / диапазон измерения Нормальное состояние Замечание по диагностике
      Open Switch Сигнал переключателя открывания люка / ON (ВКЛ) или OFF (ВЫКЛ)

      ON (ВКЛ): Переключатель открывания нажат

      OFF (ВЫКЛ): Переключатель открывания не нажат

      -
      Close Switch Сигнал переключателя закрывания люка / ON (ВКЛ) или OFF (ВЫКЛ)

      ON (ВКЛ): Переключатель закрывания нажат

      OFF (ВЫКЛ): Переключатель закрывания не нажат

      -
      Up Switch Сигнал переключателя подъема люка / ON (ВКЛ) или OFF (ВЫКЛ)

      ON (ВКЛ): Переключатель подъема нажат

      OFF (ВЫКЛ): Переключатель подъема не нажат

      -
      Down Switch Сигнал переключателя опускания люка / ON (ВКЛ) или OFF (ВЫКЛ)

      ON (ВКЛ): Переключатель опускания нажат

      OFF (ВЫКЛ): Переключатель опускания не нажат

      -
      OK
      При нажатии переключателя на дисплее портативного диагностического прибора должна отображаться информация, приведенная в таблице.

    NG
    OK
  4. ПРОВЕРЬТЕ ЛАМПУ ИНДИВИДУАЛЬНОГО ОСВЕЩЕНИЯ В СБОРЕ (ПЕРЕКЛЮЧАТЕЛЬ УПРАВЛЕНИЯ ЛЮКОМ)

    A01H189E01

    1. Снимите лампу индивидуального освещения (для моделей со стандартным кузовом см. стр. Click here, а для моделей с длинным кузовом – Click here).

    2. Измерьте сопротивление в соответствии со значениями, приведенными в таблице ниже.

      Номинальное сопротивление
      Подключение диагностического прибора Положение переключателя Заданные условия
      A-24 (UP) - A-16 (GND9) TILT UP (НАКЛОН ВВЕРХ) Менее 1 Ом
      A-24 (UP) - A-16 (GND9) Выкл 10 кОм или более
      A-23 (DOWN) - A-16 (GND9) TILT DOWN (НАКЛОН ВНИЗ) Менее 1 Ом
      A-23 (DOWN) - A-16 (GND9) Выкл 10 кОм или более
      B-3 (OPN) - A-16 (GND9) SLIDE OPEN (ОТКРЫТЬ СДВИГОМ) Менее 1 Ом
      B-3 (OPN) - A-16 (GND9) Выкл 10 кОм или более
      B-12 (CLS) - A-16 (GND9) SLIDE CLOSE (ЗАКРЫТЬ СДВИГОМ) Менее 1 Ом
      B-12 (CLS) - A-16 (GND9) Выкл 10 кОм или более

    NG
    OK
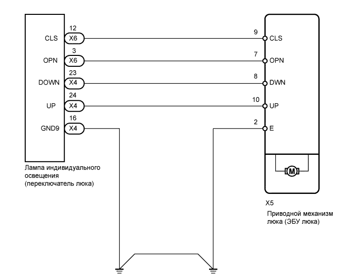
  5. ПРОВЕРЬТЕ ЖГУТ ПРОВОДОВ И РАЗЪЕМ (ЛАМПА ИНДИВИДУАЛЬНОГО ОСВЕЩЕНИЯ - ПРИВОДНОЙ МЕХАНИЗМ ЛЮКА И МАССА)

    A01GX0FE01

    1. Отсоедините разъем X5 приводного механизма.

    2. Отсоедините разъемы X4 и X6 лампы индивидуального освещения.

    3. Измерьте сопротивление в соответствии со значениями, приведенными в таблице ниже.

      Номинальное сопротивление
      Подключение диагностического прибора Условие Заданные условия
      X5-10 (UP) - X4-24 (UP) Всегда Менее 1 Ом
      X5-8 (DWN) - X4-23 (DOWN) Всегда Менее 1 Ом
      X5-7 (OPN) - X6-3 (OPN) Всегда Менее 1 Ом
      X5-9 (CLS) - X6-12 (CLS) Всегда Менее 1 Ом
      X4-16 (GND9) - масса Всегда Менее 1 Ом
      X5-2 (E) - масса Всегда Менее 1 Ом
      X5-10 (UP) или X4-24 (UP) - масса Всегда 10 кОм или более
      X5-8 (DWN) или X4-23 (DOWN) - масса Всегда 10 кОм или более
      X5-7 (OPN) или X6-3 (OPN) - масса Всегда 10 кОм или более
      X5-9 (CLS) или X6-12 (CLS) - масса Всегда 10 кОм или более

    NG
    OK