СИСТЕМА ЛЮКА, Diagnostic DTC:B2341, B2344

Код DTC Наименование DTC
B2341 Неисправность датчика (электродвигателя)
B2344 Отказ положения

ОПИСАНИЕ

В случае, если привод люка (ЭБУ люка) обнаруживает сбой в работе двигателя привода, и работа люка останавливается, выводится код DTC B2341. В случае, если привод люка (ЭБУ люка) обнаруживает сбой в работе привода, и работа люка останавливается, выдается код DTC B2344.

Код DTC Условие обнаружения DTC Неисправный участок
B2341 Неисправность датчика (электродвигателя)
  • Приводной механизм люка в сборе (ЭБУ люка)

  • Лампа индивидуального освещения в сборе (переключатель управления люком)

  • Жгут или разъем

B2344 Отказ положения
  • Приводной механизм люка в сборе (ЭБУ люка)

  • Лампа индивидуального освещения в сборе (переключатель управления люком)

  • Жгут или разъем

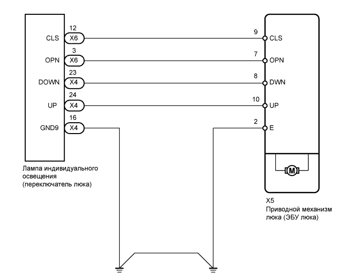
СХЕМА ЭЛЕКТРИЧЕСКИХ СОЕДИНЕНИЙ

A01GZ2KE03

ПОСЛЕДОВАТЕЛЬНОСТЬ ПРОВЕРКИ

ПОРЯДОК ВЫПОЛНЕНИЯ


  1. ПРОВЕРЬТЕ РАБОТУ ЛЮКА


    1. Проверьте автоматический режим с помощью переключателя (см. стр. Click here).

      OK
      Автоматический режим работает нормально.

    NG
    OK
  2. УДАЛИТЕ DTC


    1. Сбросьте DTC (см. стр. Click here).


    ДАЛЕЕ
  3. ВЫПОЛНИТЕ ИНИЦИАЛИЗАЦИЮ (ПРИВОДНОЙ МЕХАНИЗМ ЛЮКА)


    1. Убедитесь, что приводной механизм люка может быть инициализирован (см. стр. Click here).

      OK
      Приводной механизм люка может быть инициализирован.

    NG
    OK
  4. ПРОВЕРЬТЕ РАБОТУ ЛЮКА


    1. Проверьте автоматический режим с помощью переключателя (см. стр. Click here).

      OK
      Автоматический режим работает нормально.

    NG
    OK
  5. УДАЛИТЕ DTC


    1. Сбросьте код DTC (см. стр. Click here).


    ДАЛЕЕ
  6. ПРОВЕРЬТЕ ЖГУТ ПРОВОДОВ И РАЗЪЕМ (ПРИВОДНОЙ МЕХАНИЗМ ЛЮКА – ЛАМПА ИНДИВИДУАЛЬНОГО ОСВЕЩЕНИЯ)

    A01GX0FE01

    1. Отсоедините разъем X5 приводного механизма.

    2. Отсоедините разъемы X4 и X6 лампы индивидуального освещения.

    3. Измерьте сопротивление в соответствии со значениями, приведенными в таблице ниже.

      Номинальное сопротивление
      Подключение диагностического прибора Условие Заданные условия
      X5-10 (UP) - X4-24 (UP) Всегда Менее 1 Ом
      X5-8 (DWN) - X4-23 (DOWN) Всегда Менее 1 Ом
      X5-7 (OPN) - X6-3 (OPN) Всегда Менее 1 Ом
      X5-9 (CLS) - X6-12 (CLS) Всегда Менее 1 Ом
      X4-16 (GND9) - масса Всегда Менее 1 Ом
      X5-2 (E) - масса Всегда Менее 1 Ом
      X5-10 (UP) или X4-24 (UP) - масса Всегда 10 кОм или более
      X5-8 (DWN) или X4-23 (DOWN) - масса Всегда 10 кОм или более
      X5-7 (OPN) или X6-3 (OPN) - масса Всегда 10 кОм или более
      X5-9 (CLS) или X6-12 (CLS) - масса Всегда 10 кОм или более

    NG
    OK
  7. ПРОВЕРЬТЕ ЛАМПУ ИНДИВИДУАЛЬНОГО ОСВЕЩЕНИЯ В СБОРЕ (ПЕРЕКЛЮЧАТЕЛЬ УПРАВЛЕНИЯ ЛЮКОМ)

    A01H189E01

    1. Снимите лампу индивидуального освещения (для моделей со стандартным кузовом см. стр. Click here, а для моделей с длинным кузовом – Click here).

    2. Измерьте сопротивление в соответствии со значениями, приведенными в таблице ниже.

      Номинальное сопротивление
      Подключение диагностического прибора Положение переключателя Заданные условия
      A-24 (UP) - A-16 (GND9) TILT UP (НАКЛОН ВВЕРХ) Менее 1 Ом
      A-24 (UP) - A-16 (GND9) Выкл 10 кОм или более
      A-23 (DOWN) - A-16 (GND9) TILT DOWN (НАКЛОН ВНИЗ) Менее 1 Ом
      A-23 (DOWN) - A-16 (GND9) Выкл 10 кОм или более
      B-3 (OPN) - A-16 (GND9) SLIDE OPEN (ОТКРЫТЬ СДВИГОМ) Менее 1 Ом
      B-3 (OPN) - A-16 (GND9) Выкл 10 кОм или более
      B-12 (CLS) - A-16 (GND9) SLIDE CLOSE (ЗАКРЫТЬ СДВИГОМ) Менее 1 Ом
      B-12 (CLS) - A-16 (GND9) Выкл 10 кОм или более

    NG
    OK