DESCRIPTION
There may be a short circuit in the CAN bus main wire and/or CAN branch wire when the resistance between terminals 6 (CANH) and 14 (CANL) of the DLC3 is below 54 Ω.
| Symptom | Trouble Area |
|---|---|
| Resistance between terminals 6 (CANH) and 14 (CANL) of DLC3 is below 54 Ω. |
|
*1: for AWD
*2: w/ Smart entry and start system
*3: w/o Smart entry and start system
*4: for Navigation receiver type
*5: for Radio and display type
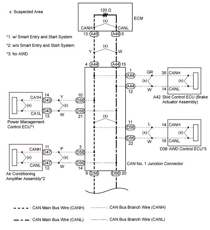
WIRING DIAGRAM
INSPECTION PROCEDURE
Note
Turn the ignition switch off before measuring the resistances between CAN bus main wires and between CAN bus branch wires.
Turn the ignition switch off before inspecting CAN bus wires for a ground short.
After the ignition switch is turned off, check that the key reminder warning system and light reminder warning system are not operating.
Before measuring the resistance, leave the vehicle as is for at least 1 minute and do not operate the ignition switch, any other switches or the doors. If any doors need to be opened in order to check connectors, open the doors and leave them open.
Tech Tips
Operating the ignition switch, any other switches or a door triggers related ECU and sensor communication on the CAN. This communication will cause the resistance value to change.
Even after DTCs are cleared, if a DTC is stored again after driving the vehicle for a while, the malfunction may be occurring due to vibration of the vehicle. In such a case, wiggling the ECUs or wire harness while performing the inspection below may help determine the cause of the malfunction.
PROCEDURE
CHECK FOR SHORT IN CAN BUS WIRES (CAN NO. 1 J/C - CAN NO. 2 J/C)
Turn the ignition switch off.
| *1 | Front view of wire harness connector (to CAN No.1 Junction Connector) |
| *2 | to CAN No. 2 Junction Connector |
Disconnect the CAN No. 1 junction connector (D56).
Measure the resistance according to the value(s) in the table below.
| Standard Resistance | ||||||
|---|---|---|---|---|---|---|
|
| NG |
|
CHECK FOR SHORT IN CAN BUS WIRES (CAN NO. 2 J/C - CAN NO. 1 J/C) Click here |
| OK |
|
CHECK FOR SHORT IN CAN BUS WIRES (CAN NO. 1 J/C - ECM)
| *1 | Front view of wire harness connector (to CAN No. 1 Junction Connector) |
| *2 | to ECM |
Disconnect the CAN No. 1 junction connector (A44).
Measure the resistance according to the value(s) in the table below.
| Standard Resistance | ||||||
|---|---|---|---|---|---|---|
|
| NG |
|
CHECK FOR SHORT IN CAN BUS WIRES (ECM) Click here |
| OK |
|
CHECK FOR SHORT IN CAN BUS WIRES (CAN NO. 1 J/C - SKID CONTROL ECU (BRAKE ACTUATOR ASSEMBLY))
| *1 | Front view of wire harness connector (to Skid Control ECU (Brake Actuator Assembly)) |
Disconnect the skid control ECU (brake actuator assembly) connector.
| *2 | Front view of wire harness connector (to CAN No. 1 Junction Connector) |
| *3 | to Skid Control ECU (Brake Actuator Assembly) |
Measure the resistance according to the value(s) in the table below.
| Standard Resistance | ||||||
|---|---|---|---|---|---|---|
|
| NG |
|
REPAIR OR REPLACE CAN BUS BRANCH WIRE OR CONNECTOR (CAN NO. 1 J/C - SKID CONTROL ECU (BRAKE ACTUATOR ASSEMBLY)) |
| OK |
|
CHECK FOR SHORT IN CAN BUS WIRES (CAN NO. 1 J/C - AIR CONDITIONING AMPLIFIER ASSEMBLY)
Tech Tips
For vehicles with smart entry and start system, go to the next step.
| *1 | Front view of wire harness connector (to Air Conditioning Amplifier Assembly) |
Disconnect the air conditioning amplifier assembly connector.
| *2 | Front view of wire harness connector (to CAN No. 1 Junction Connector) |
| *3 | to Air Conditioning Amplifier Assembly |
Measure the resistance according to the value(s) in the table below.
| Standard Resistance | ||||||
|---|---|---|---|---|---|---|
|
| NG |
|
REPAIR OR REPLACE CAN BUS BRANCH WIRE OR CONNECTOR (CAN NO. 1 J/C - AIR CONDITIONING AMPLIFIER ASSEMBLY) |
| OK |
|
CHECK FOR SHORT IN CAN BUS WIRES (CAN NO. 1 J/C - AWD CONTROL ECU)
Tech Tips
For 2WD vehicles, go to the next step.
| *1 | Front view of wire harness connector (to AWD Control ECU) |
Disconnect the AWD control ECU connector.
| *2 | Front view of wire harness connector (to CAN No. 1 Junction Connector) |
| *3 | to AWD Control ECU |
Measure the resistance according to the value(s) in the table below.
| Standard Resistance | ||||||
|---|---|---|---|---|---|---|
|
| NG |
|
REPAIR OR REPLACE CAN BUS BRANCH WIRE OR CONNECTOR (CAN NO. 1 J/C - AWD CONTROL ECU) |
| OK |
|
CHECK FOR SHORT IN CAN BUS WIRES (CAN NO. 1 J/C - POWER MANAGEMENT CONTROL ECU)
Tech Tips
For vehicles without smart entry and start system, go to the next step.
| *1 | Rear view of wire harness connector (to Power Management Control ECU) |
Disconnect the power management control ECU connector (D43).
| *2 | Front view of wire harness connector (to CAN No. 1 Junction Connector) |
| *3 | to Power Management Control ECU |
Measure the resistance according to the value(s) in the table below.
| Standard Resistance | ||||||
|---|---|---|---|---|---|---|
|
| NG |
|
REPAIR OR REPLACE CAN BUS BRANCH WIRE OR CONNECTOR (CAN NO. 1 J/C - POWER MANAGEMENT CONTROL ECU) |
| OK |
|
CHECK FOR SHORT IN CAN BUS WIRES (CAN NO. 1 J/C)
Reconnect the CAN No. 1 junction connectors (A44 and D56).
| *1 | DLC3 |
Measure the resistance according to the value(s) in the table below.
Note
The resistance must be measured after the main wire connected ECUs (ECM and combination meter assembly), and CAN No. 1 and No. 2 junction connectors are reconnected.
| Standard Resistance | ||||||
|---|---|---|---|---|---|---|
|
| NG |
|
REPLACE CAN NO. 1 J/C |
| OK |
|
CHECK FOR SHORT IN CAN BUS WIRES (SKID CONTROL ECU (BRAKE ACTUATOR ASSEMBLY))
Reconnect the skid control ECU (brake actuator assembly) connector.
| *1 | DLC3 |
Measure the resistance according to the value(s) in the table below.
| Standard Resistance | ||||||
|---|---|---|---|---|---|---|
|
| Result | ||||||||||||
|---|---|---|---|---|---|---|---|---|---|---|---|---|
|
| B |
|
REPLACE AIR CONDITIONING AMPLIFIER ASSEMBLY Click here |
| C |
|
CHECK FOR SHORT IN CAN BUS WIRES (POWER MANAGEMENT CONTROL ECU) Click here |
| D |
|
REPLACE POWER MANAGEMENT CONTROL ECU Click here |
| E |
|
REPLACE BRAKE ACTUATOR ASSEMBLY (SKID CONTROL ECU) Click here |
| A |
|
CHECK FOR SHORT IN CAN BUS WIRES (AIR CONDITIONING AMPLIFIER ASSEMBLY)
Reconnect the air conditioning amplifier assembly connector.
| *1 | DLC3 |
Measure the resistance according to the value(s) in the table below.
| Standard Resistance | ||||||
|---|---|---|---|---|---|---|
|
| NG |
|
REPLACE AIR CONDITIONING AMPLIFIER ASSEMBLY Click here |
| OK |
|
REPLACE AWD CONTROL ECU Click here
CHECK FOR SHORT IN CAN BUS WIRES (POWER MANAGEMENT CONTROL ECU)
Reconnect the power management control ECU connector.
| *1 | DLC3 |
Measure the resistance according to the value(s) in the table below.
| Standard Resistance | ||||||
|---|---|---|---|---|---|---|
|
| NG |
|
REPLACE POWER MANAGEMENT CONTROL ECU Click here |
| OK |
|
REPLACE AWD CONTROL ECU Click here
CHECK FOR SHORT IN CAN BUS WIRES (ECM)
| *1 | Front view of wire harness connector (to ECM) |
Disconnect the ECM connector.
| *4 | Front view of wire harness connector (to CAN No. 1 Junction Connector) |
| *5 | to ECM |
Measure the resistance according to the value(s) in the table below.
| Standard Resistance | ||||||
|---|---|---|---|---|---|---|
|
| NG |
|
REPAIR OR REPLACE CAN BUS MAIN WIRE OR CONNECTOR (CAN NO. 1 J/C - ECM) |
| OK |
|
REPLACE ECM Click here
CHECK FOR SHORT IN CAN BUS WIRES (CAN NO. 2 J/C - CAN NO. 1 J/C)
Reconnect the CAN No. 1 junction connector (D56).
| *1 | Front view of wire harness connector (to CAN No. 2 Junction Connector) |
| *2 | to CAN No. 1 Junction Connector |
Disconnect the CAN No. 2 junction connector.
Measure the resistance according to the value(s) in the table below.
| Standard Resistance | ||||||
|---|---|---|---|---|---|---|
|
| NG |
|
REPAIR OR REPLACE CAN BUS MAIN WIRE OR CONNECTOR (CAN NO. 1 J/C - CAN NO. 2 J/C) |
| OK |
|
CHECK FOR SHORT IN CAN BUS WIRES (CAN NO. 2 J/C - DLC3)
| *1 | Front view of wire harness connector (to CAN No. 2 Junction Connector) |
| *2 | to DLC3 |
Measure the resistance according to the value(s) in the table below.
| Standard Resistance | ||||||
|---|---|---|---|---|---|---|
|
| NG |
|
REPAIR OR REPLACE CAN BRANCH WIRE CONNECTED TO DLC3 |
| OK |
|
CHECK FOR SHORT IN CAN BUS WIRES (CAN NO. 2 J/C - COMBINATION METER ASSEMBLY)
| *1 | Front view of wire harness connector (to CAN No. 2 Junction Connector) |
| *2 | to Combination Meter Assembly |
Measure the resistance according to the value(s) in the table below.
| Standard Resistance | ||||||
|---|---|---|---|---|---|---|
|
| NG |
|
CHECK FOR SHORT IN CAN BUS WIRES (COMBINATION METER ASSEMBLY) Click here |
| OK |
|
CHECK FOR SHORT IN CAN BUS WIRES (CAN NO. 2 J/C - CENTER AIRBAG SENSOR ASSEMBLY)
| *1 | Front view of wire harness connector (to Center Airbag Sensor Assembly) |
Disconnect the center airbag sensor assembly connector (D6).
| *2 | Front view of wire harness connector (to CAN No. 2 Junction Connector) |
| *3 | to Center Airbag Sensor Assembly |
Measure the resistance according to the value(s) in the table below.
| Standard Resistance | ||||||
|---|---|---|---|---|---|---|
|
| NG |
|
REPAIR OR REPLACE CAN BUS BRANCH WIRE OR CONNECTOR (CAN NO. 2 J/C - CENTER AIRBAG SENSOR ASSEMBLY) |
| OK |
|
CHECK FOR SHORT IN CAN BUS WIRES (CAN NO. 2 J/C - YAW RATE AND ACCELERATION SENSOR)
| *1 | Front view of wire harness connector (to Yaw Rate and Acceleration Sensor) |
Disconnect the yaw rate and acceleration sensor connector.
| *2 | Front view of wire harness connector (to CAN No. 2 Junction Connector) |
| *3 | to Yaw Rate and Acceleration Sensor |
Measure the resistance according to the value(s) in the table below.
| Standard Resistance | ||||||
|---|---|---|---|---|---|---|
|
| NG |
|
REPAIR OR REPLACE CAN BUS BRANCH WIRE OR CONNECTOR (CAN NO. 2 J/C - YAW RATE AND ACCELERATION SENSOR) |
| OK |
|
CHECK FOR SHORT IN CAN BUS WIRES (CAN NO. 2 J/C - STEERING ANGLE SENSOR (SPIRAL CABLE WITH SENSOR SUB-ASSEMBLY))
| *1 | Front view of wire harness connector (to Steering Angle Sensor (Spiral Cable with Sensor Sub-assembly)) |
Disconnect the steering angle sensor (spiral cable with sensor sub-assembly) connector.
| *2 | Front view of wire harness connector (to CAN No. 2 Junction Connector) |
| *3 | to Steering Angle Sensor (Spiral Cable with Sensor Sub-assembly) |
Measure the resistance according to the value(s) in the table below.
| Standard Resistance | ||||||
|---|---|---|---|---|---|---|
|
| NG |
|
REPAIR OR REPLACE CAN BUS BRANCH WIRE OR CONNECTOR (CAN NO. 2 J/C - STEERING ANGLE SENSOR (SPIRAL CABLE WITH SENSOR SUB-ASSEMBLY)) |
| OK |
|
CHECK FOR SHORT IN CAN BUS WIRES (CAN NO. 2 J/C - POWER STEERING ECU ASSEMBLY)
| *1 | Front view of wire harness connector (to Power Steering ECU Assembly) |
Disconnect the power steering ECU assembly connector (D20).
| *2 | Front view of wire harness connector (to CAN No. 2 Junction Connector) |
| *3 | to Power Steering ECU Assembly |
Measure the resistance according to the value(s) in the table below.
| Standard Resistance | ||||||
|---|---|---|---|---|---|---|
|
| NG |
|
REPAIR OR REPLACE CAN BUS BRANCH WIRE OR CONNECTOR (CAN NO. 2 J/C - POWER STEERING ECU ASSEMBLY) |
| OK |
|
CHECK FOR SHORT IN CAN BUS WIRES (CAN NO. 2 J/C - MAIN BODY ECU (DRIVER SIDE JUNCTION BLOCK ASSEMBLY))
| *1 | Front view of wire harness connector (to Main Body ECU (Driver Side Junction Block Assembly)) |
Disconnect the main body ECU (driver side junction block assembly) connector (D48).
| *2 | Front view of wire harness connector (to CAN No. 2 Junction Connector) |
| *3 | to Main Body ECU (Driver Side Junction Block Assembly) |
Measure the resistance according to the value(s) in the table below.
| Standard Resistance | ||||||
|---|---|---|---|---|---|---|
|
| Result | ||||||||
|---|---|---|---|---|---|---|---|---|
|
| B |
|
CHECK FOR SHORT IN CAN BUS WIRES (CAN NO. 2 J/C - NAVIGATION RECEIVER ASSEMBLY) Click here |
| C |
|
REPAIR OR REPLACE CAN BUS BRANCH WIRE OR CONNECTOR (CAN NO. 2 J/C - MAIN BODY ECU (DRIVER SIDE JUNCTION BLOCK ASSEMBLY)) |
| A |
|
CHECK FOR SHORT IN CAN BUS WIRES (CAN NO. 2 J/C - CERTIFICATION ECU (SMART KEY ECU ASSEMBLY))
| *1 | Front view of wire harness connector (to Certification ECU (Smart Key ECU Assembly)) |
Disconnect the certification ECU (smart key ECU assembly) connector.
| *2 | Front view of wire harness connector (to CAN No. 2 Junction Connector) |
| *3 | to Certification ECU (Smart Key ECU Assembly) |
Measure the resistance according to the value(s) in the table below.
| Standard Resistance | ||||||
|---|---|---|---|---|---|---|
|
| NG |
|
REPAIR OR REPLACE CAN BUS BRANCH WIRE OR CONNECTOR (CAN NO. 2 J/C - CERTIFICATION ECU (SMART KEY ECU ASSEMBLY)) |
| OK |
|
CHECK FOR SHORT IN CAN BUS WIRES (CAN NO. 2 J/C - NAVIGATION RECEIVER ASSEMBLY)
Tech Tips
The vehicle for radio and display type go to the next step.
| *1 | Front view of wire harness connector (to Navigation Receiver Assembly) |
Disconnect the navigation receiver assembly connector.
| *2 | Front view of wire harness connector (to CAN No. 2 Junction Connector) |
| *3 | to Navigation Receiver Assembly |
Measure the resistance according to the value(s) in the table below.
| Standard Resistance | ||||||
|---|---|---|---|---|---|---|
|
| NG |
|
REPAIR OR REPLACE CAN BUS BRANCH WIRE OR CONNECTOR (CAN NO. 2 J/C - NAVIGATION RECEIVER ASSEMBLY) |
| OK |
|
CHECK FOR SHORT IN CAN BUS WIRES (CAN NO. 2 J/C - RADIO AND DISPLAY RECEIVER ASSEMBLY)
| *1 | Front view of wire harness connector (to Radio and Display Receiver Assembly) |
Disconnect the radio and display receiver assembly connector.
| *2 | Front view of wire harness connector (to CAN No. 2 Junction Connector) |
| *3 | to Radio and Display Receiver Assembly |
Measure the resistance according to the value(s) in the table below.
| Standard Resistance | ||||||
|---|---|---|---|---|---|---|
|
| NG |
|
REPAIR OR REPLACE CAN BUS BRANCH WIRE OR CONNECTOR (CAN NO. 2 J/C - RADIO AND DISPLAY RECEIVER ASSEMBLY) |
| OK |
|
CHECK FOR SHORT IN CAN BUS WIRES (CAN NO. 2 J/C)
Reconnect the CAN No. 2 junction connector.
| *1 | DLC3 |
Measure the resistance according to the value(s) in the table below.
Note
The resistance must be measured after the main wire connected ECUs (ECM and combination meter assembly), and CAN No. 1 and No. 2 junction connectors are reconnected.
| Standard Resistance | ||||||
|---|---|---|---|---|---|---|
|
| NG |
|
REPLACE CAN NO. 2 J/C |
| OK |
|
CHECK FOR SHORT IN CAN BUS WIRES (CENTER AIRBAG SENSOR ASSEMBLY)
Reconnect the center airbag sensor assembly connector.
| *1 | DLC3 |
Measure the resistance according to the value(s) in the table below.
| Standard Resistance | ||||||
|---|---|---|---|---|---|---|
|
| NG |
|
REPLACE CENTER AIRBAG SENSOR ASSEMBLY Click here |
| OK |
|
CHECK FOR SHORT IN CAN BUS WIRES (YAW RATE AND ACCELERATION SENSOR)
Reconnect the yaw rate and acceleration sensor connector.
| *1 | DLC3 |
Measure the resistance according to the value(s) in the table below.
| Standard Resistance | ||||||
|---|---|---|---|---|---|---|
|
| NG |
|
REPLACE YAW RATE AND ACCELERATION SENSOR Click here |
| OK |
|
CHECK FOR SHORT IN CAN BUS WIRES (STEERING ANGLE SENSOR (SPIRAL CABLE WITH SENSOR SUB-ASSEMBLY))
Reconnect the steering angle sensor (spiral cable with sensor sub-assembly) connector.
| *1 | DLC3 |
Measure the resistance according to the value(s) in the table below.
| Standard Resistance | ||||||
|---|---|---|---|---|---|---|
|
| NG |
|
REPLACE STEERING ANGLE SENSOR (SPIRAL CABLE WITH SENSOR SUB-ASSEMBLY) Click here |
| OK |
|
CHECK FOR SHORT IN CAN BUS WIRES (POWER STEERING ECU ASSEMBLY)
Reconnect the power steering ECU assembly connector.
| *1 | DLC3 |
Measure the resistance according to the value(s) in the table below.
| Standard Resistance | ||||||
|---|---|---|---|---|---|---|
|
| Result | ||||||||
|---|---|---|---|---|---|---|---|---|
|
| B |
|
CHECK FOR SHORT IN CAN BUS WIRES (RADIO AND DISPLAY RECEIVER ASSEMBLY) Click here |
| C |
|
REPLACE POWER STEERING ECU ASSEMBLY Click here |
| A |
|
CHECK FOR SHORT IN CAN BUS WIRES (NAVIGATION RECEIVER ASSEMBLY)
Reconnect the navigation receiver assembly connector.
| *1 | DLC3 |
Measure the resistance according to the value(s) in the table below.
| Standard Resistance | ||||||
|---|---|---|---|---|---|---|
|
| Result | ||||||||
|---|---|---|---|---|---|---|---|---|
|
| B |
|
CHECK FOR SHORT IN CAN BUS WIRES (MAIN BODY ECU (DRIVER SIDE JUNCTION BLOCK ASSEMBLY)) Click here |
| C |
|
REPLACE NAVIGATION RECEIVER ASSEMBLY Click here |
| A |
|
REPLACE MAIN BODY ECU (DRIVER SIDE JUNCTION BLOCK ASSEMBLY) Click here
CHECK FOR SHORT IN CAN BUS WIRES (RADIO AND DISPLAY RECEIVER ASSEMBLY)
Reconnect the radio and display receiver assembly connector.
| *1 | DLC3 |
Measure the resistance according to the value(s) in the table below.
| Standard Resistance | ||||||
|---|---|---|---|---|---|---|
|
| Result | ||||||||
|---|---|---|---|---|---|---|---|---|
|
| B |
|
CHECK FOR SHORT IN CAN BUS WIRES (MAIN BODY ECU (DRIVER SIDE JUNCTION BLOCK ASSEMBLY)) Click here |
| C |
|
REPLACE RADIO AND DISPLAY RECEIVER ASSEMBLY Click here |
| A |
|
REPLACE MAIN BODY ECU (DRIVER SIDE JUNCTION BLOCK ASSEMBLY) Click here
CHECK FOR SHORT IN CAN BUS WIRES (MAIN BODY ECU (DRIVER SIDE JUNCTION BLOCK ASSEMBLY))
Reconnect the main body ECU (driver side junction block assembly) connector.
| *1 | DLC3 |
Measure the resistance according to the value(s) in the table below.
| Standard Resistance | ||||||
|---|---|---|---|---|---|---|
|
| NG |
|
REPLACE MAIN BODY ECU (DRIVER SIDE JUNCTION BLOCK ASSEMBLY) Click here |
| OK |
|
REPLACE SMART KEY ECU ASSEMBLY (CERTIFICATION ECU)
CHECK FOR SHORT IN CAN BUS WIRES (COMBINATION METER ASSEMBLY)
| *1 | Front view of wire harness connector (to Combination Meter Assembly) |
Disconnect the combination meter assembly connector (E1).
| *2 | Front view of wire harness connector (to CAN No. 2 Junction Connector) |
| *3 | to Combination Meter Assembly |
Measure the resistance according to the value(s) in the table below.
| Standard Resistance | ||||||
|---|---|---|---|---|---|---|
|
| NG |
|
REPAIR OR REPLACE CAN BUS MAIN WIRE OR CONNECTOR (CAN NO. 2 J/C - COMBINATION METER ASSEMBLY) |
| OK |
|
REPLACE COMBINATION METER ASSEMBLY Click here