SFI SYSTEM, Diagnostic DTC:P0351, P0352, P0353, P0354

DTC Code DTC Name
P0351 Ignition Coil "A" Primary / Secondary Circuit
P0352 Ignition Coil "B" Primary / Secondary Circuit
P0353 Ignition Coil "C" Primary / Secondary Circuit
P0354 Ignition Coil "D" Primary / Secondary Circuit

DESCRIPTION

Tech Tips


  • These DTCs indicate malfunctions relating to the primary circuit.

  • If DTC P0351 is output, check the No. 1 ignition coil assembly circuit.

  • If DTC P0352 is output, check the No. 2 ignition coil assembly circuit.

  • If DTC P0353 is output, check the No. 3 ignition coil assembly circuit.

  • If DTC P0354 is output, check the No. 4 ignition coil assembly circuit.

A Direct Ignition System (DIS) is used on this vehicle.

The DIS is a 1-cylinder ignition system in which each cylinder is ignited by one ignition coil assembly and one spark plug is connected to the end of each secondary wiring. A powerful voltage, generated in the secondary wiring, is applied directly to each spark plug. The spark of the spark plugs passes from the center electrode to the ground electrodes.

The ECM determines the ignition timing and transmits the ignition (IGT) signals to each cylinder. Using the IGT signal, the ECM turns the power transistor inside the igniter on and off. The power transistor, in turn, switches on and off the current to the primary coil. When the current to the primary coil is cut off, a powerful voltage is generated in the secondary coil. This voltage is applied to the spark plugs, causing them to spark inside the cylinders. As the ECM cuts the current to the primary coil, the igniter sends back an ignition confirmation (IGF) signal to the ECM for each cylinder ignition.

A01EKYVE01
DTC No. DTC Detection Condition Trouble Area

P0351

P0352

P0353

P0354

No IGF signal to the ECM while the engine is running (1 trip detection logic).
  • Ignition system

  • Open or short in IGF1 or IGT circuit (1 to 4) between ignition coil assembly and ECM

  • No. 1 to No. 4 ignition coil assemblies

  • ECM



MONITOR DESCRIPTION

A01EM60E24

If the ECM does not receive any IGF signals despite transmitting the IGT signal, it interprets this as a fault in the igniter and stores a DTC.

CONFIRMATION DRIVING PATTERN


  1. Connect the GTS to the DLC3.

  2. Turn the ignition switch to ON and turn the GTS on.

  3. Clear the DTCs (even if no DTCs are stored, perform the clear DTC procedure) Click here.

  4. Turn the ignition switch off and wait for at least 30 seconds.

  5. Turn the ignition switch to ON and turn the GTS on.

  6. Start the engine.

  7. Idle the engine for 10 seconds or more.

  8. Enter the following menus: Powertrain / Engine / Trouble Codes.

  9. Read the pending DTCs.

    Tech Tips


    • If a pending DTC is output, the system is malfunctioning.

    • If a pending DTC is not output, perform the following procedure.

  10. Enter the following menus: Powertrain / Engine / Utility / All Readiness.

  11. Input the DTC: P0351, P0352, P0353 or P0354.

  12. Check the DTC judgment result.

    GTS Display Description
    NORMAL
    • DTC judgment completed

    • System normal

    ABNORMAL
    • DTC judgment completed

    • System abnormal

    INCOMPLETE
    • DTC judgment not completed

    • Perform driving pattern after confirming DTC enabling conditions

    N/A
    • Unable to perform DTC judgment

    • Number of DTCs which do not fulfill DTC preconditions has reached ECU memory limit

    Tech Tips


    • If the judgment result shows NORMAL, the system is normal.

    • If the judgment result shows ABNORMAL, the system has a malfunction.

    • If the judgment result shows INCOMPLETE or N/A, perform the Confirmation Driving Pattern and check the DTC judgment result again.

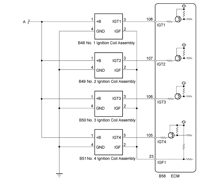
WIRING DIAGRAM

A01EMKAE03
A01EJG3E10
A01EJURE04

INSPECTION PROCEDURE

Note

Inspect the fuses for circuits related to this system before performing the following inspection procedure.

Tech Tips

Read freeze frame data using the GTS. The ECM records vehicle and driving condition information as freeze frame data the moment a DTC is stored. When troubleshooting, freeze frame data can help determine if the vehicle was moving or stationary, if the engine was warmed up or not, if the air fuel ratio was lean or rich, and other data from the time the malfunction occurred.

PROCEDURE


  1. CHECK HARNESS AND CONNECTOR (IG2 RELAY - IGNITION COIL ASSEMBLY, IGNITION COIL ASSEMBLY - BODY GROUND)


    1. Disconnect the ignition coil connectors.

    2. Measure the resistance according to the value(s) in the table below.

      Standard Resistance
      Tester Connection Condition Specified Condition
      B48-4 (GND) - Body ground Always Below 1 Ω
      B49-4 (GND) - Body ground Always Below 1 Ω
      B50-4 (GND) - Body ground Always Below 1 Ω
      B51-4 (GND) - Body ground Always Below 1 Ω
    3. Turn the ignition switch to ON.

    4. Measure the voltage according to the value(s) in the table below.

      Standard Voltage
      Tester Connection Condition Specified Condition
      B48-1 (+B) - B48-4 (GND) Ignition switch ON 11 to 14 V
      B49-1 (+B) - B49-4 (GND) Ignition switch ON 11 to 14 V
      B50-1 (+B) - B50-4 (GND) Ignition switch ON 11 to 14 V
      B51-1 (+B) - B51-4 (GND) Ignition switch ON 11 to 14 V

    NG
    OK
  2. CHECK HARNESS AND CONNECTOR (IGNITION COIL ASSEMBLY - ECM)


    1. Disconnect the ignition coil assembly connectors.

    2. Disconnect the ECM connector.

    3. Measure the resistance according to the value(s) in the table below.

      Standard Resistance
      Tester Connection Condition Specified Condition
      B48-2 (IGF) - B58-23 (IGF1) Always Below 1 Ω
      B49-2 (IGF) - B58-23 (IGF1) Always Below 1 Ω
      B50-2 (IGF) - B58-23 (IGF1) Always Below 1 Ω
      B51-2 (IGF) - B58-23 (IGF1) Always Below 1 Ω
      B48-3 (IGT1) - B58-108 (IGT1) Always Below 1 Ω
      B49-3 (IGT2) - B58-107 (IGT2) Always Below 1 Ω
      B50-3 (IGT3) - B58-106 (IGT3) Always Below 1 Ω
      B51-3 (IGT4) - B58-105 (IGT4) Always Below 1 Ω
      B48-2 (IGF) or B58-23 (IGF1) - Body ground Always 10 kΩ or higher
      B49-2 (IGF) or B58-23 (IGF1) - Body ground Always 10 kΩ or higher
      B50-2 (IGF) or B58-23 (IGF1) - Body ground Always 10 kΩ or higher
      B51-2 (IGF) or B58-23 (IGF1) - Body ground Always 10 kΩ or higher
      B48-3 (IGT1) or B58-108 (IGT1) - Body ground Always 10 kΩ or higher
      B49-3 (IGT2) or B58-107 (IGT2) - Body ground Always 10 kΩ or higher
      B50-3 (IGT3) or B58-106 (IGT3) - Body ground Always 10 kΩ or higher
      B51-3 (IGT4) or B58-105 (IGT4) - Body ground Always 10 kΩ or higher

    NG
    OK
  3. CHECK WHETHER DTC OUTPUT RECURS (DTC P0351, P0352, P0353 OR P0354)


    1. Connect the GTS to the DLC3.

    2. Turn the ignition switch to ON.

    3. Turn the GTS on.

    4. Clear the DTCs Click here.

    5. Turn the ignition switch off.

    6. Shuffle the arrangement of the ignition coil assemblies (among No. 1 to No. 4 cylinders).

      Note

      Do not change the location of the connectors.

    7. Perform a simulation test.

    8. Enter the following menus: Powertrain / Engine / Trouble Codes.

    9. Read the DTCs.

      Result
      Result Proceed to
      Same DTC output A
      Different ignition coil DTC output B

    B
    A