СИСТЕМА ОБРАБОТКИ И ПЕРЕДАЧИ ИНФОРМАЦИИ* Неисправность приемопередатчика системы обработки и передачи информации

СХЕМА ЭЛЕКТРИЧЕСКИХ СОЕДИНЕНИЙ

A01GM93E01

ПОСЛЕДОВАТЕЛЬНОСТЬ ПРОВЕРКИ

Note

В зависимости от замененных деталей или операций, которые были выполнены при проверке или обслуживании автомобиля, может потребоваться инициализация, регистрация или калибровка. См. раздел "Меры предосторожности при работе с системой G-BOOK" (см. стр. Click here).

ПОРЯДОК ВЫПОЛНЕНИЯ


  1. ПЕРЕМЕСТИТЕ АВТОМОБИЛЬ


    1. Если автомобиль находится вне зоны предоставления услуг связи, переместите его в зону обслуживания, подождите некоторое время и выполните операцию снова.


    ДАЛЕЕ
  2. ПРОВЕРЬТЕ, ВЫВОДЯТСЯ ЛИ DTC


    1. Сбросьте коды DTC (см. стр. Click here).

    2. Повторно проверьте DTC и убедитесь, что зарегистрированный DTC больше не выводится.

      Результат
      Результат Следующий шаг
      Коды DTC выводятся А
      Коды DTC не выводятся B

    B
    А
  3. ВЫПОЛНИТЕ ПРОВЕРКУ DCM


    1. Проверка DCM


      1. Войдите в режим диагностики (см. стр. Click here).

      2. Выберите "Failure Diagnosis" (Диагностика неисправностей) на экране "Service Menu" (Меню обслуживания).

        A01GLML
      3. Нажмите кнопку "DCM Check" (Проверка DCM) на экране "Failure Diagnosis" (Диагностика неисправностей).

        A01GNIQ
      4. Нажмите "DCM Check", чтобы выполнить проверку DCM.

        A01GJPY
        Результат
        Результат Следующий шаг

        • Невозможно выполнить проверку DCM

        • В качестве результата проверки DCM отображается "OK"

        А
        В качестве результата проверки DCM отображается "OFF LINE" (нет связи) B
        В качестве результата проверки DCM отображается "No Service" (услуги не предоставляются) C
        В качестве результата проверки DCM отображается "NO CARRIER" (отсутствует несущая) D
        Отображается другой результат E

        Tech Tips

        Если во время отображения данного экрана автомобиль перемещается, выберите "Back" (Назад) снова, чтобы обновить результат.


    B
    C
    D
    E
    А
  4. ОБРАТИТЕСЬ В ЦЕНТР ПОДДЕРЖКИ G-BOOK


    1. Проверьте признак контракта.


      1. Войдите в режим диагностики (см. стр. Click here).

      2. На экране "Service Menu" (меню обслуживания) выберите "Service Information" (информация об обслуживании).

        A01GLML
      3. На экране "Service Information" (информация об обслуживании) выберите "G-BOOK Info for Contract" (информация о контрактных установках G-BOOK).

        A01GJFG
      4. Проверьте значение признака.

        A01GIKZ
    2. Проверьте информацию об устройстве.


      1. На экране "Service Information" (Информация об обслуживании) выберите "DCM Information" (Информация о DCM).

        A01GJFG
      2. Проверьте следующие параметры на экране "DCM Information".

        A01GKMZ
        Параметр / Устройство Описание
        Tel No Проверьте, отображается ли телефонный номер приемопередатчика системы обработки и передачи информации. Если номер отображается, запишите его.
        DCM Serial Запишите серийный номер приемопередатчика системы обработки и передачи информации.
    3. Обратитесь в центр поддержки G-BOOK.


      1. Обратитесь в центр поддержки G-BOOK и сообщите следующую информацию:


        • Явление: связь была инициализирована, однако связь невозможна.

        • Состояние признака

        • Номер телефона (Tel No): не отображается / отображаемый номер

        • Серийный номер (DCM Serial): отображаемый номер

        • VIN

        Tech Tips

        Центр поддержки G-BOOK выполнит исследование и сообщит вам результаты.

      2. После приема вызова из центра поддержки G-BOOK проверьте наличие признаков неисправности.

        Результат
        Результат Следующий шаг
        Признак неисправности проявляется снова А
        Восстанавливается нормальная работа системы B

    B
    А
  5. ПРОВЕРКА ПРИЕМНИКА МУЛЬТИМЕДИЙНОГО МОДУЛЯ В СБОРЕ


    1. A01GL6ME25
      Обозначения на рисунке
      *a

      Устройство с неподсоединенным жгутом проводов

      (Приемник мультимедийного модуля в сборе)

      Отсоедините разъем L173 приемника мультимедийного модуля.

    2. Измерьте сопротивление в соответствии со значениями, приведенными в таблице ниже.

      Номинальное сопротивление
      Подключение диагностического прибора Условие Заданные условия
      2 (USBG) - масса Всегда Менее 1 Ом
    3. Измерьте напряжение в соответствии со значениями, приведенными в таблице.

      Номинальное напряжение
      Контакты для подключения диагностического прибора Положение переключателя Заданные условия
      4 (USBV) - 2 (USBG) Выключатель зажигания в положении ACC 4,75 - 5,25 В

    NG
    OK
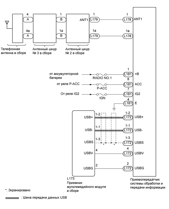
  6. ПРОВЕРЬТЕ ЖГУТ ПРОВОДОВ И РАЗЪЕМ (ПРИЕМНИК МУЛЬТИМЕДИЙНОГО МОДУЛЯ В СБОРЕ - ПРИЕМОПЕРЕДАТЧИК СИСТЕМЫ ОБРАБОТКИ И ПЕРЕДАЧИ ИНФОРМАЦИИ)


    1. Проверьте установку.


      1. Проверьте кабель передачи данных USB (кабель для передачи цифровых данных) между приемником мультимедийного модуля и приемопередатчиком системы обработки и передачи информации на наличие каких-либо проблем с монтажом или подсоединением.

    2. Отсоедините разъем L173 приемника мультимедийного модуля.

    3. Отсоедините разъем L172 приемопередатчика системы обработки и передачи информации.

    4. Измерьте сопротивление в соответствии со значениями, приведенными в таблице ниже.

      Номинальное сопротивление
      Подключение диагностического прибора Условие Заданные условия
      L173-4 (USBV) - L172-4 (USBV) Всегда Менее 1 Ом
      L173-2 (USBG) - L172-2 (USBG) Всегда Менее 1 Ом
      L173-1-2 (USB+) - L172-1-2 (USB+) Всегда Менее 1 Ом
      L173-1-1 (USB-) - L172-1-1 (USB-) Всегда Менее 1 Ом
      L173-1-3 (USBS) - L172-1-3 (USBS) Всегда Менее 1 Ом
      L172-4 (USBV) - масса Всегда 10 кОм или более
      L172-2 (USBG) - масса Всегда 10 кОм или более
      L172-1-2 (USB+) - масса Всегда 10 кОм или более
      L172-1-1 (USB-) - масса Всегда 10 кОм или более
      L172-1-3 (USBS) - масса Всегда 10 кОм или более

    NG
    OK
  7. ПРОВЕРЬТЕ УРОВЕНЬ ПРИНИМАЕМОГО СИГНАЛА


    1. A01GMXCE01

      Проверьте уровень принимаемого сигнала.


      1. Проверьте уровень принимаемого сигнала приемопередатчика системы обработки и передачи информации.

        Tech Tips


        • Проверьте, нет ли значительного падения уровня принимаемого сигнала по сравнению с мобильным телефоном China Telecom.

        • Если мобильный телефон China Telecom не доступен, переместите автомобиль в место, где индикатор уровня принимаемого сигнала будет показывать не менее 3 делений.

        • Если причиной неисправности является отсутствие заключенного контракта G-BOOK, выполните процедуру выполнения контрактных установок и проверьте уровень принимаемого сигнала приемопередатчика системы обработки и передачи информации на экране во время выполнения этой процедуры.

        Результат
        Результат Следующий шаг

        • Уровень принимаемого сигнала не ниже, чем у мобильного телефона China Telecom.

        • На индикаторе уровня принимаемого сигнала отображается не менее 3 делений.

        А

        • Уровень принимаемого сигнала ниже, чем у мобильного телефона China Telecom.

        • Даже после перемещения автомобиля не отображается 3 или более делений на индикаторе уровня принимаемого сигнала.

        B

    B
    А
  8. ЗАМЕНИТЕ ПРИЕМОПЕРЕДАТЧИК СИСТЕМЫ ОБРАБОТКИ И ПЕРЕДАЧИ ИНФОРМАЦИИ


    1. Замените приемопередатчик системы обработки и передачи информации новым или заведомо исправным и проверьте, проявляется ли неисправность вновь (см. стр. Click here).

      OK
      Система возвращается в нормальный режим работы.

    NG
    OK
  9. ПРОВЕРЬТЕ РЕЗУЛЬТАТ ПРОВЕРКИ DCM


    1. Перейдите к следующему шагу в соответствии с результатом проверки DCM.

      Результат
      Результат Следующий шаг
      В качестве результата проверки DCM отображается "NO ANT" (отсутствует антенна) А
      В качестве результата проверки DCM отображается "ERROR" (ошибка) B
      В качестве результата проверки DCM отображается "PLL NG" (неисправность PLL) C
      В качестве результата проверки DCM отображается "RESTRICTION" (ограничение) D
      В качестве результата проверки DCM отображается "TIME OUT" (ВРЕМЯ ОЖИДАНИЯ ИСТЕКЛО) E

    B
    C
    D
    E
    А
  10. ПРОВЕРЬТЕ ТЕЛЕФОННУЮ АНТЕННУ В СБОРЕ


    1. A01GN72E05

      Снимите телефонную антенну в сборе

    2. Измерьте сопротивление в соответствии со значениями, приведенными в таблице ниже.

      Номинальное сопротивление
      Подключение диагностического прибора Условие Заданные условия
      4 - 4a Всегда 4 - 11 кОм

    NG
    OK
  11. ПРОВЕРЬТЕ ШНУР АНТЕННЫ № 3 В СБОРЕ


    1. A01GLL4E01
      Обозначения на рисунке
      *a

      Вид спереди разъема со стороны жгута проводов:

      (к телефонной антенне в сборе)

      *b

      Вид спереди разъема со стороны жгута проводов:

      (к антенному шнуру № 2 в сборе)

      Отсоедините разъем шнура антенны № 3 от телефонной антенны в сборе.

    2. Отсоедините шнур антенны № 3 в сборе от шнура антенны № 2 в сборе.

    3. Измерьте сопротивление в соответствии со значениями, приведенными в таблице ниже.

      Номинальное сопротивление
      Подключение диагностического прибора Условие Заданные условия
      A-4 - B-1 Всегда Менее 1 Ом
      A-4a - B-1a Всегда Менее 1 Ом
      A-4 - масса Всегда 10 кОм или более
      A-4a - Масса кузова Всегда 10 кОм или более

    NG
    OK
  12. ПРОВЕРЬТЕ ШНУР АНТЕННЫ № 2 В СБОРЕ


    1. A01GJSEE01
      Обозначения на рисунке
      *a

      Вид спереди разъема со стороны жгута проводов:

      (к антенному шнуру № 3 в сборе)

      *b

      Вид спереди разъема со стороны жгута проводов:

      (к жгуту проводов панели приборов)

      Отсоедините шнур антенны № 2 в сборе от шнура антенны № 3 в сборе.

    2. Отсоедините шнур антенны № 2 в сборе от жгута проводов панели приборов.

    3. Измерьте сопротивление в соответствии со значениями, приведенными в таблице ниже.

      Номинальное сопротивление
      Подключение диагностического прибора Условие Заданные условия
      B-1 - 1 (ANT1) Всегда Менее 1 Ом
      B-1a - 1a Всегда Менее 1 Ом
      B-1 - масса Всегда 10 кОм или более
      B-1a - масса Всегда 10 кОм или более

    NG
    OK
  13. ПРОВЕРЬТЕ ЖГУТ ПРОВОДОВ И РАЗЪЕМ (ШНУР АНТЕННЫ № 2 – ПРИЕМОПЕРЕДАТЧИК СИСТЕМЫ ОБРАБОТКИ И ПЕРЕДАЧИ ИНФОРМАЦИИ)


    1. A01GN9HE01
      Обозначения на рисунке
      *a

      Вид спереди разъема со стороны жгута проводов:

      (к антенному шнуру № 2 в сборе)

      *b

      Вид спереди разъема со стороны жгута проводов:

      (к приемопередатчику системы обработки и передачи информации)

      Отсоедините разъем L179 антенного шнура № 2.

    2. Отсоедините разъем L178 приемопередатчика системы обработки и передачи информации.

    3. Измерьте сопротивление в соответствии со значениями, приведенными в таблице ниже.

      Номинальное сопротивление
      Подключение диагностического прибора Условие Заданные условия
      L179-1 (ANT1) - L178-1 (ANT1) Всегда Менее 1 Ом
      L179-1a - L178-1a Всегда Менее 1 Ом
      L179-1 (ANT1) - масса Всегда 10 кОм или более
      L179-1a - масса Всегда 10 кОм или более

    NG
    OK
  14. ЗАМЕНИТЕ ПРИЕМОПЕРЕДАТЧИК СИСТЕМЫ ОБРАБОТКИ И ПЕРЕДАЧИ ИНФОРМАЦИИ


    1. Замените приемопередатчик системы обработки и передачи информации новым или заведомо исправным и проверьте, проявляется ли неисправность вновь (см. стр. Click here).

      OK
      Система возвращается в нормальный режим работы.

    NG
    OK
  15. ПРОВЕРЬТЕ ПРИЗНАК КОНТРАКТА


    1. Проверьте признак контракта.


      1. Войдите в режим диагностики (см. стр. Click here).

      2. На экране "Service Menu" (меню обслуживания) выберите "Service Information" (информация об обслуживании).

        A01GLML
      3. На экране "Service Information" (информация об обслуживании) выберите "G-BOOK Info for Contract" (информация о контрактных установках G-BOOK).

        A01GJFG
      4. Проверьте, имеет ли указанный на рисунке признак значение "1".

        A01GIKZE04
        Обозначения на рисунке
        *a Ячейка, подлежащая проверке
      5. Выключите, а затем включите зажигание (ACC).

      6. Снова проверьте, имеет ли указанный на рисунке признак значение "1".

    2. Снова проверьте наличие признака неисправности.


      1. Выберите "G-BOOK.com" и повторно выполните процедуру настройки контрактных установок (см. стр. Click here).

      2. Проверьте наличие признака неисправности.

        Результат
        Результат Следующий шаг
        Признак контракта имеет значение "1", и восстанавливается нормальная работа системы А
        Признак контракта имеет значение "1", но неисправность проявляется снова B
        Признак контракта не равен "1", и неисправность проявляется снова C

    B
    C
    А
  16. ПРОВЕРЬТЕ НАЛИЧИЕ ПРИЗНАКА НЕИСПРАВНОСТИ ПОСЛЕ ВЫКЛЮЧЕНИЯ И ВКЛЮЧЕНИЯ ЗАЖИГАНИЯ (ACC)


    1. Проверьте наличие признака неисправности.


      1. Выключите, а затем включите зажигание (ACC).

      2. Проверьте, проявляется ли признак неисправности снова.

        Результат
        Результат Следующий шаг
        Система возвращается в нормальный режим работы А
        Нормальная работа системы не восстанавливается B

    B
    А
  17. ПРОВЕРЬТЕ ЖГУТ ПРОВОДОВ И РАЗЪЕМ (ИСТОЧНИК ПИТАНИЯ ПРИЕМОПЕРЕДАТЧИКА СИСТЕМЫ ОБРАБОТКИ И ПЕРЕДАЧИ ИНФОРМАЦИИ)


    1. A01GHL8E96
      Обозначения на рисунке
      *a

      Вид спереди разъема со стороны жгута проводов:

      (к приемопередатчику системы обработки и передачи информации)

      Отсоедините разъем приемопередатчика системы обработки и передачи информации.

    2. Измерьте сопротивление в соответствии со значениями, приведенными в таблице ниже.

      Номинальное сопротивление
      Подключение диагностического прибора Условие Заданные условия
      L181-4 (E) - масса Всегда Менее 1 Ом
    3. Измерьте напряжение в соответствии со значениями, приведенными в таблице.

      Номинальное напряжение
      Подключение диагностического прибора Условие Заданные условия
      L181-1 (+B) - L181-4 (E) Всегда 11-14 В
      L181-8 (ACC) - L181-4 (E) Выключатель зажигания в положении ACC 11—14 В
      L181-7 (IG2) - L181-4 (E) Выключатель зажигания в состоянии ON (ВКЛ) (IG) 11-14 В

    NG
    OK