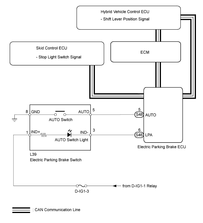
ELECTRIC PARKING BRAKE SYSTEM Electric Parking Brake System AUTO Function Circuit

DESCRIPTION

The electric parking brake ECU receives shift position information from the hybrid vehicle control ECU through CAN communication. When the power switch is ON (IG) and the electric parking brake switch AUTO switch is turned ON, the electric parking brake system AUTO function operates as follows: 1) when the brake pedal is depressed and the shift lever is moved from P to a position other than P, parking brake release control automatically operates; or 2) when the brake pedal is depressed and the shift lever is moved from a position other than P to P, parking brake lock control automatically operates.

WIRING DIAGRAM

A01H099E03

INSPECTION PROCEDURE

Note


  • If the electric parking brake ECU or parking brake with bracket actuator assembly is replaced, perform the "RESET MEMORY" and "ACQUIRE TENSION SENSOR ZERO POINT" procedures Click here.

  • Even after the power switch is turned OFF, the electric parking brake ECU may store a DTC as a result of removing a connector or fuse, as the ECU is still operating. Therefore, during inspection or replacement, turn the power switch OFF and wait for 20 seconds before removing the following: 1) connectors of the electric parking brake ECU, and 2) fuses of the electric parking brake system circuit.

PROCEDURE


  1. CHECK AUTO SWITCH (DATA LIST)


    1. Turn the power switch OFF.

    2. Connect the intelligent tester to the DLC3.

    3. Turn the power switch ON (IG) and the tester ON.

    4. Enter the following menus: Chassis / Electric Parking Brake / Data List.

    5. Check the values by referring to the table below.

      Electric Parking Brake
      Tester Display Measurement Item/ Range Normal Condition Diagnostic Note
      AUTO Switch

      AUTO switch input information display/

      ON or OFF

      ON: AUTO switch is pressed and held

      OFF: AUTO switch OFF (released)

      -
      Result
      Result Proceed to
      Tester screen does not display ON even though AUTO switch is pressed A
      Tester screen displays ON while pressing AUTO switch B

    B
    A
  2. INSPECT ELECTRIC PARKING BRAKE SWITCH (AUTO SWITCH)


    1. Remove the electric parking brake switch Click here.

    2. A01H12PE03

      Measure the resistance according to the value(s) in the table below.

      Standard resistance
      Tester Connection Switch Condition Specified Condition
      5 (AUTO) - 8 (GND) AUTO switch is pressed and held Below 1 Ω
      AUTO switch OFF (released) 1 MΩ or higher

    NG
    OK
  3. CHECK HARNESS AND CONNECTOR (ECU - SWITCH)


    1. Disconnect the S48 ECU connector.

    2. Disconnect the L39 switch connector.

    3. A01GYB2E06

      Measure the resistance according to the value(s) in the table below.

      Standard resistance
      Tester Connection Condition Specified Condition
      S48- 5 (AUTO) - L39-5 (AUTO) Always Below 5 Ω
      S48- 5 (AUTO) - Body ground Always 100 kΩ or higher

    NG
    OK
  4. CHECK SHIFT LEVER POSITION SIGNAL (DATA LIST)


    1. Turn the power switch OFF.

    2. Connect the intelligent tester to the DLC3.

    3. Turn the power switch ON (IG) and the tester ON.

    4. Enter the following menus: Chassis / Electric Parking Brake / Data List.

    5. Check the values by referring to the table below.

      Electric Parking Brake
      Tester Display Measurement Item/ Range Normal Condition Diagnostic Note
      P Position

      Shift lever position input information display/

      ON or OFF

      ON: Shift lever is on P

      OFF: Shift lever not on P

      -
      N Position

      Shift lever position input information display/

      ON or OFF

      ON: Shift lever is on N

      OFF: Shift lever not on N

      -
      R Position

      Shift lever position input information display/

      ON or OFF

      ON: Shift lever is on R

      OFF: Shift lever not on R

      -
      D Position

      Shift lever position input information display/

      ON or OFF

      ON: Shift lever is on D

      OFF: Shift lever not on D

      -
      OK
      On tester screen, item changes between ON and OFF according to shift lever operation.

    NG
    OK
  5. CHECK STOP LIGHT SWITCH SIGNAL (DATA LIST)


    1. Turn the power switch OFF.

    2. Connect the intelligent tester to the DLC3.

    3. Turn the power switch ON (IG) and the tester ON.

    4. Enter the following menus: Chassis / Electric Parking Brake / Data List.

    5. Check the values by referring to the table below.

      Electric Parking Brake
      Tester Display Measurement Item/Range Normal Condition Diagnostic Note
      Stop Light Switch

      Stop light switch input information display/

      ON or OFF

      ON: Stop light switch ON (brake pedal depressed)

      OFF: Stop light switch OFF (brake pedal released)

      -
      OK
      On tester screen, item changes between ON and OFF according to switch operation.

    NG
    OK
  6. CHECK AUTO SWITCH LIGHT OPERATION (ACTIVE TEST)


    1. Turn the power switch OFF.

    2. Connect the intelligent tester to the DLC3.

    3. Turn the power switch ON (IG) and the tester ON.

    4. Enter the following menus: Chassis / Electric Parking Brake / Active Test.

    5. Check the values by referring to the table below.

      Electric Parking Brake
      Tester Display Test Part Control Range Normal Condition
      Auto Light AUTO switch light ON or OFF

      ON: AUTO switch light turns on

      OFF: AUTO switch light turns off

      OK
      Switch light turns on when operating the tester.

    NG
    OK
  7. INSPECT FUSE (D-IG1-3)


    1. Remove the D-IG1-3 fuse from the main body ECU.

    2. Measure the resistance according to the value(s) in the table below.

      Standard resistance
      Tester Connection Condition Specified Condition
      D-IG1-3 fuse Always Below 1 Ω
      Result
      Result Proceed to
      Outside of the specified condition A
      Within the specified condition B

    B
    A
  8. CHECK HARNESS AND CONNECTOR (SWITCH - FUSE)


    1. Disconnect the L39 switch connector.

    2. A01GWWSE02

      Measure the resistance according to the value(s) in the table below.

      Standard resistance
      Tester Connection Condition Specified Condition
      L39-1 (IND+) - Body ground Always 10 kΩ or higher

    NG
    OK
  9. CHECK HARNESS AND CONNECTOR (ECU - SWITCH)


    1. Disconnect the S46 ECU connector.

    2. A01H1XLE05

      Measure the resistance according to the value(s) in the table below.

      Standard resistance
      Tester Connection Condition Specified Condition
      S46-6 (LPA) - Body ground Always 10 kΩ or higher

    NG
    OK
  10. CHECK HARNESS AND CONNECTOR (SWITCH - AUXILIARY BATTERY)


    1. Disconnect the L39 switch connector.

    2. A01GWWSE02

      Measure the voltage according to the value(s) in the table below.

      Standard voltage
      Tester Connection Switch Condition Specified Condition
      L39-1 (IND+) - Body ground Power switch ON (IG) 11 to 14 V

    NG
    OK
  11. CHECK HARNESS AND CONNECTOR (SWITCH - ECU)


    1. Disconnect the S46 ECU connector.

    2. Disconnect the L39 switch connector.

    3. A01GZQQE02

      Measure the resistance according to the value(s) in the table below.

      Standard resistance
      Tester Connection Condition Specified Condition
      S46-6 (LPA) - L39-3 (IND-) Always Below 5 Ω
      S46-6 (LPA) - Body ground Always 100 kΩ or higher

    NG
    OK