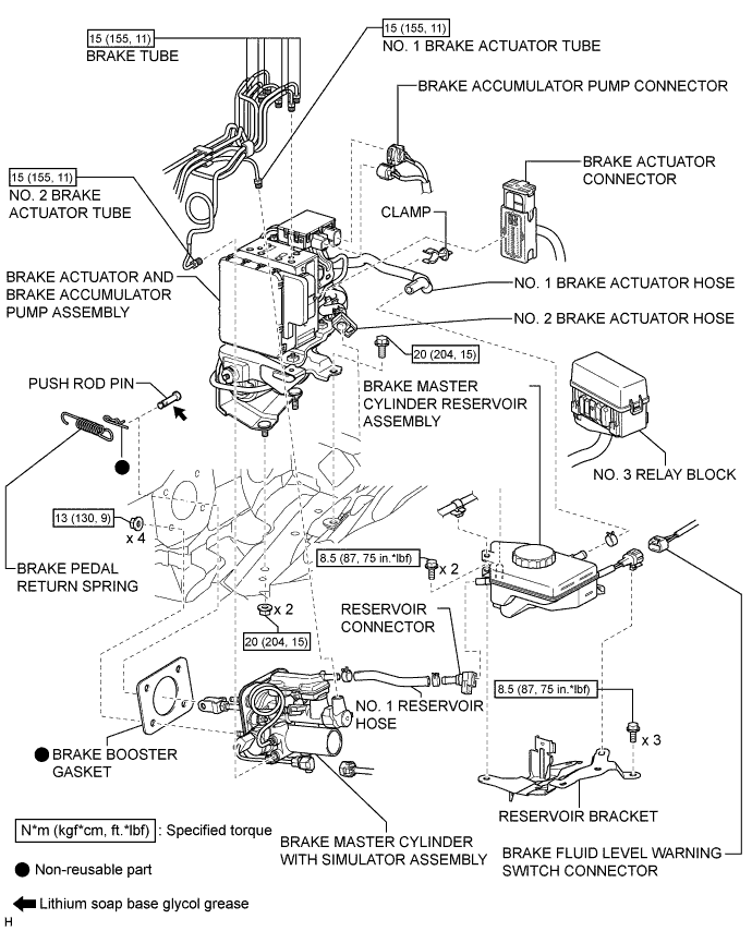
BRAKE MASTER CYLINDER (for LHD) COMPONENTS

ILLUSTRATION

A01GWDFE01

ILLUSTRATION

A01GZOBE01

ILLUSTRATION

A01GWOKE01

ILLUSTRATION

A01H0FNE06