SFI SYSTEM VC Output Circuit

DESCRIPTION

The ECM constantly uses 5 V from the battery voltage supplied to the +B (BATT) terminal to operate the microprocessor. The ECM also provides this power to the sensors through the VC output circuit.

A01GYQKE45

When the VC circuit is short-circuited, the microprocessor in the ECM and sensors that are supplied with power through the VC circuit are inactivated because the power is not supplied from the VC circuit. Under this condition, the system does not start up and the MIL does not illuminate even if the system malfunctions.

Tech Tips

Under normal conditions, the MIL is illuminated for several seconds when the power switch is first turned ON (IG). The MIL goes off when the engine is started.

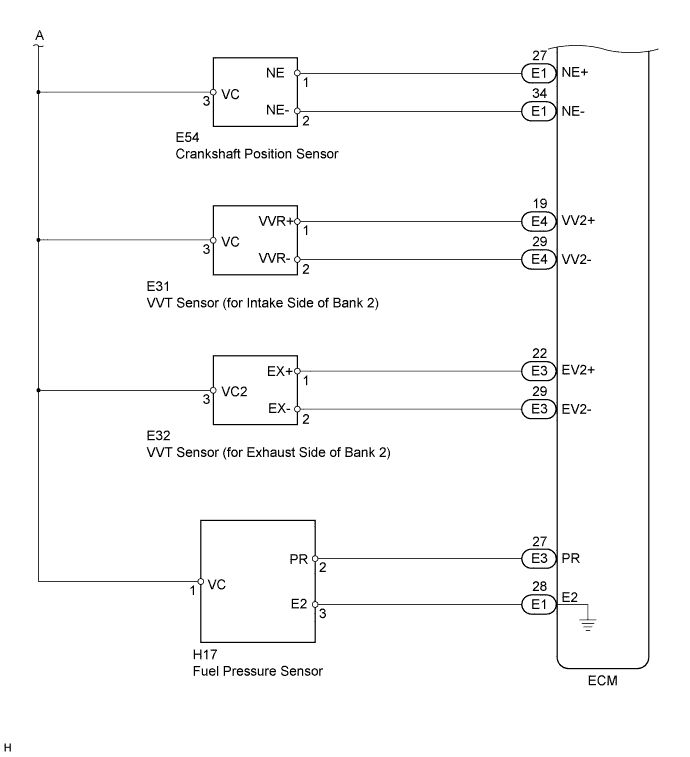
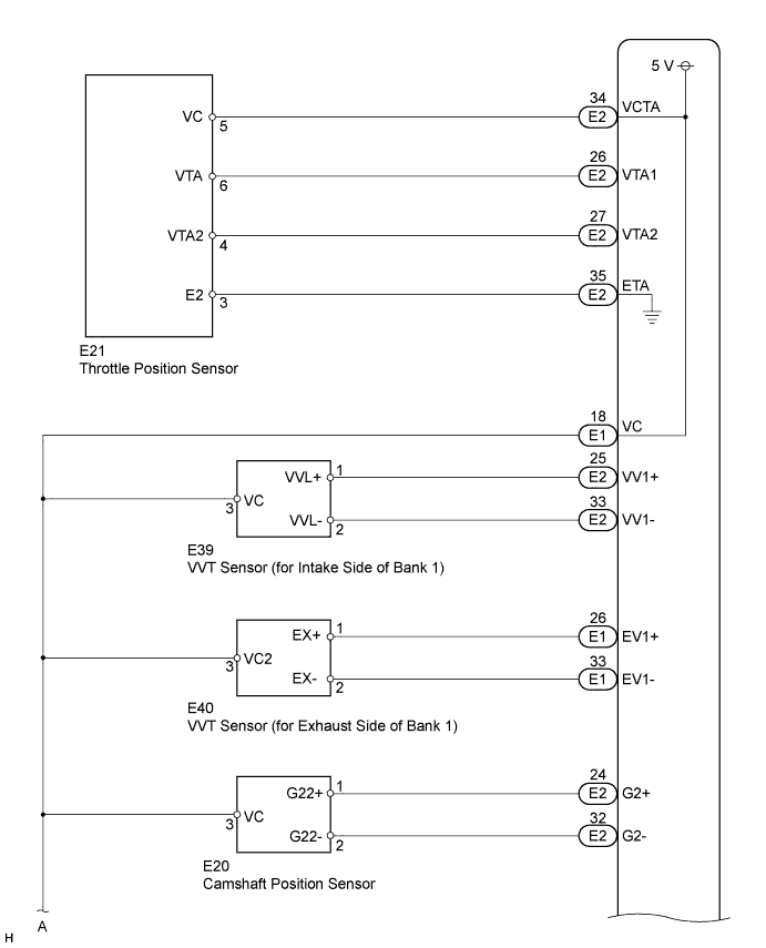
WIRING DIAGRAM

A01GXEDE01
A01GWZTE01

INSPECTION PROCEDURE

Tech Tips

When viewed from the rear of the engine assembly, Bank 1 is on the left side and Bank 2 is on the right side.

PROCEDURE


  1. CHECK MIL


    1. Check that the Malfunction Indicator Lamp (MIL) lights up when turning the power switch ON (IG).

      OK
      MIL lights up.

    NG
    OK
  2. CHECK CONNECTION BETWEEN INTELLIGENT TESTER AND ECM


    1. Connect the intelligent tester to the DLC3.

    2. Turn the power switch ON (IG) and tester ON.

    3. Check the communication between the tester and ECM.

      Result
      Result Proceed to
      Communication is possible A
      Communication is not possible B

    A
    B
  3. CHECK MIL (THROTTLE BODY)


    1. Disconnect the throttle body connector.

    2. Turn the power switch ON (IG).

    3. Check the MIL.

      Result
      Result Proceed to
      MIL illuminates A
      MIL does not illuminate B
    4. Reconnect the throttle body connector.


    A
    B
  4. CHECK MIL (CRANKSHAFT POSITION SENSOR)


    1. Disconnect the crankshaft position sensor connector.

    2. Turn the power switch ON (IG).

    3. Check the MIL.

      Result
      Result Proceed to
      MIL illuminates A
      MIL does not illuminate B
    4. Reconnect the crankshaft position sensor connector.


    A
    B
  5. CHECK MIL (CAMSHAFT POSITION SENSOR)


    1. Disconnect the camshaft position sensor connector.

    2. Turn the power switch ON (IG).

    3. Check the MIL.

      Result
      Result Proceed to
      MIL illuminates A
      MIL does not illuminate B
    4. Reconnect the camshaft position sensor connector.


    A
    B
  6. CHECK MIL (VVT SENSOR (for Intake Side of Bank 1))


    1. Remove the air cleaner assembly LH.

    2. Disconnect the VVT sensor (for intake side of bank 1) connector.

    3. Turn the power switch ON (IG).

    4. Check the MIL.

      Result
      Result Proceed to
      MIL illuminates A
      MIL does not illuminate B
    5. Reconnect the VVT sensor (for intake camshaft of bank 1) connector.


    A
    B
  7. CHECK MIL (VVT SENSOR (for Exhaust Side of Bank 1))


    1. Disconnect the VVT sensor (for exhaust side of bank 1) connector.

    2. Turn the power switch ON (IG).

    3. Check the MIL.

      Result
      Result Proceed to
      MIL illuminates A
      MIL does not illuminate B
    4. Reconnect the VVT sensor (for exhaust side of bank 1) connector.


    A
    B
  8. CHECK MIL (VVT SENSOR (for Intake Side of Bank 2))


    1. Remove the air cleaner assembly RH.

    2. Disconnect the VVT sensor (for intake side of bank 2) connector.

    3. Turn the power switch ON (IG).

    4. Check the MIL.

      Result
      Result Proceed to
      MIL illuminates A
      MIL does not illuminate B
    5. Reconnect the VVT sensor (for intake camshaft of bank 2) connector.


    A
    B
  9. CHECK MIL (VVT SENSOR (for Exhaust Side of Bank 2))


    1. Disconnect the VVT sensor (for exhaust side of bank 2) connector.

    2. Turn the power switch ON (IG).

    3. Check the MIL.

      Result
      Result Proceed to
      MIL illuminates A
      MIL does not illuminate B
    4. Reconnect the VVT sensor (for exhaust side of bank 2) connector.


    A
    B
  10. CHECK MIL (FUEL PRESSURE SENSOR)


    1. Remove the intake manifold Click here.

    2. Disconnect the fuel pressure sensor connector.

    3. Turn the power switch ON (IG).

    4. Check the MIL.

      Result
      Result Proceed to
      MIL illuminates A
      MIL does not illuminate B
    5. Reconnect the fuel pressure sensor connector.


    A
    B
  11. CHECK HARNESS AND CONNECTOR (ECM - BODY GROUND)

    A01GXVTE02

    1. Disconnect the throttle body connector.

    2. Disconnect the crankshaft position sensor connector.

    3. Disconnect the camshaft position sensor connector.

    4. Disconnect the VVT sensor (for intake side of bank 1) connector.

    5. Disconnect the VVT sensor (for exhaust side of bank 1) connector.

    6. Disconnect the VVT sensor (for intake side of bank 2) connector.

    7. Disconnect the VVT sensor (for exhaust side of bank 2) connector.

    8. Disconnect the fuel pressure sensor connector.

    9. Disconnect the E1 and E2 ECM connectors.

    10. Measure the resistance according to the value(s) in the table below.

      Standard resistance (Check for short)
      Tester Connection Condition Specified Condition
      E2-34 (VCTA) - Body ground Always 10 kΩ or higher
      E1-18 (VC) - Body ground Always 10 kΩ or higher
    11. Reconnect the fuel pressure sensor connector.

    12. Reconnect the VVT sensor (for exhaust side of bank 2) connector.

    13. Reconnect the VVT sensor (for intake side of bank 2) connector.

    14. Reconnect the VVT sensor (for exhaust side of bank 1) connector.

    15. Reconnect the VVT sensor (for intake side of bank 1) connector.

    16. Reconnect the camshaft position sensor connector.

    17. Reconnect the throttle body connector.

    18. Reconnect the ECM connectors.

    19. Reconnect the crankshaft position sensor connector.


    NG
    OK