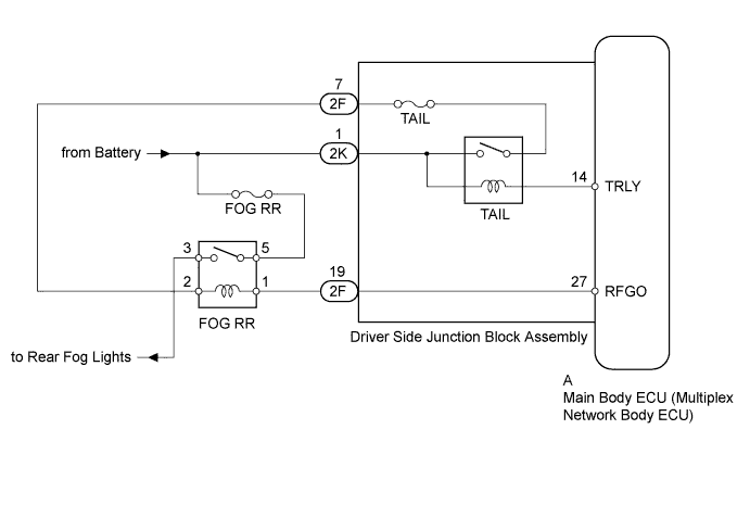
LIGHTING SYSTEM Rear Fog Light Circuit

DESCRIPTION

The main body ECU receives headlight dimmer switch information signals and illuminates the rear fog lights.

WIRING DIAGRAM

A01DOLCE01

INSPECTION PROCEDURE

Note

Inspect the fuses and bulbs for circuits related to this system before performing the following inspection procedure.

PROCEDURE


  1. PERFORM ACTIVE TEST USING INTELLIGENT TESTER (REAR FOG LIGHT RELAY)


    1. Using the intelligent tester, perform the Active Test Click here.

      Main Body
      Tester Display Test Part Control Range Diagnostic Note
      Rear Fog Light Relay Rear fog light relay ON/OFF The headlight dimmer switch is in the tail position.
      OK
      Rear fog light relay operates (rear fog lights come on).

    NG
    OK
  2. INSPECT REAR FOG LIGHT RELAY (FOG RR)


    1. A01DO7WE02

      Remove the rear fog light relay from the engine room relay block.

    2. Measure the resistance according to the value(s) in the table below.

      Standard Resistance
      Tester Connection Condition Specified Condition
      3 - 5 Battery voltage not applied between terminals 1 and 2 10 kΩ or higher
      Battery voltage applied between terminals 1 and 2 Below 1 Ω

    NG
    OK
  3. CHECK HARNESS AND CONNECTOR (REAR FOG LIGHT RELAY [FOG RR] - BATTERY)


    1. A01DOH9E01
      Text in Illustration
      *a

      Front view of wire harness connector

      (to Rear Fog Light Relay)

      Measure the voltage according to the value(s) in the table below.

      Standard Voltage
      Tester Connection Condition Specified Condition
      Rear fog light relay terminal 5 - Body ground Always 11 to 14 V
      Rear fog light relay terminal 2 - Body ground Headlight dimmer switch off Below 1 V
      Headlight dimmer switch tail 11 to 14 V

    NG
    OK
  4. CHECK HARNESS AND CONNECTOR (REAR FOG LIGHT RELAY [FOG RR] - MAIN BODY ECU)


    1. Remove the main body ECU Click here.

    2. Measure the resistance according to the value(s) in the table below.

      Standard Resistance
      Tester Connection Condition Specified Condition
      Rear fog light relay terminal 1 - A-27 (RFGO) Always Below 1 Ω
      A-27 (RFGO) - Body ground Always 10 kΩ or higher

    NG
    OK
  5. INSPECT DRIVER SIDE JUNCTION BLOCK ASSEMBLY


    1. A01DS7ZE04

      Remove the driver side junction block assembly Click here.

    2. Remove the main body ECU from the driver side junction block assembly Click here.

    3. Measure the resistance according to the value(s) in the table below.

      Standard Resistance
      Tester Connection Condition Specified Condition
      2F-19 - A-27 Always Below 1 Ω

    NG
    OK